102型(微型离合器)

定子有能有效利用空间的法兰安装形和能够方便地安装到轴上的轴承安装形两种。通过与3种不同安装形状的电枢部件组合得到6种类型,可根据安装条件进行选择。

定子有能有效利用空间的法兰安装形和能够方便地安装到轴上的轴承安装形两种。通过与3种不同安装形状的电枢部件组合得到6种类型,可根据安装条件进行选择。
102(13·15·11) 型
【规格】
| 型号 | 尺寸 | 动摩擦转矩Td[N•m] | 线圈(20℃时) | 导线 | 耐热等级 | 最高转速[min-1] | 旋转部分转动惯量 J | 允许连接做功Eeaℓ[J] | 空隙再调整之前的总做功ET[J] | 电枢吸引时间ta[s] | 转矩上升时间tp[s] | 转矩消失时间td[s] | 质量[kg] | |||||
|---|---|---|---|---|---|---|---|---|---|---|---|---|---|---|---|---|---|---|
| 电压[V] | 功率[W] | 电流[A] | 电阻[Ω] | UL 样式 | 尺寸 | 电枢[kg・m2] | 转子[kg・m2] | |||||||||||
| 102-02-13 | 2 | 0.4 | DC24 | 6 | 0.25 | 96 | UL3398 | AWG26 | B | 10000 | 6.75×10-7 | 2.45×10-6 | 1500 | 2×106 | 0.009 | 0.019 | 0.017 | 0.075 |
| 102-02-15 | 2 | 0.4 | DC24 | 6 | 0.25 | 96 | UL3398 | AWG26 | B | 500 | 1.00×10-6 | 2.45×10-6 | 1500 | 2×106 | 0.009 | 0.019 | 0.017 | 0.081 |
| 102-02-11 | 2 | 0.4 | DC24 | 6 | 0.25 | 96 | UL3398 | AWG26 | B | 10000 | 1.00×10-6 | 2.45×10-6 | 1500 | 2×106 | 0.009 | 0.019 | 0.017 | 0.079 |
| 102-03-13 | 3 | 0.6 | DC24 | 6 | 0.25 | 96 | UL3398 | AWG26 | B | 10000 | 1.30×10-6 | 3.25×10-6 | 2300 | 3×106 | 0.009 | 0.022 | 0.02 | 0.096 |
| 102-03-15 | 3 | 0.6 | DC24 | 6 | 0.25 | 96 | UL3398 | AWG26 | B | 500 | 1.95×10-6 | 3.25×10-6 | 2300 | 3×106 | 0.009 | 0.022 | 0.02 | 0.105 |
| 102-03-11 | 3 | 0.6 | DC24 | 6 | 0.25 | 96 | UL3398 | AWG26 | B | 10000 | 1.95×10-6 | 3.25×10-6 | 2300 | 3×106 | 0.009 | 0.022 | 0.02 | 0.103 |
| 102-04-13 | 4 | 1.2 | DC24 | 8 | 0.33 | 72 | UL3398 | AWG26 | B | 10000 | 4.38×10-6 | 1.41×10-5 | 4500 | 6×106 | 0.011 | 0.028 | 0.03 | 0.178 |
| 102-04-15 | 4 | 1.2 | DC24 | 8 | 0.33 | 72 | UL3398 | AWG26 | B | 500 | 6.15×10-6 | 1.41×10-5 | 4500 | 6×106 | 0.011 | 0.028 | 0.03 | 0.195 |
| 102-04-11 | 4 | 1.2 | DC24 | 8 | 0.33 | 72 | UL3398 | AWG26 | B | 10000 | 6.15×10-6 | 1.41×10-5 | 4500 | 6×106 | 0.011 | 0.028 | 0.03 | 0.191 |
| 102-05-13 | 5 | 2.4 | DC24 | 10 | 0.42 | 58 | UL3398 | AWG22 | B | 10000 | 9.08×10-6 | 3.15×10-5 | 9000 | 9×106 | 0.012 | 0.031 | 0.04 | 0.31 |
| 102-05-15 | 5 | 2.4 | DC24 | 10 | 0.42 | 58 | UL3398 | AWG22 | B | 500 | 1.38×10-5 | 3.15×10-5 | 9000 | 9×106 | 0.012 | 0.031 | 0.04 | 0.335 |
| 102-05-11 | 5 | 2.4 | DC24 | 10 | 0.42 | 58 | UL3398 | AWG22 | B | 10000 | 1.38×10-5 | 3.15×10-5 | 9000 | 9×106 | 0.012 | 0.031 | 0.04 | 0.325 |
※动摩擦转矩Td 为相对速度100min-1时的数值。此外,根据初期转矩特性,可能需要进行试运转。
※请将电源电压变动控制在线圈电压±10%以内。另外,请注意不要使通电率超过80%。
※旋转部分转动惯量及质量为最大孔径时的数值。
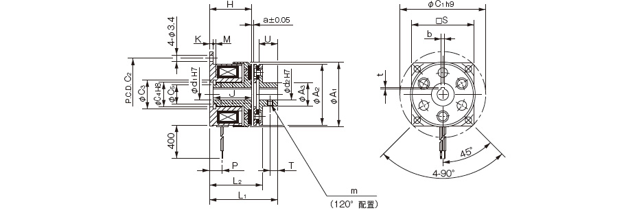
【尺寸】
102-□-13(用于直接安装)

| 尺寸 | 径向尺寸 | 轴向尺寸 | ||||||||||||||||||||
|---|---|---|---|---|---|---|---|---|---|---|---|---|---|---|---|---|---|---|---|---|---|---|
| A1 | A2 | A3 | A4 | C1 | C2 | C3 | C4 | C5 | S | V1 | V2 | V3 | Z | H | J | K | L | P | M | a | X | |
| 02 | 31 | 28 | 19.5 | 10.7 | 39 | 33.5 | 11.4 | 11 | 8 | - | 2-2.1 | 2-5.3 | 2-3.7 | 4-90° | 18 | 16.5 | 1.5 | 20.4 | 4.9 | 1.1 | 0.1 | 0.8 |
| 03 | 34 | 32 | 23 | 12.5 | 45 | 38 | 13.6 | 13 | 10 | 33 | 3-2.6 | 3-6 | 3-4.5 | 6-60° | 22.2 | 20.2 | 2 | 24.5 | 6.7 | 1.3 | 0.15 | 1.2 |
| 04 | 43 | 40 | 30 | 18.5 | 54 | 47 | 20 | 19 | 15.5 | 41 | 3-3.1 | 3-6 | 3-5 | 6-60° | 25.4 | 23.4 | 2 | 28.1 | 7.2 | 1.3 | 0.15 | 1.6 |
| 05 | 54 | 50 | 38 | 25.5 | 65 | 58 | 27.2 | 26 | 22 | 51 | 3-3.1 | 3-6.5 | 3-6 | 6-60° | 28.1 | 26.1 | 2 | 31.3 | 8.2 | 1.5 | 0.2 | 1.5 |
※02尺寸为圆法兰。
※02尺寸的转子没有键槽。请通过向轴压入等方式进行固定。
※关于安装方法等,请确认设计上的确认事项。
| 尺寸 | 轴孔尺寸 | ||||
|---|---|---|---|---|---|
| d1 H7 | 符合JIS标准 | 符合JIS旧标准 | |||
| b P9 | t | b P9 | t | ||
| 02 | 5 | - | - | - | - |
| 03 | 6 | 2-0.006-0.031 | 0.8+0.30 | - | - |
| 04 | 8 | 2-0.006-0.031 | 0.8+0.30 | - | - |
| 10 | 3-0.006-0.031 | 1.2+0.30 | 4+0.050+0.020 | 1.5+0.50 | |
| 05 | 10 | 3-0.006-0.031 | 1.2+0.30 | 4+0.050+0.020 | 1.5+0.50 |
| 15 | 5-0.012-0.042 | 2+0.50 | 5+0.050+0.020 | 2+0.50 | |

【尺寸】
102-□-15(用于直轴)

| 尺寸 | 径向尺寸 | 轴向尺寸 | ||||||||||||||||
|---|---|---|---|---|---|---|---|---|---|---|---|---|---|---|---|---|---|---|
| A1 | A2 | A3 | C1 | C2 | C3 | C4 | C5 | S | H | J | K | L1 | L2 | M | P | N1 | a | |
| 02 | 31 | 28 | 13 | 39 | 33.5 | 11.4 | 11 | 8 | - | 18 | 16.5 | 1.5 | 27.5 | 22.4 | 1.1 | 4.9 | 4.8 | 0.1 |
| 03 | 34 | 32 | 14 | 45 | 38 | 13.6 | 13 | 10 | 33 | 22.2 | 20.2 | 2 | 34.5 | 26.5 | 1.3 | 6.7 | 7.8 | 0.15 |
| 04 | 43 | 40 | 18 | 54 | 47 | 20 | 19 | 15.5 | 41 | 25.4 | 23.4 | 2 | 40.2 | 30.8 | 1.3 | 7.2 | 9.1 | 0.15 |
| 05 | 54 | 50 | 28 | 65 | 58 | 27.2 | 26 | 22 | 51 | 28.1 | 26.1 | 2 | 43.3 | 34.3 | 1.5 | 8.2 | 8.8 | 0.2 |
※02尺寸为圆法兰。
※02尺寸的转子没有键槽。请通过向轴压入等方式进行固定。
※关于安装方法等,请确认设计上的确认事项。
| 尺寸 | 轴孔尺寸 | |||||
|---|---|---|---|---|---|---|
| d1 H7 | d2 H7 | 符合JIS标准 | 符合JIS旧标准 | |||
| b P9 | t | b P9 | t | |||
| 02 | 5 | 5 | - | - | - | - |
| 03 | 6 | 6 | 2-0.006-0.031 | 0.8+0.30 | - | - |
| 04 | 8 | 8 | 2-0.006-0.031 | 0.8+0.30 | - | - |
| 10 | 10 | 3-0.006-0.031 | 1.2+0.30 | 4+0.050+0.020 | 1.5+0.50 | |
| 05 | 10 | 10 | 3-0.006-0.031 | 1.2+0.30 | 4+0.050+0.020 | 1.5+0.50 |
| 15 | 15 | 5-0.012-0.042 | 2+0.50 | 5+0.050+0.020 | 2+0.50 | |
※5型电枢的孔d2为直孔。

【尺寸】
102-□-11(用于对接轴)

| 尺寸 | 径向尺寸 | 轴向尺寸 | ||||||||||||||||||
|---|---|---|---|---|---|---|---|---|---|---|---|---|---|---|---|---|---|---|---|---|
| A1 | A2 | A3 | C1 | C2 | C3 | C4 | C5 | S | m | H | J | K | L1 | L2 | M | P | U | T | a | |
| 02 | 31 | 28 | 9.5 | 39 | 33.5 | 11.4 | 11 | 8 | - | M3 | 18 | 16.5 | 1.5 | 27.4 | 22.4 | 1.1 | 4.9 | 7 | 2.5 | 0.1 |
| 03 | 34 | 32 | 12 | 45 | 38 | 13.6 | 13 | 10 | 33 | 2-M3 | 22.2 | 20.2 | 2 | 34.5 | 26.5 | 1.3 | 6.7 | 10 | 4 | 0.15 |
| 04 | 43 | 40 | 17 | 54 | 47 | 20 | 19 | 15.5 | 41 | 2-M3 | 25.4 | 23.4 | 2 | 40.1 | 30.8 | 1.3 | 7.2 | 12 | 5 | 0.15 |
| 05 | 54 | 50 | 24 | 65 | 58 | 27.2 | 26 | 22 | 51 | 2-M4 | 28.1 | 26.1 | 2 | 43.3 | 34.3 | 1.5 | 8.2 | 12 | 5 | 0.2 |
※02尺寸为圆法兰。
※02尺寸的转子没有键槽。请通过向轴压入等方式进行固定。
※关于安装方法等,请确认设计上的确认事项。
| 尺寸 | 轴孔尺寸 | |||||
|---|---|---|---|---|---|---|
| d1 H7 | d2 H7 | 符合JIS标准 | 符合JIS旧标准 | |||
| b P9 | t | b P9 | t | |||
| 02 | 5 | 5 | - | - | - | - |
| 03 | 6 | 6 | 2-0.006-0.031 | 0.8+0.30 | - | - |
| 04 | 8 | 8 | 2-0.006-0.031 | 0.8+0.30 | - | - |
| 10 | 10 | 3-0.006-0.031 | 1.2+0.30 | 4+0.050+0.020 | 1.5+0.50 | |
| 05 | 10 | 10 | 3-0.006-0.031 | 1.2+0.30 | 4+0.050+0.020 | 1.5+0.50 |
| 15 | 15 | 5-0.012-0.042 | 2+0.50 | 5+0.050+0.020 | 2+0.50 | |

102(33·35·31) 型
【规格】
| 型号 | 尺寸 | 动摩擦转矩Td[N•m] | 线圈(20℃时) | 导线 | 耐热等级 | 最高转速[min-1] | 旋转部分转动惯量 J | 允许连接做功Eeaℓ[J] | 空隙再调整之前的总做功ET[J] | 电枢吸引时间ta[s] | 转矩上升时间tp[s] | 转矩消失时间td[s] | 质量[kg] | |||||
|---|---|---|---|---|---|---|---|---|---|---|---|---|---|---|---|---|---|---|
| 电压[V] | 功率[W] | 电流[A] | 电阻[Ω] | UL 样式 | 尺寸 | 电枢[kg・m2] | 转子[kg・m2] | |||||||||||
| 102-02-33 | 2 | 0.4 | DC24 | 6 | 0.25 | 96 | UL3398 | AWG26 | B | 500 | 6.75×10-7 | 2.75×10-6 | 1500 | 2×106 | 0.009 | 0.019 | 0.017 | 0.076 |
| 102-02-35 | 2 | 0.4 | DC24 | 6 | 0.25 | 96 | UL3398 | AWG26 | B | 500 | 1.00×10-6 | 2.75×10-6 | 1500 | 2×106 | 0.009 | 0.019 | 0.017 | 0.082 |
| 102-02-31 | 2 | 0.4 | DC24 | 6 | 0.25 | 96 | UL3398 | AWG26 | B | 500 | 1.00×10-6 | 2.75×10-6 | 1500 | 2×106 | 0.009 | 0.019 | 0.017 | 0.08 |
| 102-03-33 | 3 | 0.6 | DC24 | 6 | 0.25 | 96 | UL3398 | AWG26 | B | 500 | 1.30×10-6 | 4.08×10-6 | 2300 | 3×106 | 0.009 | 0.022 | 0.02 | 0.101 |
| 102-03-35 | 3 | 0.6 | DC24 | 6 | 0.25 | 96 | UL3398 | AWG26 | B | 500 | 1.95×10-6 | 4.08×10-6 | 2300 | 3×106 | 0.009 | 0.022 | 0.02 | 0.11 |
| 102-03-31 | 3 | 0.6 | DC24 | 6 | 0.25 | 96 | UL3398 | AWG26 | B | 500 | 1.95×10-6 | 4.08×10-6 | 2300 | 3×106 | 0.009 | 0.022 | 0.02 | 0.108 |
| 102-04-33 | 4 | 1.2 | DC24 | 8 | 0.33 | 72 | UL3398 | AWG26 | B | 500 | 4.38×10-6 | 1.44×10-5 | 4500 | 6×106 | 0.011 | 0.028 | 0.03 | 0.183 |
| 102-04-35 | 4 | 1.2 | DC24 | 8 | 0.33 | 72 | UL3398 | AWG26 | B | 500 | 6.15×10-6 | 1.44×10-5 | 4500 | 6×106 | 0.011 | 0.028 | 0.03 | 0.2 |
| 102-04-31 | 4 | 1.2 | DC24 | 8 | 0.33 | 72 | UL3398 | AWG26 | B | 500 | 6.15×10-6 | 1.44×10-5 | 4500 | 6×106 | 0.011 | 0.028 | 0.03 | 0.196 |
| 102-05-33 | 5 | 2.4 | DC24 | 10 | 0.42 | 58 | UL3398 | AWG22 | B | 500 | 9.08×10-6 | 2.90×10-5 | 9000 | 9×106 | 0.012 | 0.031 | 0.04 | 0.321 |
| 102-05-35 | 5 | 2.4 | DC24 | 10 | 0.42 | 58 | UL3398 | AWG22 | B | 500 | 1.38×10-5 | 2.90×10-5 | 9000 | 9×106 | 0.012 | 0.031 | 0.04 | 0.346 |
| 102-05-31 | 5 | 2.4 | DC24 | 10 | 0.42 | 58 | UL3398 | AWG22 | B | 500 | 1.38×10-5 | 2.90×10-5 | 9000 | 9×106 | 0.012 | 0.031 | 0.04 | 0.336 |
※动摩擦转矩Td为相对速度100min-1时的数值。此外,根据初期转矩特性,可能需要进行试运转。
※请将电源电压变动控制在线圈电压±10%以内。另外,请注意不要使通电率超过80%。
※旋转部分转动惯量及质量为最大孔径时的数值。
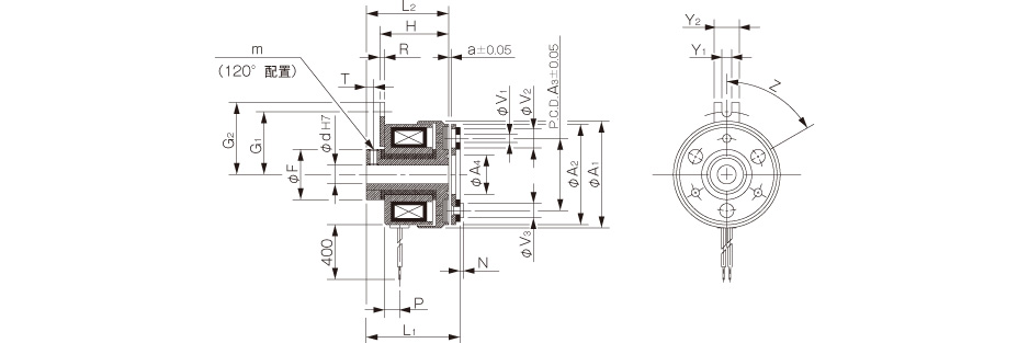
【尺寸】
102-□-33(用于直接安装)

| 尺寸 | 径向尺寸 | 轴向尺寸 | ||||||||||||||||||||
|---|---|---|---|---|---|---|---|---|---|---|---|---|---|---|---|---|---|---|---|---|---|---|
| A1 | A2 | A3 | A4 | F | V1 | V2 | V3 | G1 | G2 | Y1 | Y2 | Z | m | H | R | L1 | L2 | P | N | T | a | |
| 02 | 31 | 28 | 19.5 | 10.7 | 14 | 2-2.1 | 2-5.3 | 2-3.7 | 15.8 | 19.8 | 3.1 | 8 | 4-90° | 2-M3 | 19.1 | 1.2 | 25.9 | 23.5 | 4.9 | 0.8 | 2.5 | 0.1 |
| 03 | 34 | 32 | 23 | 12.5 | 16 | 3-2.6 | 3-6 | 3-4.5 | 20 | 23 | 3.1 | 8 | 6-60° | 2-M3 | 22 | 1.6 | 28.5 | 26.2 | 4.7 | 1.2 | 2.3 | 0.15 |
| 04 | 43 | 40 | 30 | 18.5 | 22 | 3-3.1 | 3-6 | 3-5 | 23 | 26 | 3.1 | 8 | 6-60° | 2-M4 | 25.2 | 1.6 | 33.1 | 30.4 | 5.2 | 1.5 | 2.8 | 0.15 |
| 05 | 54 | 50 | 38 | 25.5 | 30 | 3-3.1 | 3-6.5 | 3-6 | 28 | 31 | 3.1 | 8 | 6-60° | 2-M5 | 27.9 | 1.6 | 37.3 | 34.1 | 6.2 | 1.5 | 3.3 | 0.2 |
※关于安装方法等,请确认设计上的确认事项。
| 尺寸 | 轴孔尺寸 |
|---|---|
| d H7 | |
| 02 | 5 |
| 03 | 6 |
| 04 | 8 |
| 10 | |
| 05 | 10 |
| 15 |

【尺寸】
102-□-35(用于直轴)

| 尺寸 | 径向尺寸 | 轴向尺寸 | ||||||||||||||||
|---|---|---|---|---|---|---|---|---|---|---|---|---|---|---|---|---|---|---|
| A1 | A2 | A3 | F | G1 | G2 | Y1 | Y2 | m | H1 | H2 | R | L1 | L2 | P | N | T | a | |
| 02 | 31 | 28 | 13 | 14 | 15.8 | 20 | 3.1 | 8 | 2-M3 | 23.5 | 19.1 | 1.2 | 33 | 27.9 | 4.9 | 4.8 | 2.5 | 0.1 |
| 03 | 34 | 32 | 14 | 16 | 20 | 23 | 3.1 | 8 | 2-M3 | 26.2 | 22 | 1.6 | 38.5 | 30.5 | 4.7 | 7.8 | 2.3 | 0.15 |
| 04 | 43 | 40 | 18 | 22 | 23 | 26 | 3.1 | 8 | 2-M4 | 30.4 | 25.2 | 1.6 | 45.2 | 35.8 | 5.2 | 9.1 | 2.8 | 0.15 |
| 05 | 54 | 50 | 28 | 30 | 28 | 31 | 3.1 | 8 | 2-M5 | 34.1 | 27.9 | 1.6 | 49.3 | 0.3 | 6.2 | 8.8 | 3.3 | 0.2 |
※关于安装方法等,请确认设计上的确认事项。
| 尺寸 | 轴孔尺寸 | |
|---|---|---|
| d1 H7 | d2 H7 | |
| 02 | 5 | 5 |
| 03 | 6 | 6 |
| 04 | 8 | 8 |
| 10 | 10 | |
| 05 | 10 | 10 |
| 15 | 15 | |

【尺寸】
102-□-31(用于对接轴)

| 尺寸 | 径向尺寸 | 轴向尺寸 | ||||||||||||||||||
|---|---|---|---|---|---|---|---|---|---|---|---|---|---|---|---|---|---|---|---|---|
| A1 | A2 | A3 | F | G1 | G2 | Y1 | Y2 | m1 | m2 | H1 | H2 | R | L1 | L2 | P | U | T1 | T2 | a | |
| 02 | 31 | 28 | 9.5 | 14 | 15.8 | 20 | 3.1 | 8 | 2-M3 | M3 | 23.5 | 19.1 | 1.2 | 32.9 | 27.9 | 4.9 | 7 | 2.5 | 2.5 | 0.1 |
| 03 | 34 | 32 | 12 | 16 | 20 | 23 | 3.1 | 8 | 2-M3 | 2-M3 | 26.2 | 22 | 1.6 | 38.5 | 30.5 | 4.7 | 10 | 2.3 | 4 | 0.15 |
| 04 | 43 | 40 | 17 | 22 | 23 | 26 | 3.1 | 8 | 2-M4 | 2-M3 | 30.4 | 25.2 | 1.6 | 45.1 | 35.8 | 5.2 | 12 | 2.8 | 5 | 0.15 |
| 05 | 54 | 50 | 24 | 30 | 28 | 31 | 3.1 | 8 | 2-M5 | 2-M4 | 34.1 | 27.9 | 1.6 | 49.3 | 40.3 | 6.2 | 12 | 3.3 | 5 | 0.2 |
※关于安装方法等,请确认设计上的确认事项。
| 尺寸 | 轴孔尺寸 | |||||
|---|---|---|---|---|---|---|
| d1 H7 | d2 H7 | 符合JIS标准 | 符合JIS旧标准 | |||
| b P9 | t | b P9 | t | |||
| 02 | 5 | 5 | - | - | - | - |
| 03 | 6 | 6 | 2-0.006-0.031 | 0.8+0.30 | - | - |
| 04 | 8 | 8 | 2-0.006-0.031 | 0.8+0.30 | - | - |
| 10 | 10 | 3-0.006-0.031 | 1.2+0.30 | 4+0.050+0.020 | 1.5+0.50 | |
| 05 | 10 | 10 | 3-0.006-0.031 | 1.2+0.30 | 4+0.050+0.020 | 1.5+0.50 |
| 15 | 15 | 5-0.012-0.042 | 2+0.50 | 5+0.050+0.020 | 2+0.50 | |
※ 转子用孔d1 为直孔。
