SFF型

是采用钢材质主体的板簧式联轴器,扭转刚性极高,能够实现准确的轴旋转和超精密控制,为本公司联轴器产品种类中最适合于普通进给轴用途。备有高刚性的单元件型和通过隔板配置两个元件、具有灵活性的双元件型。

是采用钢材质主体的板簧式联轴器,扭转刚性极高,能够实现准确的轴旋转和超精密控制,为本公司联轴器产品种类中最适合于普通进给轴用途。备有高刚性的单元件型和通过隔板配置两个元件、具有灵活性的双元件型。
大直径对应摩擦连接
与以往型号的摩擦连接型相比,在套筒外周没有设置用于提高插入精度的导套,因此可以支持大直径轴。
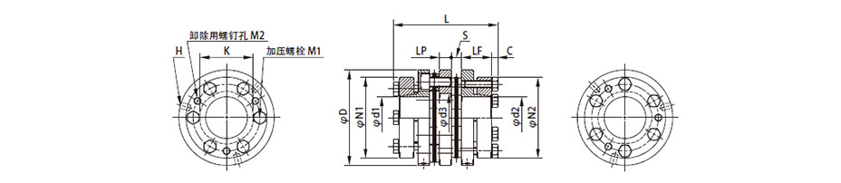
牢固的轴连接
采用摩擦连接方式安装到轴上,只需按顺序紧固法兰端面的加压螺栓即可得到较高的连接力。另外,法兰外周面的钻孔中插入圆棒等,在防止追随转动的同时,可以进行安装。
应对宽广的轴尺寸公差
轴的尺寸公差以h7级为基本,支持k6级、m6级、j6级等宽广的公差等级。
装配完成品
联轴器两侧的法兰使用高精度专用夹具进行装配,确保了高水平的同心度。可以为缩短客户的装配作业时间作出贡献。
洁净室兼容
它是一种洁净室兼容产品,可实现清洁清洁、组装(ISO 等级 6)和清洁包装。
SFF-□SS(夹紧方式)型
【规格】
| 型号 | 允许转矩 [N・m] | 允许误差 | 最高转速 [min-1] | 扭转弹性常数 [N・m/rad] | 轴向弹性常数 [N/mm] | 转动惯量 [kg・m2] | 质量 [kg] | ||
|---|---|---|---|---|---|---|---|---|---|
| 偏心 [mm] | 偏角 [°] | 轴向 [mm] | |||||||
| SFF-040SS-□B-□B-8N | 8 | 0.02 | 1 | ±0.2 | 18000 | 15000 | 174 | 0.03×10-3 | 0.17 |
| SFF-040SS-□B-□B-12N | 12 | 0.02 | 1 | ±0.2 | 18000 | 15000 | 174 | 0.03×10-3 | 0.17 |
| SFF-050SS-□B-□B-25N | 25 | 0.02 | 1 | ±0.3 | 18000 | 32000 | 145 | 0.10×10-3 | 0.36 |
| SFF-060SS-□B-□B-60N | 60 | 0.02 | 1 | ±0.3 | 18000 | 104000 | 399 | 0.22×10-3 | 0.52 |
| SFF-060SS-□B-□B-80N | 80 | 0.02 | 1 | ±0.3 | 18000 | 104000 | 399 | 0.23×10-3 | 0.49 |
| SFF-070SS-□B-□B-90N | 90 | 0.02 | 1 | ±0.5 | 18000 | 240000 | 484 | 0.40×10-3 | 0.72 |
| SFF-070SS-□B-□B-100N | 100 | 0.02 | 1 | ±0.5 | 18000 | 240000 | 484 | 0.42×10-3 | 0.67 |
| SFF-080SS-□B-□B-150N | 150 | 0.02 | 1 | ±0.5 | 17000 | 120000 | 96 | 0.79×10-3 | 1.04 |
| SFF-080SS-□B-□B-200N | 200 | 0.02 | 1 | ±0.5 | 17000 | 310000 | 546 | 1.25×10-3 | 1.40 |
| SFF-090SS-□B-□B-250N | 250 | 0.02 | 1 | ±0.6 | 15000 | 520000 | 321 | 1.54×10-3 | 1.62 |
| SFF-090SS-□B-□B-300N | 300 | 0.02 | 1 | ±0.6 | 15000 | 520000 | 321 | 1.58×10-3 | 1.53 |
| SFF-100SS-□B-□B-450N | 450 | 0.02 | 1 | ±0.65 | 13000 | 740000 | 540 | 3.27×10-3 | 2.53 |
| SFF-120SS-□B-□B-600N | 600 | 0.02 | 1 | ±0.8 | 11000 | 970000 | 360 | 6.90×10-3 | 3.78 |
※ 最高转速未考虑动平衡。
※ 转动惯量及质量为最大孔径时的数值。
※ 扭转弹性常数为单个元件的数值。
【尺寸】

| 型号 | d1[mm] | d2[mm] | D[mm] | L[mm] | N1・N2[mm] | LF[mm] | S[mm] | K[mm] | M1・M2 数量-公称 | M1・M2 紧固转矩 [N・m] |
|---|---|---|---|---|---|---|---|---|---|---|
| SFF-040SS-□B-□B-8N | 8・9・9.525 | 8・9・9.525・10・11・12・14・15・16 | 38 | 38.9 | 33 | 17.5 | 3.9 | 17 | 2-M4 | 3.4 |
| SFF-040SS-□B-□B-12N | 10・11・12・14・15・16 | 10・11・12・14・15・16 | 38 | 38.9 | 33 | 17.5 | 3.9 | 17 | 2-M4 | 3.4 |
| SFF-050SS-□B-□B-25N | 10・11・12・14・15・16・17・18・19 | 10・11・12・14・15・16・17・18・19 | 48 | 48.4 | 42 | 21.5 | 5.4 | 20 | 2-M5 | 7 |
| SFF-060SS-□B-□B-60N | 12・14・15・16・17・18・19 | 12・14・15・16・17・18・19・20・22 | 58 | 53.4 | 44 | 24 | 5.4 | 32 | 2-M6 | 14 |
| - | 24・25・28 | 58 | 53.4 | 48 | 24 | 5.4 | 32 | 2-M5 | 7 | |
| - | 30 | 58 | 53.4 | 52 | 24 | 5.4 | 32 | 2-M5 | 7 | |
| SFF-060SS-□B-□B-80N | 20・22 | 20・22 | 58 | 53.4 | 44 | 24 | 5.4 | 32 | 2-M6 | 14 |
| 24・25・28 | 24・25・28 | 58 | 53.4 | 48 | 24 | 5.4 | 32 | 2-M5 | 7 | |
| 30 | 30 | 58 | 53.4 | 52 | 24 | 5.4 | 32 | 2-M5 | 7 | |
| SFF-070SS-□B-□B-90N | 18・19 | 18・19・20・22・24・25 | 68 | 55.9 | 47 | 25 | 5.9 | 38 | 2-M6 | 14 |
| - | 28・30・32・35 | 68 | 55.9 | 56 | 25 | 5.9 | 38 | 2-M6 | 14 | |
| SFF-070SS-□B-□B-100N | 20・22・24・25 | 20・22・24・25 | 68 | 55.9 | 47 | 25 | 5.9 | 38 | 2-M6 | 14 |
| 28・30・32・35 | 28・30・32・35 | 68 | 55.9 | 56 | 25 | 5.9 | 38 | 2-M6 | 14 | |
| SFF-080SS-□B-□B-150N | 22・24・25 | 22・24・25 | 78 | 68.3 | 53 | 30 | 8.3 | 37 | 2-M8 | 34 |
| 28・30・32・35 | 28・30・32・35 | 78 | 68.3 | 56 | 30 | 8.3 | 37 | 2-M6 | 14 | |
| SFF-080SS-□B-□B-200N | 22・24・25 | 22・24・25 | 78 | 67.7 | 53 | 30 | 7.7 | 42 | 2-M8 | 34 |
| 28・30・32・35 | 28・30・32・35 | 78 | 67.7 | 70 | 30 | 7.7 | 42 | 2-M8 | 34 | |
| 38 | 38 | 78 | 67.7 | 74 | 30 | 7.7 | 42 | 2-M8 | 34 | |
| SFF-090SS-□B-□B-250N | 25・28 | 25・28・30・32 | 88 | 68.3 | 66 | 30 | 8.3 | 50 | 2-M8 | 34 |
| - | 35・38・40・42 | 88 | 68.3 | 74 | 30 | 8.3 | 50 | 2-M8 | 34 | |
| SFF-090SS-□B-□B-300N | 30・32 | 30・32 | 88 | 68.3 | 66 | 30 | 8.3 | 50 | 2-M8 | 34 |
| 35・38・40・42 | 35・38・40・42 | 88 | 68.3 | 74 | 30 | 8.3 | 50 | 2-M8 | 34 | |
| SFF-100SS-□B-□B-450N | 32・35・38・40・42・45・48 | 32・35・38・40・42・45・48 | 98 | 90.2 | 84 | 40 | 10.2 | 56 | 2-M10 | 68 |
| SFF-120SS-□B-□B-600N | 32・35・38・40・42・45 | 32・35・38・40・42・45 | 118 | 90.2 | 84 | 40 | 10.2 | 68 | 2-M10 | 68 |
| 48・50・55 | 48・50・55 | 118 | 90.2 | 100 | 40 | 10.2 | 68 | 2-M10 | 68 |
※ 夹紧螺栓M1、M2 的公称以数量- 螺丝公称表示,数量为单侧毂的数量。
【标准孔径】
| 型号 | 标准孔径 d1・d2[mm] | |||||||||||||||||||||||||||
|---|---|---|---|---|---|---|---|---|---|---|---|---|---|---|---|---|---|---|---|---|---|---|---|---|---|---|---|---|
| 公称 | 8 | 9 | 9.525 | 10 | 11 | 12 | 14 | 15 | 16 | 17 | 18 | 19 | 20 | 22 | 24 | 25 | 28 | 30 | 32 | 35 | 38 | 40 | 42 | 45 | 48 | 50 | 55 | |
| SFF-040SS-□B-□B-8N | d1 | ● | ● | ● | ||||||||||||||||||||||||
| d2 | ● | ● | ● | ● | ● | ● | ● | ● | ● | |||||||||||||||||||
| SFF-040SS-□B-□B-12N | d1 | ● | ● | ● | ● | ● | ● | |||||||||||||||||||||
| d2 | ● | ● | ● | ● | ● | ● | ||||||||||||||||||||||
| SFF-050SS-□B-□B-25N | d1 | ● | ● | ● | ● | ● | ● | ● | ● | ● | ||||||||||||||||||
| d2 | ● | ● | ● | ● | ● | ● | ● | ● | ● | |||||||||||||||||||
| SFF-060SS-□B-□B-60N | d1 | ● | ● | ● | ● | ● | ● | ● | ||||||||||||||||||||
| d2 | ● | ● | ● | ● | ● | ● | ● | ● | ● | ● | ● | ● | ● | |||||||||||||||
| SFF-060SS-□B-□B-80N | d1 | ● | ● | ● | ● | ● | ● | |||||||||||||||||||||
| d2 | ● | ● | ● | ● | ● | ● | ||||||||||||||||||||||
| SFF-070SS-□B-□B-90N | d1 | ● | ● | |||||||||||||||||||||||||
| d2 | ● | ● | ● | ● | ● | ● | ● | ● | ● | ● | ||||||||||||||||||
| SFF-070SS-□B-□B-100N | d1 | ● | ● | ● | ● | ● | ● | ● | ● | |||||||||||||||||||
| d2 | ● | ● | ● | ● | ● | ● | ● | ● | ||||||||||||||||||||
| SFF-080SS-□B-□B-150N | d1 | ● | ● | ● | ● | ● | ● | ● | ||||||||||||||||||||
| d2 | ● | ● | ● | ● | ● | ● | ● | |||||||||||||||||||||
| SFF-080SS-□B-□B-200N | d1 | ● | ● | ● | ● | ● | ● | ● | ● | |||||||||||||||||||
| d2 | ● | ● | ● | ● | ● | ● | ● | ● | ||||||||||||||||||||
| SFF-090SS-□B-□B-250N | d1 | ● | ● | |||||||||||||||||||||||||
| d2 | ● | ● | ● | ● | ● | ● | ● | ● | ||||||||||||||||||||
| SFF-090SS-□B-□B-300N | d1 | ● | ● | ● | ● | ● | ● | |||||||||||||||||||||
| d2 | ● | ● | ● | ● | ● | ● | ||||||||||||||||||||||
| SFF-100SS-□B-□B-450N | d1 | ● | ● | ● | ● | ● | ● | ● | ||||||||||||||||||||
| d2 | ● | ● | ● | ● | ● | ● | ● | |||||||||||||||||||||
| SFF-120SS-□B-□B-600N | d1 | ● | ● | ● | ● | ● | ● | ● | ● | ● | ||||||||||||||||||
| d2 | ● | ● | ● | ● | ● | ● | ● | ● | ● | |||||||||||||||||||
※ 有●标记栏内的孔径按标准处理。

SFF-□SS(楔形紧固方式)型
【规格】
| 型号 | 允许转矩 [N・m] | 允许误差 | 最高转速 [min-1] | 扭转弹性常数 [N・m/rad] | 轴向弹性常数 [N/mm] | 转动惯量 [kg・m2] | 质量 [kg] | ||
|---|---|---|---|---|---|---|---|---|---|
| 偏心 [mm] | 偏角 [°] | 轴向 [mm] | |||||||
| SFF-070SS-□K-□K-100N | 100 | 0.02 | 1 | ±0.5 | 18000 | 240000 | 484 | 0.66×10-3 | 0.92 |
| SFF-080SS-□K-□K-150N | 150 | 0.02 | 1 | ±0.5 | 17000 | 120000 | 96 | 1.21×10-3 | 1.03 |
| SFF-080SS-□K-□K-200N | 200 | 0.02 | 1 | ±0.5 | 17000 | 310000 | 546 | 1.11×10-3 | 1.26 |
| SFF-090SS-□K-□K-300N | 300 | 0.02 | 1 | ±0.6 | 15000 | 520000 | 321 | 1.75×10-3 | 1.48 |
| SFF-100SS-□K-□K-450N | 450 | 0.02 | 1 | ±0.65 | 13000 | 740000 | 540 | 2.56×10-3 | 1.87 |
| SFF-120SS-□K-□K-600N | 600 | 0.02 | 1 | ±0.8 | 11000 | 970000 | 360 | 5.33×10-3 | 2.50 |
| SFF-140SS-□K-□K-800N | 800 | 0.02 | 1 | ±1.0 | 10000 | 1400000 | 360 | 10.28×10-3 | 4.66 |
| SFF-140SS-□K-□K-1000N | 1000 | 0.02 | 1 | ±1.0 | 10000 | 1400000 | 360 | 14.70×10-3 | 5.01 |
※ 最高转速未考虑动平衡。
※ 转动惯量及质量为最大孔径时的数值。
※ 扭转弹性常数为单个元件的数值。
【尺寸】

| 型号 | d1[mm] | d2[mm] | D[mm] | L[mm] | N1・N2[mm] | LF[mm] | S[mm] | C[mm] | K[mm] | H[mm] | M1 数量-公称 | M1 紧固转矩 [N・m] | M2 数量-公称 |
|---|---|---|---|---|---|---|---|---|---|---|---|---|---|
| SFF-070SS-□K-□K-100N | 18・19 | 18・19 | 68 | 62.9 | 53 | 23.5 | 5.9 | 5 | 38 | 3-5.1 | 6-M6 | 10 | 3-M6 |
| 20・22・24・25 | 20・22・24・25 | 68 | 62.9 | 58 | 23.5 | 5.9 | 5 | 38 | 3-5.1 | 6-M6 | 10 | 3-M6 | |
| 28・30 | 28・30 | 68 | 62.9 | 63 | 23.5 | 5.9 | 5 | 38 | 3-5.1 | 6-M6 | 10 | 3-M6 | |
| 32・35 | 32・35 | 68 | 62.9 | 68 | 23.5 | 5.9 | 5 | 38 | 3-5.1 | 6-M6 | 10 | 3-M6 | |
| SFF-080SS-□K-□K-150N | 22・24・25 | 22・24・25 | 78 | 69.3 | 58 | 25.5 | 8.3 | 5 | 37 | 4-5.1 | 4-M6 | 10 | 2-M6 |
| 28・30 | 28・30 | 78 | 69.3 | 63 | 25.5 | 8.3 | 5 | 37 | 4-5.1 | 4-M6 | 10 | 2-M6 | |
| 32・35 | 32・35 | 78 | 69.3 | 68 | 25.5 | 8.3 | 5 | 37 | 4-5.1 | 4-M6 | 10 | 2-M6 | |
| - | 38 | 78 | 69.3 | 73 | 25.5 | 8.3 | 5 | 37 | 4-5.1 | 4-M6 | 10 | 2-M6 | |
| SFF-080SS-□K-□K-200N | 22・24・25 | 22・24・25 | 78 | 68.7 | 58 | 25.5 | 7.7 | 5 | 42 | 3-5.1 | 6-M6 | 10 | 3-M6 |
| 28・30 | 28・30 | 78 | 68.7 | 63 | 25.5 | 7.7 | 5 | 42 | 3-5.1 | 6-M6 | 10 | 3-M6 | |
| 32・35 | 32・35 | 78 | 68.7 | 68 | 25.5 | 7.7 | 5 | 42 | 3-5.1 | 6-M6 | 10 | 3-M6 | |
| 38 | 38 | 78 | 68.7 | 73 | 25.5 | 7.7 | 5 | 42 | 3-5.1 | 6-M6 | 10 | 3-M6 | |
| SFF-090SS-□K-□K-300N | 28・30 | 28・30 | 88 | 69.3 | 63 | 25.5 | 8.3 | 5 | 50 | 3-6.8 | 6-M6 | 10 | 3-M6 |
| 32・35 | 32・35 | 88 | 69.3 | 68 | 25.5 | 8.3 | 5 | 50 | 3-6.8 | 6-M6 | 10 | 3-M6 | |
| 38・40・42 | 38・40・42 | 88 | 69.3 | 73 | 25.5 | 8.3 | 5 | 50 | 3-6.8 | 6-M6 | 10 | 3-M6 | |
| 45 | 45 | 88 | 69.3 | 78 | 25.5 | 8.3 | 5 | 50 | 3-6.8 | 6-M6 | 10 | 3-M6 | |
| 48 | 48 | 88 | 69.3 | 83 | 25.5 | 8.3 | 5 | 50 | 3-6.8 | 6-M6 | 10 | 3-M6 | |
| SFF-100SS-□K-□K-450N | 32・35 | 32・35 | 98 | 75.2 | 68 | 27.5 | 10.2 | 5 | 56 | 3-6.8 | 6-M6 | 10 | 3-M6 |
| 38・40・42 | 38・40・42 | 98 | 75.2 | 73 | 27.5 | 10.2 | 5 | 56 | 3-6.8 | 6-M6 | 10 | 3-M6 | |
| 45 | 45 | 98 | 75.2 | 78 | 27.5 | 10.2 | 5 | 56 | 3-6.8 | 6-M6 | 10 | 3-M6 | |
| 48・50 | 48・50 | 98 | 75.2 | 83 | 27.5 | 10.2 | 5 | 56 | 3-6.8 | 6-M6 | 10 | 3-M6 | |
| SFF-120SS-□K-□K-600N | 35 | 35 | 118 | 75.2 | 68 | 27.5 | 10.2 | 5 | 68 | 3-6.8 | 6-M6 | 10 | 3-M6 |
| 38・40・42 | 38・40・42 | 118 | 75.2 | 73 | 27.5 | 10.2 | 5 | 68 | 3-6.8 | 6-M6 | 10 | 3-M6 | |
| 45 | 45 | 118 | 75.2 | 78 | 27.5 | 10.2 | 5 | 68 | 3-6.8 | 6-M6 | 10 | 3-M6 | |
| 48・50・52 | 48・50・52 | 118 | 75.2 | 83 | 27.5 | 10.2 | 5 | 68 | 3-6.8 | 6-M6 | 10 | 3-M6 | |
| 55 | 55 | 118 | 75.2 | 88 | 27.5 | 10.2 | 5 | 68 | 3-6.8 | 6-M6 | 10 | 3-M6 | |
| 60・62・65 | 60・62・65 | 118 | 75.2 | 98 | 27.5 | 10.2 | 5 | 68 | 3-6.8 | 6-M6 | 10 | 3-M6 | |
| - | 70 | 118 | 75.2 | 108 | 27.5 | 10.2 | 5 | 68 | 3-6.8 | 6-M6 | 10 | 3-M6 | |
| SFF-140SS-□K-□K-800N | 35・38 | 35・38 | 138 | 94.6 | 83 | 36.5 | 10.6 | 5.5 | 78 | 3-8.6 | 6-M8 | 24 | 3-M8 |
| 40・42・45 | 40・42・45 | 138 | 94.6 | 88 | 36.5 | 10.6 | 5.5 | 78 | 3-8.6 | 6-M8 | 24 | 3-M8 | |
| - | 48・50・52 | 138 | 94.6 | 98 | 36.5 | 10.6 | 5.5 | 78 | 3-8.6 | 6-M8 | 24 | 3-M8 | |
| - | 55・60 | 138 | 94.6 | 108 | 36.5 | 10.6 | 5.5 | 78 | 3-8.6 | 6-M8 | 24 | 3-M8 | |
| - | 62・65・70 | 138 | 94.6 | 118 | 36.5 | 10.6 | 5.5 | 78 | 3-8.6 | 6-M8 | 24 | 3-M8 | |
| - | 75・80 | 138 | 94.6 | 128 | 36.5 | 10.6 | 5.5 | 78 | 3-8.6 | 6-M8 | 24 | 3-M8 | |
| SFF-140SS-□K-□K-1000N | 48・50・52 | 48・50・52 | 138 | 94.6 | 98 | 36.5 | 10.6 | 5.5 | 78 | 3-8.6 | 6-M8 | 24 | 3-M8 |
| 55・60 | 55・60 | 138 | 94.6 | 108 | 36.5 | 10.6 | 5.5 | 78 | 3-8.6 | 6-M8 | 24 | 3-M8 | |
| 62・65・70 | 62・65・70 | 138 | 94.6 | 118 | 36.5 | 10.6 | 5.5 | 78 | 3-8.6 | 6-M8 | 24 | 3-M8 | |
| 75 | 75・80 | 138 | 94.6 | 128 | 36.5 | 10.6 | 5.5 | 78 | 3-8.6 | 6-M8 | 24 | 3-M8 |
※ 加压螺栓 M1・和卸除用螺钉孔 M2 公称为数量 - 螺钉公称。H•M1•M2 的数量是单侧毂的数量。
【标准孔径】
| 型号 | 标准孔径 d1・d2[mm] | ||||||||||||||||||||||||
|---|---|---|---|---|---|---|---|---|---|---|---|---|---|---|---|---|---|---|---|---|---|---|---|---|---|
| 公称 | 18 | 19 | 20 | 22 | 24 | 25 | 28 | 30 | 32 | 35 | 38 | 40 | 42 | 45 | 48 | 50 | 52 | 55 | 60 | 62 | 65 | 70 | 75 | 80 | |
| SFF-070SS-□K-□K-100N | d1 | ● | ● | ● | ● | ● | ● | ● | ● | ● | ● | ||||||||||||||
| d2 | ● | ● | ● | ● | ● | ● | ● | ● | ● | ● | |||||||||||||||
| SFF-080SS-□K-□K-150N | d1 | ● | ● | ● | ● | ● | ● | ● | |||||||||||||||||
| d2 | ● | ● | ● | ● | ● | ● | ● | ● | |||||||||||||||||
| SFF-080SS-□K-□K-200N | d1 | ● | ● | ● | ● | ● | ● | ● | ● | ||||||||||||||||
| d2 | ● | ● | ● | ● | ● | ● | ● | ● | |||||||||||||||||
| SFF-090SS-□K-□K-300N | d1 | ● | ● | ● | ● | ● | ● | ● | ● | ● | |||||||||||||||
| d2 | ● | ● | ● | ● | ● | ● | ● | ● | ● | ||||||||||||||||
| SFF-100SS-□K-□K-450N | d1 | ● | ● | ● | ● | ● | ● | ● | ● | ||||||||||||||||
| d2 | ● | ● | ● | ● | ● | ● | ● | ● | |||||||||||||||||
| SFF-120SS-□K-□K-600N | d1 | ● | ● | ● | ● | ● | ● | ● | ● | ● | ● | ● | ● | ||||||||||||
| d2 | ● | ● | ● | ● | ● | ● | ● | ● | ● | ● | ● | ● | ● | ||||||||||||
| SFF-140SS-□K-□K-800N | d1 | ● | ● | ● | ● | ● | |||||||||||||||||||
| d2 | ● | ● | ● | ● | ● | ● | ● | ● | ● | ● | ● | ● | ● | ● | ● | ||||||||||
| SFF-140SS-□K-□K-1000N | d1 | ● | ● | ● | ● | ● | ● | ● | ● | ● | |||||||||||||||
| d2 | ● | ● | ● | ● | ● | ● | ● | ● | ● | ● | |||||||||||||||
※ 有●标记栏内的孔径按标准处理。

SFF-□DS(夹紧方式)型
【规格】
| 型号 | 允许转矩 [N・m] | 允许误差 | 最高转速 [min-1] | 扭转弹性常数 [N・m/rad] | 轴向弹性常数 [N/mm] | 转动惯量 [kg・m2] | 质量 [kg] | ||
|---|---|---|---|---|---|---|---|---|---|
| 偏心 [mm] | 偏角 [°] | 轴向 [mm] | |||||||
| SFF-040DS-□B-□B-8N | 8 | 0.10 | 1 (片側) | ±0.4 | 14000 | 7500 | 87 | 0.04×10-3 | 0.22 |
| SFF-040DS-□B-□B-12N | 12 | 0.10 | 1 (片側) | ±0.4 | 14000 | 7500 | 87 | 0.04×10-3 | 0.22 |
| SFF-050DS-□B-□B-25N | 25 | 0.20 | 1 (片側) | ±0.6 | 14000 | 16000 | 72.5 | 0.13×10-3 | 0.46 |
| SFF-060DS-□B-□B-60N | 60 | 0.20 | 1 (片側) | ±0.6 | 14000 | 52000 | 199.5 | 0.28×10-3 | 0.64 |
| SFF-060DS-□B-□B-80N | 80 | 0.20 | 1 (片側) | ±0.6 | 14000 | 52000 | 199.5 | 0.29×10-3 | 0.61 |
| SFF-070DS-□B-□B-90N | 90 | 0.25 | 1 (片側) | ±1.0 | 14000 | 120000 | 242 | 0.53×10-3 | 0.90 |
| SFF-070DS-□B-□B-100N | 100 | 0.25 | 1 (片側) | ±1.0 | 14000 | 120000 | 242 | 0.55×10-3 | 0.85 |
| SFF-080DS-□B-□B-150N | 150 | 0.32 | 1 (片側) | ±1.0 | 13000 | 60000 | 48 | 1.10×10-3 | 1.37 |
| SFF-080DS-□B-□B-200N | 200 | 0.31 | 1 (片側) | ±1.0 | 13000 | 155000 | 273 | 1.50×10-3 | 1.72 |
| SFF-090DS-□B-□B-250N | 250 | 0.32 | 1 (片側) | ±1.2 | 12000 | 260000 | 160.5 | 2.03×10-3 | 2.02 |
| SFF-090DS-□B-□B-300N | 300 | 0.32 | 1 (片側) | ±1.2 | 12000 | 260000 | 160.5 | 2.10×10-3 | 1.92 |
| SFF-100DS-□B-□B-450N | 450 | 0.38 | 1 (片側) | ±1.3 | 10000 | 370000 | 270 | 4.18×10-3 | 3.12 |
| SFF-120DS-□B-□B-600N | 600 | 0.38 | 1 (片側) | ±1.6 | 9000 | 485000 | 180 | 8.87×10-3 | 4.60 |
※ 最高转速未考虑动平衡。
※ 转动惯量及质量为最大孔径时的数值。
※ 扭转弹性常数为单个元件的数值。
【尺寸】

| 型号 | d1 [mm] | d2 [mm] | D [mm] | L [mm] | N1・N2 [mm] | LF [mm] | LP [mm] | S [mm] | d3 [mm] | K [mm] | M1・M2 数量-公称 | M1・M2 紧固转矩 [N・m] |
|---|---|---|---|---|---|---|---|---|---|---|---|---|
| SFF-040DS-□B-□B-8N | 8・9・9.525 | 8・9・9.525・10・11・12・14・15・16 | 38 | 48.8 | 33 | 17.5 | 6 | 3.9 | 17 | 17 | 2-M4 | 3.4 |
| SFF-040DS-□B-□B-12N | 10・11・12・14・15・16 | 10・11・12・14・15・16 | 38 | 48.8 | 33 | 17.5 | 6 | 3.9 | 17 | 17 | 2-M4 | 3.4 |
| SFF-050DS-□B-□B-25N | 10・11・12・14・15・16・17・18・19 | 10・11・12・14・15・16・17・18・19 | 48 | 60.8 | 42 | 21.5 | 7 | 5.4 | 20 | 20 | 2-M5 | 7 |
| SFF-060DS-□B-□B-60N | 12・14・15・16・17・18・19 | 12・14・15・16・17・18・19・20・22 | 58 | 65.8 | 44 | 24 | 7 | 5.4 | 31 | 32 | 2-M6 | 14 |
| - | 24・25・28 | 58 | 65.8 | 48 | 24 | 7 | 5.4 | 31 | 32 | 2-M5 | 7 | |
| - | 30 | 58 | 65.8 | 52 | 24 | 7 | 5.4 | 31 | 32 | 2-M5 | 7 | |
| SFF-060DS-□B-□B-80N | 20・22 | 20・22 | 58 | 65.8 | 44 | 24 | 7 | 5.4 | 31 | 32 | 2-M6 | 14 |
| 24・25・28 | 24・25・28 | 58 | 65.8 | 48 | 24 | 7 | 5.4 | 31 | 32 | 2-M5 | 7 | |
| 30 | 30 | 58 | 65.8 | 52 | 24 | 7 | 5.4 | 31 | 32 | 2-M5 | 7 | |
| SFF-070DS-□B-□B-90N | 18・19 | 18・19・20・22・24・25 | 68 | 69.8 | 47 | 25 | 8 | 5.9 | 37 | 38 | 2-M6 | 14 |
| - | 28・30・32・35 | 68 | 69.8 | 56 | 25 | 8 | 5.9 | 37 | 38 | 2-M6 | 14 | |
| SFF-070DS-□B-□B-100N | 20・22・24・25 | 20・22・24・25 | 68 | 69.8 | 47 | 25 | 8 | 5.9 | 37 | 38 | 2-M6 | 14 |
| 28・30・32・35 | 28・30・32・35 | 68 | 69.8 | 56 | 25 | 8 | 5.9 | 37 | 38 | 2-M6 | 14 | |
| SFF-080DS-□B-□B-150N | 22・24・25 | 22・24・25 | 78 | 86.6 | 53 | 30 | 10 | 8.3 | 40 | 37 | 2-M8 | 34 |
| 28・30・32・35 | 28・30・32・35 | 78 | 86.6 | 56 | 30 | 10 | 8.3 | 40 | 37 | 2-M6 | 14 | |
| SFF-080DS-□B-□B-200N | 22・24・25 | 22・24・25 | 78 | 85.4 | 53 | 30 | 10 | 7.7 | 40 | 42 | 2-M8 | 34 |
| 28・30・32・35 | 28・30・32・35 | 78 | 85.4 | 70 | 30 | 10 | 7.7 | 40 | 42 | 2-M8 | 34 | |
| 38 | 38 | 78 | 85.4 | 74 | 30 | 10 | 7.7 | 40 | 42 | 2-M8 | 34 | |
| SFF-090DS-□B-□B-250N | 25・28 | 25・28・30・32 | 88 | 86.6 | 66 | 30 | 10 | 8.3 | 50 | 50 | 2-M8 | 34 |
| - | 35・38・40・42 | 88 | 86.6 | 74 | 30 | 10 | 8.3 | 50 | 50 | 2-M8 | 34 | |
| SFF-090DS-□B-□B-300N | 30・32 | 30・32 | 88 | 86.6 | 66 | 30 | 10 | 8.3 | 50 | 50 | 2-M8 | 34 |
| 35・38・40・42 | 35・38・40・42 | 88 | 86.6 | 74 | 30 | 10 | 8.3 | 50 | 50 | 2-M8 | 34 | |
| SFF-100DS-□B-□B-450N | 32・35・38・40・42・45・48 | 32・35・38・40・42・45・48 | 98 | 112.4 | 84 | 40 | 12 | 10.2 | 52 | 56 | 2-M10 | 68 |
| SFF-120DS-□B-□B-600N | 32・35・38・40・42・45 | 32・35・38・40・42・45 | 118 | 112.4 | 84 | 40 | 12 | 10.2 | 72 | 68 | 2-M10 | 68 |
| 48・50・55 | 48・50・55 | 118 | 112.4 | 100 | 40 | 12 | 10.2 | 72 | 68 | 2-M10 | 68 |
※ 夹紧螺栓M1、M2 的公称以数量- 螺丝公称表示,数量为单侧毂的数量。
【标准孔径】
| 型号 | 标准孔径 d1・d2[mm] | |||||||||||||||||||||||||||
|---|---|---|---|---|---|---|---|---|---|---|---|---|---|---|---|---|---|---|---|---|---|---|---|---|---|---|---|---|
| 公称 | 8 | 9 | 9.525 | 10 | 11 | 12 | 14 | 15 | 16 | 17 | 18 | 19 | 20 | 22 | 24 | 25 | 28 | 30 | 32 | 35 | 38 | 40 | 42 | 45 | 48 | 50 | 55 | |
| SFF-040DS-□B-□B-8N | d1 | ● | ● | ● | ||||||||||||||||||||||||
| d2 | ● | ● | ● | ● | ● | ● | ● | ● | ● | |||||||||||||||||||
| SFF-040DS-□B-□B-12N | d1 | ● | ● | ● | ● | ● | ● | |||||||||||||||||||||
| d2 | ● | ● | ● | ● | ● | ● | ||||||||||||||||||||||
| SFF-050DS-□B-□B-25N | d1 | ● | ● | ● | ● | ● | ● | ● | ● | ● | ||||||||||||||||||
| d2 | ● | ● | ● | ● | ● | ● | ● | ● | ● | |||||||||||||||||||
| SFF-060DS-□B-□B-60N | d1 | ● | ● | ● | ● | ● | ● | ● | ||||||||||||||||||||
| d2 | ● | ● | ● | ● | ● | ● | ● | ● | ● | ● | ● | ● | ● | |||||||||||||||
| SFF-060DS-□B-□B-80N | d1 | ● | ● | ● | ● | ● | ● | |||||||||||||||||||||
| d2 | ● | ● | ● | ● | ● | ● | ||||||||||||||||||||||
| SFF-070DS-□B-□B-90N | d1 | ● | ● | |||||||||||||||||||||||||
| d2 | ● | ● | ● | ● | ● | ● | ● | ● | ● | ● | ||||||||||||||||||
| SFF-070DS-□B-□B-100N | d1 | ● | ● | ● | ● | ● | ● | ● | ● | |||||||||||||||||||
| d2 | ● | ● | ● | ● | ● | ● | ● | ● | ||||||||||||||||||||
| SFF-080DS-□B-□B-150N | d1 | ● | ● | ● | ● | ● | ● | ● | ||||||||||||||||||||
| d2 | ● | ● | ● | ● | ● | ● | ● | |||||||||||||||||||||
| SFF-080DS-□B-□B-200N | d1 | ● | ● | ● | ● | ● | ● | ● | ● | |||||||||||||||||||
| d2 | ● | ● | ● | ● | ● | ● | ● | ● | ||||||||||||||||||||
| SFF-090DS-□B-□B-250N | d1 | ● | ● | |||||||||||||||||||||||||
| d2 | ● | ● | ● | ● | ● | ● | ● | ● | ||||||||||||||||||||
| SFF-090DS-□B-□B-300N | d1 | ● | ● | ● | ● | ● | ● | |||||||||||||||||||||
| d2 | ● | ● | ● | ● | ● | ● | ||||||||||||||||||||||
| SFF-100DS-□B-□B-450N | d1 | ● | ● | ● | ● | ● | ● | ● | ||||||||||||||||||||
| d2 | ● | ● | ● | ● | ● | ● | ● | |||||||||||||||||||||
| SFF-120DS-□B-□B-600N | d1 | ● | ● | ● | ● | ● | ● | ● | ● | ● | ||||||||||||||||||
| d2 | ● | ● | ● | ● | ● | ● | ● | ● | ● | |||||||||||||||||||
※ 有●标记栏内的孔径按标准处理。

SFF-□DS(楔形紧固方式)型
【规格】
| 型号 | 允许转矩 [N・m] | 允许误差 | 最高转速 [min-1] | 扭转弹性常数 [N・m/rad] | 轴向弹性常数 [N/mm] | 转动惯量 [kg・m2] | 质量 [kg] | ||
|---|---|---|---|---|---|---|---|---|---|
| 偏心 [mm] | 偏角 [°] | 轴向 [mm] | |||||||
| SFF-070DS-□K-□K-100N | 100 | 0.25 | 1 (片側) | ±1.0 | 14000 | 120000 | 242 | 0.80×10-3 | 1.10 |
| SFF-080DS-□K-□K-150N | 150 | 0.32 | 1 (片側) | ±1.0 | 13000 | 60000 | 48 | 1.36×10-3 | 1.56 |
| SFF-080DS-□K-□K-200N | 200 | 0.31 | 1 (片側) | ±1.0 | 13000 | 155000 | 273 | 1.42×10-3 | 1.60 |
| SFF-090DS-□K-□K-300N | 300 | 0.32 | 1 (片側) | ±1.2 | 12000 | 260000 | 160.5 | 2.24×10-3 | 1.87 |
| SFF-100DS-□K-□K-450N | 450 | 0.38 | 1 (片側) | ±1.3 | 10000 | 370000 | 270 | 3.51×10-3 | 2.49 |
| SFF-120DS-□K-□K-600N | 600 | 0.38 | 1 (片側) | ±1.6 | 9000 | 485000 | 180 | 7.17×10-3 | 3.29 |
| SFF-140DS-□K-□K-800N | 800 | 0.44 | 1 (片側) | ±2.0 | 8000 | 700000 | 180 | 14.68×10-3 | 6.05 |
| SFF-140DS-□K-□K-1000N | 1000 | 0.44 | 1 (片側) | ±2.0 | 8000 | 700000 | 180 | 19.11×10-3 | 6.39 |
※ 最高转速未考虑动平衡。
※ 转动惯量及质量为最大孔径时的数值。
※ 扭转弹性常数为单个元件的数值。
【尺寸】

| 型号 | d1[mm] | d2[mm] | D[mm] | L[mm] | N1・N2[mm] | LF[mm] | LP[mm] | S[mm] | C[mm] | d3[mm] | K[mm] | H[mm] | M1 数量-公称 | M1 紧固转矩 [N・m] | M2 数量-公称 |
|---|---|---|---|---|---|---|---|---|---|---|---|---|---|---|---|
| SFF-070DS-□K-□K-100N | 18・19 | 18・19 | 68 | 76.8 | 53 | 23.5 | 8 | 5.9 | 5 | 37 | 38 | 3-5.1 | 6-M6 | 10 | 3-M6 |
| 20・22・24・25 | 20・22・24・25 | 68 | 76.8 | 58 | 23.5 | 8 | 5.9 | 5 | 37 | 38 | 3-5.1 | 6-M6 | 10 | 3-M6 | |
| 28・30 | 28・30 | 68 | 76.8 | 63 | 23.5 | 8 | 5.9 | 5 | 37 | 38 | 3-5.1 | 6-M6 | 10 | 3-M6 | |
| 32・35 | 32・35 | 68 | 76.8 | 68 | 23.5 | 8 | 5.9 | 5 | 37 | 38 | 3-5.1 | 6-M6 | 10 | 3-M6 | |
| SFF-080DS-□K-□K-150N | 22・24・25 | 22・24・25 | 78 | 87.6 | 58 | 25.5 | 10 | 8.3 | 5 | 40 | 37 | 4-5.1 | 4-M6 | 10 | 2-M6 |
| 28・30 | 28・30 | 78 | 87.6 | 63 | 25.5 | 10 | 8.3 | 5 | 40 | 37 | 4-5.1 | 4-M6 | 10 | 2-M6 | |
| 32・35 | 32・35 | 78 | 87.6 | 68 | 25.5 | 10 | 8.3 | 5 | 40 | 37 | 4-5.1 | 4-M6 | 10 | 2-M6 | |
| - | 38 | 78 | 87.6 | 73 | 25.5 | 10 | 8.3 | 5 | 40 | 37 | 4-5.1 | 4-M6 | 10 | 2-M6 | |
| SFF-080DS-□K-□K-200N | 22・24・25 | 22・24・25 | 78 | 86.4 | 58 | 25.5 | 10 | 7.7 | 5 | 40 | 42 | 3-5.1 | 6-M6 | 10 | 3-M6 |
| 28・30 | 28・30 | 78 | 86.4 | 63 | 25.5 | 10 | 7.7 | 5 | 40 | 42 | 3-5.1 | 6-M6 | 10 | 3-M6 | |
| 32・35 | 32・35 | 78 | 86.4 | 68 | 25.5 | 10 | 7.7 | 5 | 40 | 42 | 3-5.1 | 6-M6 | 10 | 3-M6 | |
| 38 | 38 | 78 | 86.4 | 73 | 25.5 | 10 | 7.7 | 5 | 40 | 42 | 3-5.1 | 6-M6 | 10 | 3-M6 | |
| SFF-090DS-□K-□K-300N | 28・30 | 28・30 | 88 | 87.6 | 63 | 25.5 | 10 | 8.3 | 5 | 50 | 50 | 3-6.8 | 6-M6 | 10 | 3-M6 |
| 32・35 | 32・35 | 88 | 87.6 | 68 | 25.5 | 10 | 8.3 | 5 | 50 | 50 | 3-6.8 | 6-M6 | 10 | 3-M6 | |
| 38・40・42 | 38・40・42 | 88 | 87.6 | 73 | 25.5 | 10 | 8.3 | 5 | 50 | 50 | 3-6.8 | 6-M6 | 10 | 3-M6 | |
| 45 | 45 | 88 | 87.6 | 78 | 25.5 | 10 | 8.3 | 5 | 50 | 50 | 3-6.8 | 6-M6 | 10 | 3-M6 | |
| 48 | 48 | 88 | 87.6 | 83 | 25.5 | 10 | 8.3 | 5 | 50 | 50 | 3-6.8 | 6-M6 | 10 | 3-M6 | |
| SFF-100DS-□K-□K-450N | 32・35 | 32・35 | 98 | 97.4 | 68 | 27.5 | 12 | 10.2 | 5 | 52 | 56 | 3-6.8 | 6-M6 | 10 | 3-M6 |
| 38・40・42 | 38・40・42 | 98 | 97.4 | 73 | 27.5 | 12 | 10.2 | 5 | 52 | 56 | 3-6.8 | 6-M6 | 10 | 3-M6 | |
| 45 | 45 | 98 | 97.4 | 78 | 27.5 | 12 | 10.2 | 5 | 52 | 56 | 3-6.8 | 6-M6 | 10 | 3-M6 | |
| 48・50 | 48・50 | 98 | 97.4 | 83 | 27.5 | 12 | 10.2 | 5 | 52 | 56 | 3-6.8 | 6-M6 | 10 | 3-M6 | |
| SFF-120DS-□K-□K-600N | 35 | 35 | 118 | 97.4 | 68 | 27.5 | 12 | 10.2 | 5 | 72 | 68 | 3-6.8 | 6-M6 | 10 | 3-M6 |
| 38・40・42 | 38・40・42 | 118 | 97.4 | 73 | 27.5 | 12 | 10.2 | 5 | 72 | 68 | 3-6.8 | 6-M6 | 10 | 3-M6 | |
| 45 | 45 | 118 | 97.4 | 78 | 27.5 | 12 | 10.2 | 5 | 72 | 68 | 3-6.8 | 6-M6 | 10 | 3-M6 | |
| 48・50・52 | 48・50・52 | 118 | 97.4 | 83 | 27.5 | 12 | 10.2 | 5 | 72 | 68 | 3-6.8 | 6-M6 | 10 | 3-M6 | |
| 55 | 55 | 118 | 97.4 | 88 | 27.5 | 12 | 10.2 | 5 | 72 | 68 | 3-6.8 | 6-M6 | 10 | 3-M6 | |
| 60・62・65 | 60・62・65 | 118 | 97.4 | 98 | 27.5 | 12 | 10.2 | 5 | 72 | 68 | 3-6.8 | 6-M6 | 10 | 3-M6 | |
| - | 70 | 118 | 97.4 | 108 | 27.5 | 12 | 10.2 | 5 | 72 | 68 | 3-6.8 | 6-M6 | 10 | 3-M6 | |
| SFF-140DS-□K-□K-800N | 35・38 | 35・38 | 138 | 120 | 83 | 36.5 | 15 | 10.6 | 5.5 | 80 | 78 | 3-8.6 | 6-M8 | 24 | 3-M8 |
| 40・42・45 | 40・42・45 | 138 | 120 | 88 | 36.5 | 15 | 10.6 | 5.5 | 80 | 78 | 3-8.6 | 6-M8 | 24 | 3-M8 | |
| - | 48・50・52 | 138 | 120 | 98 | 36.5 | 15 | 10.6 | 5.5 | 80 | 78 | 3-8.6 | 6-M8 | 24 | 3-M8 | |
| - | 55・60 | 138 | 120 | 108 | 36.5 | 15 | 10.6 | 5.5 | 80 | 78 | 3-8.6 | 6-M8 | 24 | 3-M8 | |
| - | 62・65・70 | 138 | 120 | 118 | 36.5 | 15 | 10.6 | 5.5 | 80 | 78 | 3-8.6 | 6-M8 | 24 | 3-M8 | |
| - | 75・80 | 138 | 120 | 128 | 36.5 | 15 | 10.6 | 5.5 | 80 | 78 | 3-8.6 | 6-M8 | 24 | 3-M8 | |
| SFF-140DS-□K-□K-1000N | 48・50・52 | 48・50・52 | 138 | 120 | 98 | 36.5 | 15 | 10.6 | 5.5 | 80 | 78 | 3-8.6 | 6-M8 | 24 | 3-M8 |
| 55・60 | 55・60 | 138 | 120 | 108 | 36.5 | 15 | 10.6 | 5.5 | 80 | 78 | 3-8.6 | 6-M8 | 24 | 3-M8 | |
| 62・65・70 | 62・65・70 | 138 | 120 | 118 | 36.5 | 15 | 10.6 | 5.5 | 80 | 78 | 3-8.6 | 6-M8 | 24 | 3-M8 | |
| 75 | 75・80 | 138 | 120 | 128 | 36.5 | 15 | 10.6 | 5.5 | 80 | 78 | 3-8.6 | 6-M8 | 24 | 3-M8 |
※ 加压螺栓 M1・和卸除用螺钉孔 M2 公称为数量 - 螺钉公称。H•M1•M2 的数量是单侧毂的数量。
【标准孔径】
| 型号 | 标准孔径 d1・d2[mm] | ||||||||||||||||||||||||
|---|---|---|---|---|---|---|---|---|---|---|---|---|---|---|---|---|---|---|---|---|---|---|---|---|---|
| 公称 | 18 | 19 | 20 | 22 | 24 | 25 | 28 | 30 | 32 | 35 | 38 | 40 | 42 | 45 | 48 | 50 | 52 | 55 | 60 | 62 | 65 | 70 | 75 | 80 | |
| SFF-070DS-□K-□K-100N | d1 | ● | ● | ● | ● | ● | ● | ● | ● | ● | ● | ||||||||||||||
| d2 | ● | ● | ● | ● | ● | ● | ● | ● | ● | ● | |||||||||||||||
| SFF-080DS-□K-□K-150N | d1 | ● | ● | ● | ● | ● | ● | ● | |||||||||||||||||
| d2 | ● | ● | ● | ● | ● | ● | ● | ● | |||||||||||||||||
| SFF-080DS-□K-□K-200N | d1 | ● | ● | ● | ● | ● | ● | ● | ● | ||||||||||||||||
| d2 | ● | ● | ● | ● | ● | ● | ● | ● | |||||||||||||||||
| SFF-090DS-□K-□K-300N | d1 | ● | ● | ● | ● | ● | ● | ● | ● | ● | |||||||||||||||
| d2 | ● | ● | ● | ● | ● | ● | ● | ● | ● | ||||||||||||||||
| SFF-100DS-□K-□K-450N | d1 | ● | ● | ● | ● | ● | ● | ● | ● | ||||||||||||||||
| d2 | ● | ● | ● | ● | ● | ● | ● | ● | |||||||||||||||||
| SFF-120DS-□K-□K-600N | d1 | ● | ● | ● | ● | ● | ● | ● | ● | ● | ● | ● | ● | ||||||||||||
| d2 | ● | ● | ● | ● | ● | ● | ● | ● | ● | ● | ● | ● | ● | ||||||||||||
| SFF-140DS-□K-□K-800N | d1 | ● | ● | ● | ● | ● | |||||||||||||||||||
| d2 | ● | ● | ● | ● | ● | ● | ● | ● | ● | ● | ● | ● | ● | ● | ● | ||||||||||
| SFF-140DS-□K-□K-1000N | d1 | ● | ● | ● | ● | ● | ● | ● | ● | ● | |||||||||||||||
| d2 | ● | ● | ● | ● | ● | ● | ● | ● | ● | ● | |||||||||||||||
※ 有●标记栏内的孔径按标准处理。

[规格]
| 型号 | 允许转矩 [N・m] |
允许误差 | 最高转速 [min-1] |
扭转弹性常数 [N・m/rad] |
轴向弹性常数 [N/mm] |
转动惯量 [kg/m2] |
质量 [kg] |
||
|---|---|---|---|---|---|---|---|---|---|
| 偏心 [mm] | 偏角 [°] | 轴向 [mm] | |||||||
| SFF-040SS-□B-11CN-8N | 8 | 0.02 | 1 | ±0.2 | 18000 | 15000 | 174 | 0.03×10-3 | 0.2 |
| SFF-040SS-□B-11CN-12N | 12 | 0.02 | 1 | ±0.2 | 18000 | 15000 | 174 | 0.03×10-3 | 0.18 |
| SFF-050SS-□B-14CN-25N | 25 | 0.02 | 1 | ±0.3 | 18000 | 32000 | 145 | 0.09×10-3 | 0.36 |
| SFF-050SS-□B-16CN-25N | 25 | 0.02 | 1 | ±0.3 | 18000 | 32000 | 145 | 0.10×10-3 | 0.41 |
| SFF-060SS-□B-16CN-60N | 60 | 0.02 | 1 | ±0.3 | 18000 | 104000 | 399 | 0.18×10-3 | 0.54 |
| SFF-060SS-□B-16CN-80N | 80 | 0.02 | 1 | ±0.3 | 18000 | 104000 | 399 | 0.19×10-3 | 0.52 |
※ 最高转速未考虑动平衡。
※ 转动惯量及质量为最大孔径时的数值。
※ 扭转弹性常数为单个元件的数值。
[尺寸]

| 型号 | d1 [mm] |
d2 [mm] |
W [mm] |
T [mm] |
D [mm] |
L [mm] |
N1 [mm] |
N2 [mm] |
LF1 [mm] |
LF2 [mm] |
S [mm] |
K [mm] |
H [mm] |
M 数量-公称 | M 紧固转矩 [N・m] | DA [mm] |
WA [mm] |
J 公称×螺距 | J 紧固转矩 [N・m] |
|---|---|---|---|---|---|---|---|---|---|---|---|---|---|---|---|---|---|---|---|
| SFF-040SS-□B-11CN-8N | 8~9.525 | 11 | 4 | 12.2 | 38 | 46.4 | 33 | 22 | 17.5 | 25 | 3.9 | 17 | 5.1 | 2-M4 | 3.4 | 12 | 6 | M6×1.0 | 10 |
| SFF-040SS-□B-11CN-12N | 10~16 | 11 | 4 | 12.2 | 38 | 46.4 | 33 | 22 | 17.5 | 25 | 3.9 | 17 | 5.1 | 2-M4 | 3.4 | 12 | 6 | M6×1.0 | 10 |
| SFF-050SS-□B-14CN-25N | 10~19 | 14 | 4 | 15.1 | 48 | 56.9 | 42 | 27.5 | 21.5 | 30 | 5.4 | 20 | 5.1 | 2-M5 | 7 | 15 | 8 | M8×1.0 | 20 |
| SFF-050SS-□B-16CN-25N | 10~19 | 16 | 5 | 17.3 | 48 | 67.9 | 42 | 29.5 | 21.5 | 41 | 5.4 | 20 | 6.8 | 2-M5 | 7 | 16 | 10 | M10×1.25 | 30 |
| SFF-060SS-□B-16CN-60N | 12~19 | 16 | 5 | 17.3 | 58 | 70.4 | 44 | 29.5 | 24 | 41 | 5.4 | 32 | 6.8 | 2-M6 | 14 | 16 | 10 | M10×1.25 | 30 |
| SFF-060SS-□B-16CN-80N | 20~22 | 16 | 5 | 17.3 | 58 | 70.4 | 44 | 29.5 | 24 | 41 | 5.4 | 32 | 6.8 | 2-M6 | 14 | 16 | 10 | M10×1.25 | 30 |
| 24~28 | 48 | 2-M5 | 7 | ||||||||||||||||
| 30 | 52 |
[标准孔径]
| 型号 | 标准孔径 d1[mm] | |||||||||||||||||
|---|---|---|---|---|---|---|---|---|---|---|---|---|---|---|---|---|---|---|
| 8 | 9 | 9.525 | 10 | 11 | 12 | 14 | 15 | 16 | 17 | 18 | 19 | 20 | 22 | 24 | 25 | 28 | 30 | |
| SFF-040SS-□B-11CN-8N | ● | ● | ● | |||||||||||||||
| SFF-040SS-□B-11CN-12N | ● | ● | ● | ● | ● | ● | ||||||||||||
| SFF-050SS-□B-14CN-25N | ● | ● | ● | ● | ● | ● | ● | ● | ● | |||||||||
| SFF-050SS-□B-16CN-25N | ● | ● | ● | ● | ● | ● | ● | ● | ● | |||||||||
| SFF-060SS-□B-16CN-60N | ● | ● | ● | ● | ● | ● | ● | |||||||||||
| SFF-060SS-□B-16CN-80N | ● | ● | ● | ● | ● | ● | ||||||||||||
※ 有●标记栏内的孔径按标准处理。

[规格]
| 型号 | 允许转矩 [N・m] |
允许误差 | 最高转速 [min-1] |
扭转弹性常数 [N・m/rad] |
轴向弹性常数 [N/mm] |
转动惯量 [kg/m2] |
质量 [kg] |
||
|---|---|---|---|---|---|---|---|---|---|
| 偏心 [mm] | 偏角 [°] | 轴向 [mm] | |||||||
| SFF-040DS-□B-11CN-8N | 8 | 0.10 | 1(单侧) | ±0.4 | 14000 | 7500 | 87 | 0.04×10-3 | 0.25 |
| SFF-040DS-□B-11CN-12N | 12 | 0.10 | (单侧) | ±0.4 | 14000 | 7500 | 87 | 0.04×10-3 | 0.23 |
| SFF-050DS-□B-14CN-25N | 25 | 0.20 | 1(单侧) | ±0.6 | 14000 | 16000 | 72.5 | 0.12×10-3 | 0.45 |
| SFF-050DS-□B-16CN-25N | 25 | 0.20 | 1(单侧) | ±0.6 | 14000 | 16000 | 72.5 | 0.13×10-3 | 0.49 |
| SFF-060DS-□B-16CN-60N | 60 | 0.20 | 1(单侧) | ±0.6 | 14000 | 52000 | 199.5 | 0.24×10-3 | 0.67 |
| SFF-060DS-□B-16CN-80N | 80 | 0.20 | 1(单侧) | ±0.6 | 14000 | 52000 | 199.5 | 0.26×10-3 | 0.64 |
※ 最高转速未考虑动平衡。
※ 转动惯量及质量为最大孔径时的数值。
※ 扭转弹性常数为单个元件的数值。
[尺寸]

| 型号 | d1 [mm] |
d2 [mm] |
W [mm] |
T [mm] |
D [mm] |
L [mm] |
N1 [mm] |
N2 [mm] |
LF1 [mm] |
LF2 [mm] |
LP [mm] |
S [mm] |
d3 [mm] |
K [mm] |
H [mm] |
M 数量-公称 | M 紧固转矩 [N・m] | DA [mm] |
WA [mm] |
J 公称×螺距 | J 紧固转矩[N・m] |
|---|---|---|---|---|---|---|---|---|---|---|---|---|---|---|---|---|---|---|---|---|---|
| SFF-040DS-□B-11CN-8N | 8~9.525 | 11 | 4 | 12.2 | 38 | 56.3 | 33 | 22 | 17.5 | 25 | 6 | 3.9 | 17 | 17 | 5.1 | 2-M4 | 3.4 | 12 | 6 | M6×1.0 | 10 |
| SFF-040DS-□B-11CN-12N | 10~16 | 11 | 4 | 12.2 | 38 | 56.3 | 33 | 22 | 17.5 | 25 | 6 | 3.9 | 17 | 17 | 5.1 | 2-M4 | 3.4 | 12 | 6 | M6×1.0 | 10 |
| SFF-050DS-□B-14CN-25N | 10~19 | 14 | 4 | 15.1 | 48 | 69.3 | 42 | 27.5 | 21.5 | 30 | 7 | 5.4 | 20 | 20 | 5.1 | 2-M5 | 7 | 15 | 8 | M8×1.0 | 20 |
| SFF-050DS-□B-16CN-25N | 10~19 | 15 | 5 | 17.3 | 48 | 80.3 | 42 | 29.5 | 21.5 | 41 | 7 | 5.4 | 20 | 20 | 6.8 | 2-M5 | 7 | 16 | 10 | M10×1.25 | 30 |
| SFF-060DS-□B-16CN-60N | 12~19 | 16 | 5 | 17.3 | 58 | 82.8 | 44 | 29.5 | 24 | 41 | 7 | 5.4 | 31 | 32 | 6.8 | 2-M6 | 14 | 16 | 10 | M10×1.25 | 30 |
| SFF-060DS-□B-16CN-80N | 20~22 | 16 | 5 | 17.3 | 58 | 82.8 | 44 | 29.5 | 24 | 41 | 7 | 5.4 | 31 | 32 | 6.8 | 2-M6 | 14 | 16 | 10 | M10×1.25 | 30 |
| 24~28 | 48 | 2-M5 | 7 | ||||||||||||||||||
| 30 | 52 |
[标准孔径]
| 型号 | 标准孔径 d1[mm] | |||||||||||||||||
|---|---|---|---|---|---|---|---|---|---|---|---|---|---|---|---|---|---|---|
| 8 | 9 | 9.525 | 10 | 11 | 12 | 14 | 15 | 16 | 17 | 18 | 19 | 20 | 22 | 24 | 25 | 28 | 30 | |
| SFF-040DS-□B-11CN-8N | ● | ● | ● | |||||||||||||||
| SFF-040DS-□B-11CN-12N | ● | ● | ● | ● | ● | ● | ||||||||||||
| SFF-050DS-□B-14CN-25N | ● | ● | ● | ● | ● | ● | ● | ● | ● | |||||||||
| SFF-050DS-□B-16CN-25N | ● | ● | ● | ● | ● | ● | ● | ● | ● | |||||||||
| SFF-060DS-□B-16CN-60N | ● | ● | ● | ● | ● | ● | ● | |||||||||||
| SFF-060DS-□B-16CN-80N | ● | ● | ● | ● | ● | ● | ||||||||||||
※ 有●标记栏内的孔径按标准处理。

[规格]
| 型号 | 允许转矩 [N・m] |
允许误差 | 最高转速 [min-1] |
扭转弹性常数 [N・m/rad] |
轴向弹性常数 [N/mm] |
转动惯量 [kg/m2] |
质量 [kg] |
||
|---|---|---|---|---|---|---|---|---|---|
| 偏心 [mm] | 偏角 [°] | 轴向 [mm] | |||||||
| SFF-070DS-□B-105D-100N | 100 | 0.25 | 1(单侧) | ±1.0 | 1000 | 120000 | 242 | 1.20×10-3 | 1.08 |
| SFF-080DS-□B-166D-200N | 200 | 0.31 | 1(单侧) | ±1.0 | 1000 | 155000 | 273 | 8.35×10-3 | 3.11 |
| SFF-090DS-□B-166D-300N | 300 | 0.32 | 1(单侧) | ±1.2 | 1000 | 260000 | 160.5 | 8.69×10-3 | 3.18 |
| SFF-100DS-□B-166D-450N | 450 | 0.38 | 1(单侧) | ±1.3 | 1000 | 370000 | 270 | 10.01×10-3 | 3.91 |
| SFF-120DS-□B-166D-600N | 600 | 0.38 | 1(单侧) | ±1.6 | 1000 | 485000 | 180 | 12.66×10-3 | 4.57 |
※ 最高转速未考虑动平衡。
※ 转动惯量及质量为最大孔径时的数值。
※ 扭转弹性常数为单个元件的数值。
[尺寸]

| 型号 | d1 [mm] |
d2 [mm] |
D1 [mm] |
D2 [mm] |
L [mm] |
N [mm] |
LF1 [mm] |
LF2 [mm] |
LP [mm] |
S [mm] |
d3 [mm] |
K [mm] |
M1 [mm] |
TK1 [mm] |
M2 [mm] |
TK2 [mm] |
M 数量-公称 |
M 紧固 转矩 [N・m] |
|---|---|---|---|---|---|---|---|---|---|---|---|---|---|---|---|---|---|---|
| SFF-070DS-□B-105D-100N | 28~35 | 36 | 68 | 105 | 54.8 | 56 | 25 | 10 | 8 | 5.9 | 37 | 38 | 6.4 | 86 | 6.4 | 92 | 2-M6 | 14 |
| SFF-080DS-□B-166D-200N | 28~38 | 39 | 78 | 166 | 68.9 | 70(74) | 30 | 13.5 | 10 | 7.7 | 40 | 42 | 6.4 | 150 | 8.6 | 150 | 2-M8 | 34 |
| SFF-090DS-□B-166D-300N | 35~42 | 49 | 88 | 166 | 70.1 | 74 | 30 | 13.5 | 10 | 8.3 | 50 | 50 | 6.4 | 150 | 8.6 | 150 | 2-M8 | 34 |
| SFF-100DS-□B-166D-450N | 32~48 | 51 | 98 | 166 | 85.9 | 84 | 40 | 13.5 | 12 | 10.2 | 52 | 56 | 6.4 | 150 | 8.6 | 150 | 2-M10 | 68 |
| SFF-120DS-□B-166D-600N | 48~55 | 67 | 118 | 166 | 85.9 | 100 | 40 | 13.5 | 12 | 10.2 | 72 | 68 | 6.4 | 150 | 8.6 | 150 | 2-M10 | 68 |
※ SFF-080DS 的( )内数值是d1 为φ 38mm 时的数值。
※ 法兰侧安装用孔的孔径、数量、中心距可根据客户的单独指示制作。请确认。
[标准孔径]
| 型号 | 标准孔径 d1 [mm] | ||||||||||
|---|---|---|---|---|---|---|---|---|---|---|---|
| 28 | 30 | 32 | 35 | 38 | 40 | 42 | 45 | 48 | 50 | 55 | |
| SFF-070DS-□B-105D-100N | ● | ● | ● | ● | |||||||
| SFF-080DS-□B-166D-200N | ● | ● | ● | ● | ● | ||||||
| SFF-090DS-□B-166D-300N | ● | ● | ● | ● | |||||||
| SFF-100DS-□B-166D-450N | ● | ● | ● | ● | ● | ● | ● | ||||
| SFF-120DS-□B-166D-600N | ● | ● | ● | ||||||||
※ 有●标记栏内的孔径按标准处理。

[规格]
| 型号 | 允许转矩 [N・m] |
允许误差 | 最高转速 [min-1] |
扭转弹性常数 [N・m/rad] |
轴向弹性常数 [N/mm] |
转动惯量 [kg/m2] |
质量 [kg] |
||
|---|---|---|---|---|---|---|---|---|---|
| 偏心 [mm] | 偏角 [°] | 轴向 [mm] | |||||||
| SFF-040SS-□-□B-□B-8N | 8 | 0.02 | 1 | ±0.2 | 18000 | 15000 | 174 | 0.03×10 -3 | 0.17 |
| SFF-050SS-□-□B-□B-16N | 16 | 0.02 | 1 | ±0.3 | 18000 | 32000 | 145 | 0.10×10 -3 | 0.36 |
| SFF-060SS-□-□B-□B-40N | 40 | 0.02 | 1 | ±0.3 | 18000 | 104000 | 399 | 0.22×10 -3 | 0.52 |
| SFF-060SS-□-□B-□B-50N | 50 | 0.02 | 1 | ±0.3 | 18000 | 104000 | 399 | 0.23×10 -3 | 0.49 |
| SFF-070SS-□-□B-□B-65N | 65 | 0.02 | 1 | ±0.5 | 18000 | 240000 | 484 | 0.40×10 -3 | 0.72 |
| SFF-080SS-□-□B-□B-120N | 120 | 0.02 | 1 | ±0.5 | 17000 | 310000 | 546 | 1.25×10 -3 | 1.40 |
| SFF-090SS-□-□B-□B-150N | 150 | 0.02 | 1 | ±0.6 | 15000 | 520000 | 321 | 1.58×10-3 | 1.53 |
| SFF-100SS-□-□B-□B-250N | 250 | 0.02 | 1 | ±0.65 | 13000 | 740000 | 540 | 3.27×10-3 | 2.53 |
※ 最高转速未考虑动平衡。
※ 转动惯量及质量为最大孔径时的数值。
※ 扭转弹性常数为单个元件的数值。
[尺寸]

| 型号 | d1 [mm] |
d2 [mm] |
D [mm] |
L [mm] |
N1・N2 [mm] |
LF [mm] |
S [mm] |
K [mm] |
M1・M2 数量-公称 |
紧固转矩 [N・m] | |
|---|---|---|---|---|---|---|---|---|---|---|---|
| CC 低粉尘产生 | CF 氟素 | ||||||||||
| SFF-040SS-□-□B-□B-8N | 8~16 | 8~16 | 38 | 38.9 | 33 | 17.5 | 3.9 | 17 | 2-M4 | 4.5 | 4.5 |
| SFF-050SS-□-□B-□B-16N | 10~19 | 10~19 | 48 | 48.4 | 42 | 21.5 | 5.4 | 20 | 2-M5 | 9 | 8.5 |
| SFF-060SS-□-□B-□B-40N | 12~22 | 12~22 | 58 | 53.4 | 44 | 24 | 5.4 | 32 | 2-M6 | 16 | 16 |
| - | 24~28 | 58 | 53.4 | 48 | 24 | 5.4 | 32 | 2-M5 | 9 | 8.5 | |
| - | 30 | 58 | 53.4 | 52 | 24 | 5.4 | 32 | 2-M5 | 9 | 8.5 | |
| SFF-060SS-□-□B-□B-50N | 24~28 | 24~28 | 58 | 53.4 | 48 | 24 | 5.4 | 32 | 2-M5 | 9 | 8.5 |
| 30 | 30 | 58 | 53.4 | 52 | 24 | 5.4 | 32 | 2-M5 | 9 | 8.5 | |
| SFF-070SS-□-□B-□B-65N | 18~19 | 18~25 | 68 | 55.9 | 47 | 25 | 5.9 | 38 | 2-M6 | 16 | 16 |
| - | 28~35 | 68 | 55.9 | 56 | 25 | 5.9 | 38 | 2-M6 | 16 | 16 | |
| SFF-080SS-□-□B-□B-120N | 28~35 | 28~35 | 78 | 67.7 | 70 | 30 | 7.7 | 42 | 2-M8 | 37 | 45 |
| 38 | 38 | 78 | 67.7 | 74 | 30 | 7.7 | 42 | 2-M8 | 37 | 45 | |
| SFF-090SS-□-□B-□B-150N | 35~42 | 35~42 | 88 | 68.3 | 74 | 30 | 8.3 | 50 | 2-M8 | 37 | 45 |
| SFF-100SS-□-□B-□B-250N | 38~48 | 38~48 | 98 | 90.2 | 84 | 40 | 10.2 | 56 | 2-M10 | 68 | 65 |
※ 夹紧螺栓M1、M2 的公称以数量- 螺丝公称表示,数量为单侧毂的数量。
※ 夹紧螺栓用润滑脂有两种选择,以确保轴向力:低发尘润滑脂和氟润滑脂。
[标准孔径]
| 型号 | 标准孔径 d1・d2 [mm] | ||||||||||||||||||||||||
|---|---|---|---|---|---|---|---|---|---|---|---|---|---|---|---|---|---|---|---|---|---|---|---|---|---|
| 8 | 9 | 9.525 | 10 | 11 | 12 | 14 | 15 | 16 | 17 | 18 | 19 | 20 | 22 | 24 | 25 | 28 | 30 | 32 | 35 | 38 | 40 | 42 | 45 | 48 | |
| SFF-040SS-□-□B-□B-8N | ● | ● | ● | ● | ● | ● | ● | ● | ● | ||||||||||||||||
| SFF-050SS-□-□B-□B-16N | ● | ● | ● | ● | ● | ● | ● | ● | ● | ||||||||||||||||
| SFF-060SS-□-□B-□B-40N | ● | ● | ● | ● | ● | ● | ● | ● | ● | ● | ● | ● | ● | ||||||||||||
| SFF-060SS-□-□B-□B-50N | ● | ● | ● | ● | |||||||||||||||||||||
| SFF-070SS-□-□B-□B-65N | ● | ● | ● | ● | ● | ● | ● | ● | ● | ● | |||||||||||||||
| SFF-080SS-□-□B-□B-120N | ● | ● | ● | ● | ● | ||||||||||||||||||||
| SFF-090SS-□-□B-□B-150N | ● | ● | ● | ● | |||||||||||||||||||||
| SFF-100SS-□-□B-□B-250N | ● | ● | ● | ● | ● | ||||||||||||||||||||
※ 有●标记栏内的孔径按标准处理。

[规格]
| 型号 | 允许转矩 [N・m] |
允许误差 | 最高转速 [min-1] |
扭转弹性常数 [N・m/rad] |
轴向弹性常数 [N/mm] |
转动惯量 [kg/m2] |
质量 [kg] |
||
|---|---|---|---|---|---|---|---|---|---|
| 偏心 [mm] | 偏角 [°] | 轴向 [mm] | |||||||
| SFF-040DS-□-□B-□B-8N | 8 | 0.1 | 1(单侧) | ±0.4 | 14000 | 7500 | 87 | 0.04×10 -3 | 0.22 |
| SFF-050DS-□-□B-□B-16N | 16 | 0.2 | 1(单侧) | ±0.6 | 14000 | 16000 | 72.5 | 0.13×10 -3 | 0.46 |
| SFF-060DS-□-□B-□B-40N | 40 | 0.2 | 1(单侧) | ±0.6 | 14000 | 52000 | 199.5 | 0.28×10 -3 | 0.64 |
| SFF-060DS-□-□B-□B-50N | 50 | 0.2 | 1(单侧) | ±0.6 | 14000 | 52000 | 199.5 | 0.29×10 -3 | 0.61 |
| SFF-070DS-□-□B-□B-65N | 65 | 0.25 | 1(单侧) | ±1.0 | 14000 | 120000 | 242 | 0.53×10 -3 | 0.90 |
| SFF-080DS-□-□B-□B-120N | 120 | 0.31 | 1(单侧) | ±1.0 | 13000 | 155000 | 273 | 1.50×10-3 | 1.72 |
| SFF-090DS-□-□B-□B-150N | 150 | 0.32 | 1(单侧) | ±1.2 | 12000 | 260000 | 160.5 | 2.03×10-3 | 2.02 |
| SFF-100DS-□-□B-□B-250N | 250 | 0.38 | 1(单侧) | ±1.3 | 10000 | 370000 | 270 | 4.18×10-3 | 3.12 |
※ 最高转速未考虑动平衡。
※ 转动惯量及质量为最大孔径时的数值。
※ 扭转弹性常数为单个元件的数值。
[尺寸]

| 型号 | d1 [mm] |
d2 [mm] |
D [mm] |
L [mm] |
N1・N2 [mm] |
LF [mm] |
LP [mm] |
S [mm] |
d3 [mm] |
K [mm] |
M1・M2 数量-公称 |
紧固转矩 [N・m] | |
|---|---|---|---|---|---|---|---|---|---|---|---|---|---|
| CC 低粉尘产生 | CF 氟素 | ||||||||||||
| SFF-040DS-□-□B-□B-8N | 8~16 | 8~16 | 38 | 48.8 | 33 | 17.5 | 6 | 3.9 | 17 | 17 | 2-M4 | 4.5 | 4.5 |
| SFF-050DS-□-□B-□B-16N | 10~19 | 10~19 | 48 | 60.8 | 42 | 21.5 | 7 | 5.4 | 20 | 20 | 2-M5 | 9 | 8.5 |
| SFF-060DS-□-□B-□B-40N | 12~22 | 12~22 | 58 | 65.8 | 44 | 24 | 7 | 5.4 | 31 | 32 | 2-M6 | 16 | 16 |
| - | 24~28 | 58 | 65.8 | 48 | 24 | 7 | 5.4 | 31 | 32 | 2-M5 | 9 | 8.5 | |
| - | 30 | 58 | 65.8 | 52 | 24 | 7 | 5.4 | 31 | 32 | 2-M5 | 9 | 8.5 | |
| SFF-060DS-□-□B-□B-50N | 24~28 | 24~28 | 58 | 65.8 | 48 | 24 | 7 | 5.4 | 31 | 32 | 2-M5 | 9 | 8.5 |
| 30 | 30 | 58 | 68.5 | 52 | 24 | 7 | 5.4 | 31 | 32 | 2-M5 | 9 | 8.5 | |
| SFF-070DS-□-□B-□B-65N | 18~19 | 18~25 | 68 | 69.8 | 47 | 25 | 8 | 5.9 | 37 | 38 | 2-M6 | 16 | 16 |
| - | 28~35 | 68 | 69.8 | 56 | 25 | 8 | 5.9 | 37 | 38 | 2-M6 | 16 | 16 | |
| SFF-080DS-□-□B-□B-120N | 28~35 | 28~35 | 78 | 85.4 | 70 | 30 | 10 | 7.7 | 40 | 42 | 2-M8 | 37 | 45 |
| 38 | 38 | 78 | 85.4 | 74 | 30 | 10 | 7.7 | 40 | 42 | 2-M8 | 37 | 45 | |
| SFF-090DS-□-□B-□B-150N | 35~42 | 35~42 | 88 | 86.6 | 74 | 30 | 10 | 8.3 | 50 | 50 | 2-M8 | 37 | 45 |
| SFF-100DS-□-□B-□B-250N | 38~48 | 38~48 | 98 | 112.4 | 84 | 40 | 12 | 10.2 | 52 | 56 | 2-M10 | 68 | 65 |
※ 夹紧螺栓M1、M2 的公称以数量- 螺丝公称表示,数量为单侧毂的数量。
※ 夹紧螺栓用润滑脂有两种选择,以确保轴向力:低发尘润滑脂和氟润滑脂。
[标准孔径]
| 型号 | 标准孔径 d1・d2 [mm] | ||||||||||||||||||||||||
|---|---|---|---|---|---|---|---|---|---|---|---|---|---|---|---|---|---|---|---|---|---|---|---|---|---|
| 8 | 9 | 9.525 | 10 | 11 | 12 | 14 | 15 | 16 | 17 | 18 | 19 | 20 | 22 | 24 | 25 | 28 | 30 | 32 | 35 | 38 | 40 | 42 | 45 | 48 | |
| SFF-040DS-□-□B-□B-8N | ● | ● | ● | ● | ● | ● | ● | ● | ● | ||||||||||||||||
| SFF-050DS-□-□B-□B-16N | ● | ● | ● | ● | ● | ● | ● | ● | ● | ||||||||||||||||
| SFF-060DS-□-□B-□B-40N | ● | ● | ● | ● | ● | ● | ● | ● | ● | ● | ● | ● | ● | ||||||||||||
| SFF-060DS-□-□B-□B-50N | ● | ● | ● | ● | |||||||||||||||||||||
| SFF-070DS-□-□B-□B-65N | ● | ● | ● | ● | ● | ● | ● | ● | ● | ● | |||||||||||||||
| SFF-080DS-□-□B-□B-120N | ● | ● | ● | ● | ● | ||||||||||||||||||||
| SFF-090DS-□-□B-□B-150N | ● | ● | ● | ● | |||||||||||||||||||||
| SFF-100DS-□-□B-□B-250N | ● | ● | ● | ● | ● | ||||||||||||||||||||
※ 有●标记栏内的孔径按标准处理。
