ALS (Y)型

采用硬度90 JIS A的元件(聚氨酯弹性体),采用形状会受到预压缩的紧配合结构,可在无背隙条件下使用。与ALS-R型相比,元件硬度低,能够降低轴反力。

采用硬度90 JIS A的元件(聚氨酯弹性体),采用形状会受到预压缩的紧配合结构,可在无背隙条件下使用。与ALS-R型相比,元件硬度低,能够降低轴反力。
通过3D-CAD和FEM分析实现了本公司所追求的最理想的产品设计
从设计开始阶段投入最新的CAE系统。使用3D-CAD进行型号设计。形状、强度设计采用最新的FEM分析(有限元方法)分析软件,实现了本公司所追求的最理想的产品设计。
通过达到本公司对元件形状所追求的最理想的设计,实现高传递转矩,降低安装误差反力
通过转矩传递部分形状的改良和材料的严格选择,与以往的爪形联轴器相比,实现相同外径下2倍以上的高传递转矩。另外,内径侧设有沉割(undercut)以减轻误差反力,在无背隙(ALS Y・R型)的同时对对象轴也实现了出色的连接。
可自由组合
毂可以从可自由进行孔加工的底孔产品、键·定位螺钉式、夹紧式的3种中自由选择。并且,还可以将键·定位螺钉式和夹紧式相组合。
ALS(Y) 型(键・紧定螺钉型)
【规格】
| 型号 | 转矩 | 允许误差 | 最高转速[min-1] | 静态扭转弹性常数[N•m/rad] | 径向弹性常数[N/mm] | 转动惯量[kg・m2] | 质量[kg] | |||
|---|---|---|---|---|---|---|---|---|---|---|
| 常用[N•m] | 最大[N•m] | 偏心[mm] | 偏角[°] | 轴向[mm] | ||||||
| ALS-014-Y | 1.2 | 2.4 | 0.10 | 1 | 0 - +0.6 | 34100 | 12 | 200 | 1.91×10-7 | 0.007 |
| ALS-020-Y | 3 | 6 | 0.15 | 1 | 0 - +0.8 | 23800 | 24 | 210 | 1.08×10-6 | 0.018 |
| ALS-030-Y | 7.5 | 15 | 0.15 | 1 | 0 - +1.0 | 15900 | 73 | 330 | 6.25×10-6 | 0.047 |
| ALS-040-Y | 10 | 20 | 0.10 | 1 | 0 - +1.2 | 11900 | 760 | 940 | 3.87×10-5 | 0.15 |
| ALS-055-Y | 35 | 70 | 0.15 | 1 | 0 - +1.4 | 8700 | 1400 | 1160 | 1.66×10-4 | 0.35 |
| ALS-065-Y | 95 | 190 | 0.15 | 1 | 0 - +1.5 | 7400 | 2100 | 1200 | 3.57×10-4 | 0.51 |
| ALS-080-Y | 190 | 380 | 0.15 | 1 | 0 - +1.8 | 6000 | 4000 | 1430 | 1.06×10-3 | 1.01 |
| ALS-095-Y | 265 | 530 | 0.15 | 1 | -0.5 - +2.0 | 5000 | 6000 | 2400 | 2.24×10-3 | 1.50 |
| ALS-105-Y | 310 | 620 | 0.20 | 1 | -0.9 - +2.0 | 4500 | 7000 | 4000 | 3.72×10-3 | 2.05 |
※ALS-014~018-R不允许负侧的轴向位移。
※最高转速未考虑动平衡。
※各弹性常数值为20℃时的数值。
※转动惯量及质量为最大孔径时的数值。
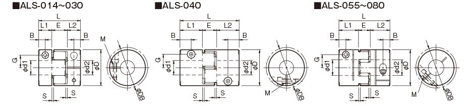
【尺寸】

| 型号 | d1•d2 | d1•d4 | D | L | L1•L2 | E | S | C | |
|---|---|---|---|---|---|---|---|---|---|
| 底孔 | 最小 | 最大 | |||||||
| ALS-014-Y | 3 | 3 | 6.5 | 14 | 22 | 7 | 8 | 1 | 3.5 |
| ALS-020-Y | 4 | 4 | 9.6 | 20 | 30 | 10 | 10 | 1 | 5 |
| ALS-030-Y | 5 | 6 | 14 | 30 | 35 | 11 | 13 | 1.5 | 5.5 |
| ALS-040-Y | 5 | 8 | 22 | 40 | 66 | 25 | 16 | 2 | 12.5 |
| ALS-055-Y | 5 | 10 | 28 | 55 | 78 | 30 | 18 | 2 | 15 |
| ALS-065-Y | 5 | 14 | 38 | 65 | 90 | 35 | 20 | 2.5 | 17.5 |
| ALS-080-Y | 10 | 19 | 45 | 80 | 114 | 45 | 24 | 3 | 22.5 |
| ALS-095-Y | 8 | 19 | 55 | 95 | 126 | 50 | 26 | 3 | 25 |
| ALS-105-Y | 10 | 19 | 60 | 105 | 140 | 56 | 28 | 3.5 | 28 |
※底孔指中心加工。
【标准孔径】
| 型号 | 标准孔径 d1•d2[mm] | ||||||||||||||||||||||||||||||||||
|---|---|---|---|---|---|---|---|---|---|---|---|---|---|---|---|---|---|---|---|---|---|---|---|---|---|---|---|---|---|---|---|---|---|---|---|
| 3 | 4 | 5 | 6 | 6.35 | 7 | 8 | 9 | 9.525 | 10 | 11 | 12 | 14 | 15 | 16 | 17 | 18 | 19 | 20 | 22 | 24 | 25 | 28 | 30 | 32 | 35 | 38 | 40 | 42 | 45 | 48 | 50 | 55 | 56 | 60 | |
| ALS-014-Y | ● | ● | ● | ● | ● | ||||||||||||||||||||||||||||||
| ALS-020-Y | ● | ● | ● | ● | ● | ● | ● | ● | |||||||||||||||||||||||||||
| ALS-030-Y | ● | ● | ● | ● | ● | ● | ● | ● | ● | ● | |||||||||||||||||||||||||
| ALS-040-Y | ● | ● | ● | ● | ● | ● | ● | ● | ● | ● | ● | ● | ● | ● | |||||||||||||||||||||
| ALS-055-Y | ● | ● | ● | ● | ● | ● | ● | ● | ● | ● | ● | ● | ● | ● | |||||||||||||||||||||
| ALS-065-Y | ● | ● | ● | ● | ● | ● | ● | ● | ● | ● | ● | ● | ● | ● | ● | ||||||||||||||||||||
| ALS-080-Y | ● | ● | ● | ● | ● | ● | ● | ● | ● | ● | ● | ● | ● | ||||||||||||||||||||||
| ALS-095-Y | ● | ● | ● | ● | ● | ● | ● | ● | ● | ● | ● | ● | ● | ● | ● | ● | |||||||||||||||||||
| ALS-105-Y | ● | ● | ● | ● | ● | ● | ● | ● | ● | ● | ● | ● | ● | ● | ● | ● | ● | ● | |||||||||||||||||
※有●标记栏内的孔径按标准处理。
※φ11以下可提供无键槽加工,φ12以上可提供符合旧JIS标准、新JIS标准及支持新标准电动机的加工。

【元件】

| 型号 | F | R1 | R2 | K | A |
|---|---|---|---|---|---|
| ALS-014-Y-EL | 6.2 | 3.5 | - | 2.5 | 1.2 |
| ALS-020-Y-EL | 8.2 | 6.2 | - | 3.4 | 1.4 |
| ALS-030-Y-EL | 10.2 | 8.5 | - | 4 | 2.2 |
| ALS-040-Y-EL | 12 | 18 | - | 4.5 | 3 |
| ALS-055-Y-EL | 14 | 24 | - | 5.5 | 3 |
| ALS-065-Y-EL | 15 | 30 | - | 5.5 | 4 |
| ALS-080-Y-EL | 18 | 37 | 15 | 7 | 4 |
| ALS-095-Y-EL | 20 | 43 | 20 | 8 | 4 |
| ALS-105-Y-EL | 21 | 50 | 20 | 8.5 | 4 |

【标准孔加工规格】

| 符合JIS旧标准 2 种 JIS B 1301 1959 | 符合JIS新标准 H9 JIS B 1301 1996 | 符合JIS新标准 JS9 JIS B 1301 1996 | 支持电动机标准JIS C 4210 2001 | ||||||||||||||||
|---|---|---|---|---|---|---|---|---|---|---|---|---|---|---|---|---|---|---|---|
| 孔径公称 | 孔径(d1・d2) | 键槽宽度(W1・W2) | 键槽高度(T1・T2) | 紧定螺钉孔(M) | 孔径公称 | 孔径(d1・d2) | 键槽宽度(W1・W2) | 键槽高度(T1・T2) | 紧定螺钉孔(M) | 孔径公称 | 孔径(d1・d2) | 键槽宽度(W1・W2) | 键槽高度(T1・T2) | 紧定螺钉孔(M) | 孔径公称 | 孔径(d1・d2) | 键槽宽度(W1・W2) | 键槽高度(T1・T2) | 紧定螺钉孔(M) |
| 公差H7,H8 | 公差E9 | - | - | 公差H7 | 公差H9 | - | - | 公差H7 | 公差JS9 | - | - | 公差G7,F7 | 公差H9 | - | - | ||||
| 3 | 3+0.0180 | - | - | 1-M3 | - | - | - | - | - | - | - | - | - | - | - | - | - | - | - |
| 4 | 4+0.0180 | - | - | 2-M3 | - | - | - | - | - | - | - | - | - | - | - | - | - | - | - |
| 5 | 5+0.0180 | - | - | 2-M3 | - | - | - | - | - | - | - | - | - | - | - | - | - | - | - |
| 6 | 6+0.0180 | - | - | 2-M4 | - | - | - | - | - | - | - | - | - | - | - | - | - | - | - |
| 6.35 | 6.35+0.0220 | - | - | 2-M4 | - | - | - | - | - | - | - | - | - | - | - | - | - | - | - |
| 7 | 7+0.0220 | - | - | 2-M4 | - | - | - | - | - | - | - | - | - | - | - | - | - | - | - |
| 8 | 8+0.0220 | - | - | 2-M4 | - | - | - | - | - | - | - | - | - | - | - | - | - | - | - |
| 9 | 9+0.0220 | - | - | 2-M4 | - | - | - | - | - | - | - | - | - | - | - | - | - | - | - |
| 9.525 | 9.525+0.0220 | - | - | 2-M4 | - | - | - | - | - | - | - | - | - | - | - | - | - | - | - |
| 10 | 10+0.0220 | - | - | 2-M4 | - | - | - | - | - | - | - | - | - | - | - | - | - | - | - |
| 11 | 11+0.0180 | - | - | 2-M4 | - | - | - | - | - | - | - | - | - | - | - | - | - | - | - |
| 12 | 12+0.0180 | 4+0.050+0.020 | 13.5+0.30 | 2-M4 | 12H | 12+0.0180 | 4+0.0300 | 13.8+0.30 | 2-M4 | 12J | 12+0.0180 | 4±0.0150 | 13.8+0.30 | 2-M4 | - | - | - | - | - |
| 14 | 14+0.0180 | 5+0.050+0.020 | 16.0+0.30 | 2-M4 | 14H | 14+0.0180 | 5+0.0300 | 16.3+0.30 | 2-M4 | 14J | 14+0.0180 | 5±0.0150 | 16.3+0.30 | 2-M4 | 14N | 14+0.024+0.006 | 5+0.0300 | 16.3+0.30 | 2-M4 |
| 15 | 15+0.0180 | 5+0.050+0.020 | 17.0+0.30 | 2-M4 | 15H | 15+0.0180 | 5+0.0300 | 17.3+0.30 | 2-M4 | 15J | 15+0.0180 | 5±0.0150 | 17.3+0.30 | 2-M4 | - | - | - | - | - |
| 16 | 16+0.0180 | 5+0.050+0.020 | 18.0+0.30 | 2-M4 | 16H | 16+0.0180 | 5+0.0300 | 18.3+0.30 | 2-M4 | 16J | 16+0.0180 | 5±0.0150 | 18.3+0.30 | 2-M4 | - | - | - | - | - |
| 17 | 17+0.0180 | 5+0.050+0.020 | 19.0+0.30 | 2-M4 | 17H | 17+0.0180 | 5+0.0300 | 19.3+0.30 | 2-M4 | 17J | 17+0.0180 | 5±0.0150 | 19.3+0.30 | 2-M4 | - | - | - | - | - |
| 18 | 18+0.0180 | 5+0.050+0.020 | 20.0+0.30 | 2-M4 | 18H | 18+0.0180 | 6+0.0300 | 20.8+0.30 | 2-M5 | 18J | 18+0.0180 | 6±0.0150 | 20.8+0.30 | 2-M5 | - | - | - | - | - |
| 19 | 19+0.0210 | 5+0.050+0.020 | 21.0+0.30 | 2-M4 | 19H | 19+0.0210 | 6+0.0300 | 21.8+0.30 | 2-M5 | 19J | 19+0.0210 | 6±0.0150 | 21.8+0.30 | 2-M5 | 19N | 19+0.028+0.007 | 6+0.0300 | 21.8+0.30 | 2-M5 |
| 20 | 20+0.0210 | 5+0.050+0.020 | 22.0+0.30 | 2-M4 | 20H | 20+0.0210 | 6+0.0300 | 22.8+0.30 | 2-M5 | 20J | 20+0.0210 | 6±0.0150 | 22.8+0.30 | 2-M5 | - | - | - | - | - |
| 22 | 22+0.0210 | 7+0.061+0.025 | 25.0+0.30 | 2-M6 | 22H | 22+0.0210 | 6+0.0300 | 24.8+0.30 | 2-M5 | 22J | 22+0.0210 | 6±0.0150 | 24.8+0.30 | 2-M5 | - | - | - | - | - |
| 24 | 24+0.0210 | 7+0.061+0.025 | 27.0+0.30 | 2-M6 | 24H | 24+0.0210 | 8+0.0360 | 27.3+0.30 | 2-M6 | 24J | 24+0.0210 | 8±0.0180 | 27.3+0.30 | 2-M6 | 24N | 24+0.028+0.007 | 8+0.0360 | 27.3+0.30 | 2-M6 |
| 25 | 25+0.0210 | 7+0.061+0.025 | 28.0+0.30 | 2-M6 | 25H | 25+0.0210 | 8+0.0360 | 28.3+0.30 | 2-M6 | 25J | 25+0.0210 | 8±0.0180 | 28.3+0.30 | 2-M6 | - | - | - | - | - |
| 28 | 28+0.0210 | 7+0.061+0.025 | 31.0+0.30 | 2-M6 | 28H | 28+0.0210 | 8+0.0360 | 31.3+0.30 | 2-M6 | 28J | 28+0.0210 | 8±0.0180 | 31.3+0.30 | 2-M6 | 28N | 28+0.028+0.007 | 8+0.0360 | 31.3+0.30 | 2-M6 |
| 30 | 30+0.0210 | 7+0.061+0.025 | 33.0+0.30 | 2-M6 | 30H | 30+0.0210 | 8+0.0360 | 33.3+0.30 | 2-M6 | 30J | 30+0.0210 | 8±0.0180 | 33.3+0.30 | 2-M6 | - | - | - | - | - |
| 32 | 32+0.0250 | 10+0.061+0.025 | 35.5+0.30 | 2-M8 | 32H | 32+0.0250 | 10+0.0360 | 35.3+0.30 | 2-M8 | 32J | 32+0.0250 | 10±0.0180 | 35.3+0.30 | 2-M8 | - | - | - | - | - |
| 35 | 35+0.0250 | 10+0.061+0.025 | 38.5+0.30 | 2-M8 | 35H | 35+0.0250 | 10+0.0360 | 38.3+0.30 | 2-M8 | 35J | 35+0.0250 | 10±0.0180 | 38.3+0.30 | 2-M8 | - | - | - | - | - |
| 38 | 38+0.0250 | 10+0.061+0.025 | 41.5+0.30 | 2-M8 | 38H | 38+0.0250 | 10+0.0360 | 41.3+0.30 | 2-M8 | 38J | 38+0.0250 | 10±0.0180 | 41.3+0.30 | 2-M8 | 38N | 38+0.050+0.025 | 10+0.0360 | 41.3+0.30 | 2-M8 |
| 40 | 40+0.0250 | 10+0.061+0.025 | 43.5+0.30 | 2-M8 | 40H | 40+0.0250 | 12+0.0430 | 43.3+0.30 | 2-M8 | 40J | 40+0.0250 | 12±0.0215 | 43.3+0.30 | 2-M8 | - | - | - | - | - |
| 42 | 42+0.0250 | 12+0.075+0.032 | 45.5+0.30 | 2-M8 | 42H | 42+0.0250 | 12+0.0430 | 45.3+0.30 | 2-M8 | 42J | 42+0.0250 | 12±0.0215 | 45.3+0.30 | 2-M8 | 42N | 42+0.050+0.025 | 12+0.0430 | 45.3+0.30 | 2-M8 |
| 45 | 45+0.0250 | 12+0.075+0.032 | 48.5+0.30 | 2-M8 | 45H | 45+0.0250 | 14+0.0430 | 48.8+0.30 | 2-M10 | 45J | 45+0.0250 | 14±0.0215 | 48.8+0.30 | 2-M10 | - | - | - | - | - |
| 48 | 48+0.0250 | 12+0.075+0.032 | 51.5+0.30 | 2-M8 | 48H | 48+0.0250 | 14+0.0430 | 51.8+0.30 | 2-M10 | 48J | 48+0.0250 | 14±0.0215 | 51.8+0.30 | 2-M10 | 48N | 48+0.050+0.025 | 14+0.0430 | 51.8+0.30 | 2-M10 |
| 50 | 50+0.0250 | 12+0.075+0.032 | 53.5+0.30 | 2-M8 | 50H | 50+0.0250 | 14+0.0430 | 53.8+0.30 | 2-M10 | 50J | 50+0.0250 | 14±0.0215 | 53.8+0.30 | 2-M10 | - | - | - | - | - |
| 55 | 55+0.0300 | 15+0.075+0.032 | 60.0+0.30 | 2-M10 | 55H | 55+0.0300 | 16+0.0430 | 59.3+0.30 | 2-M10 | 55J | 55+0.0300 | 16±0.0215 | 59.3+0.30 | 2-M10 | 55N | 55+0.060+0.030 | 16+0.0430 | 59.3+0.30 | 2-M10 |
| 56 | 56+0.0300 | 15+0.075+0.032 | 61.0+0.30 | 2-M10 | 56H | 56+0.0300 | 16+0.0430 | 60.3+0.30 | 2-M10 | 56J | 56+0.0300 | 16±0.0215 | 60.3+0.30 | 2-M10 | - | - | - | - | - |
| 60 | 60+0.0300 | 15+0.075+0.032 | 65.0+0.30 | 2-M10 | 60H | 60+0.0300 | 18+0.0430 | 64.4+0.30 | 2-M10 | 60J | 60+0.0300 | 18±0.0215 | 64.4+0.30 | 2-M10 | 60N | 60+0.060+0.030 | 18+0.0430 | 64.4+0.30 | 2-M10 |
※φ11 以下的标准与所有JIS 旧标准栏的内容相同。
※ALS-014 时紧定螺钉尺寸为M3。
※紧定螺钉和键槽的位置不在同一平面上。
※紧定螺钉为产品附带。
※键槽加工的位置精度采用目视。
※如对键槽相对于各毂的位置精度有要求,请向本公司洽询。
※有关标明以外的孔加工标准尺寸,请参阅卷末的技术资料。
【紧定螺钉的位置】
| 型号 | 从端面的位置C[ mm] |
|---|---|
| ALS-014 | 3.5 |
| ALS-020 | 5 |
| ALS-030 | 5.5 |
| ALS-040 | 12.5 |
| ALS-055 | 15 |
| ALS-065 | 17.5 |
| ALS-080 | 22.5 |
| ALS-095 | 25 |
| ALS-105 | 28 |
ALS(Y) 型(夹紧型)
【规格】
| 型号 | 允许误差 | 最高转速[min-1] | 静态扭转弹性常数[N•m/rad] | 径向弹性常数[N/mm] | 转动惯量[kg・m2] | 质量[kg] | ||
|---|---|---|---|---|---|---|---|---|
| 偏心[mm] | 偏角[°] | 轴向[mm] | ||||||
| ALS-014-Y | 0.1 | 1 | 0 - +0.6 | 10000 | 12 | 200 | 1.98×10-7 | 0.007 |
| ALS-020-Y | 0.15 | 1 | 0 - +0.8 | 10000 | 24 | 210 | 1.09×10-6 | 0.019 |
| ALS-030-Y | 0.15 | 1 | 0 - +1.0 | 10000 | 73 | 330 | 6.19×10-6 | 0.045 |
| ALS-040-Y | 0.1 | 1 | 0 - +1.2 | 10000 | 760 | 940 | 4.01×10-5 | 0.16 |
| ALS-055-Y | 0.15 | 1 | 0 - +1.4 | 7000 | 1400 | 1160 | 1.63×10-4 | 0.34 |
| ALS-065-Y | 0.15 | 1 | 0 - +1.5 | 5900 | 2100 | 1200 | 3.69×10-4 | 0.54 |
| ALS-080-Y | 0.15 | 1 | 0 - +1.8 | 4800 | 4000 | 1430 | 1.04×10-3 | 1.00 |
※不允许负侧的轴向位移。
※最高转速未考虑动平衡。
※各弹性常数值为20℃时的数值。
※转动惯量及质量为最大孔径时的数值。
【尺寸】

| 型号 | d1•d2 | D | DB | L | L1•L2 | E | S | B | G | M | 紧固转矩[N•m] | |
|---|---|---|---|---|---|---|---|---|---|---|---|---|
| 最小 | 最大 | |||||||||||
| ALS-014-Y | 3 | 6 | 14 | 16.1 | 22 | 7 | 8 | 1 | 3.5 | 4.8 | 1-M2 | 0.4 |
| ALS-020-Y | 4 | 8 | 20 | 20 | 30 | 10 | 10 | 1 | 5 | 6.5 | 1-M2.5 | 1 |
| ALS-030-Y | 6 | 14 | 30 | 30 | 35 | 11 | 13 | 1.5 | 5.5 | 10.5 | 1-M3 | 1.5 |
| ALS-040-Y | 8 | 20 | 40 | 43.2 | 66 | 25 | 16 | 2 | 12.5 | 15 | 1-M5 | 7 |
| ALS-055-Y | 10 | 28 | 55 | 55 | 78 | 30 | 18 | 2 | 10.5 | 20 | 1-M6 | 14 |
| ALS-065-Y | 14 | 35 | 65 | 69.8 | 90 | 35 | 20 | 2.5 | 11.5 | 24.5 | 1-M8 | 30 |
| ALS-080-Y | 19 | 45 | 80 | 80 | 114 | 45 | 24 | 3 | 11.5 | 30 | 1-M8 | 30 |
※φDB尺寸为夹紧螺栓头部比毂外径还要伸出时的尺寸。
※夹紧螺栓M公称为数量-螺钉公称,数量是单侧毂的数量。
【标准孔径和允许传递转矩】
| 型号 | 标准孔径 d1•d2[mm]和允许传递转矩[N•m] | ||||||||||||||||||||||||||||
|---|---|---|---|---|---|---|---|---|---|---|---|---|---|---|---|---|---|---|---|---|---|---|---|---|---|---|---|---|---|
| 3 | 4 | 5 | 6 | 6.35 | 7 | 8 | 9 | 9.525 | 10 | 11 | 12 | 14 | 15 | 16 | 18 | 19 | 20 | 22 | 24 | 25 | 28 | 30 | 32 | 35 | 38 | 40 | 42 | 45 | |
| ALS-014-Y | 0.31 | 0.42 | 0.54 | 0.65 | |||||||||||||||||||||||||
| ALS-020-Y | 1.2 | 1.6 | 2.1 | 2.2 | 2.6 | 3 | |||||||||||||||||||||||
| ALS-030-Y | 2 | 2.2 | 2.7 | 3.4 | 4 | 4.4 | 4.7 | 5.4 | 6 | 7.4 | |||||||||||||||||||
| ALS-040-Y | 8 | 12 | 14 | 16 | 19 | 20 | 20 | 20 | 20 | 20 | 20 | 20 | |||||||||||||||||
| ALS-055-Y | 21 | 25 | 28 | 35 | 38 | 41 | 48 | 51 | 54 | 61 | 67 | 70 | 70 | ||||||||||||||||
| ALS-065-Y | 40 | 44 | 47 | 54 | 58 | 61 | 68 | 75 | 79 | 89 | 96 | 103 | 114 | ||||||||||||||||
| ALS-080-Y | 53 | 59 | 72 | 84 | 90 | 108 | 121 | 133 | 151 | 170 | 182 | 194 | 212 | ||||||||||||||||
※表中数值栏内的孔径按标准孔径处理。
※数值栏内的孔径的允许转矩根据轴紧固部分的夹持力受限制。数值表示该允许转矩[N•m]。
※对方安装轴的尺寸公差为h7 级。但孔径为φ35 时的轴公差为 -0.025 ~+0.010。
※可提供的孔径范围为尺寸表的最小孔径以上,最大孔径以下,关于上表以外的孔径,可另行提供应对服务,请向本公司洽询。

【元件】

| 型号 | F | R1 | R2 | K | A |
|---|---|---|---|---|---|
| ALS-014-Y-EL | 6.2 | 3.5 | - | 2.5 | 1.2 |
| ALS-020-Y-EL | 8.2 | 6.2 | - | 3.4 | 1.4 |
| ALS-030-Y-EL | 10.2 | 8.5 | - | 4 | 2.2 |
| ALS-040-Y-EL | 12 | 18 | - | 4.5 | 3 |
| ALS-055-Y-EL | 14 | 24 | - | 5.5 | 3 |
| ALS-065-Y-EL | 15 | 30 | - | 5.5 | 4 |
| ALS-080-Y-EL | 18 | 37 | 15 | 7 | 4 |
| ALS-095-Y-EL | 20 | 43 | 20 | 8 | 4 |
| ALS-105-Y-EL | 21 | 50 | 20 | 8.5 | 4 |
