BXH 모델

건식 무여자 작동형의 콤팩트한 유지 및 비상 제동 전용 브레이크입니다. BXL 모델과 동일한 규격으로 2배의 브레이크 토크를 지니고 있습니다. 당연히 사용 초기부터 토크가 정격치를 100% 만족하므로 고객이 시운전을 할 필요가 없습니다.

건식 무여자 작동형의 콤팩트한 유지 및 비상 제동 전용 브레이크입니다. BXL 모델과 동일한 규격으로 2배의 브레이크 토크를 지니고 있습니다. 당연히 사용 초기부터 토크가 정격치를 100% 만족하므로 고객이 시운전을 할 필요가 없습니다.
BXH 모델
【사양】
| 형식 | 사이즈 | 정적 마찰 토크Ts[N・m] | 코일(at 20℃) | 내열 등급 | 리드선 | 최고 회전 속도[min-1] | 회전부 관성 모멘트 J[kg・m2] | 허용 제동 작업 Ebaℓ[J] | 총 제동 작업 ET[J] | 아마추어 흡인 시간ta[s] | 아마추어 해방 시간tar[s] | 질량[kg] | ||||
|---|---|---|---|---|---|---|---|---|---|---|---|---|---|---|---|---|
| 전압[V] | 용량[W] | 전류[A] | 저항[Ω] | UL 스타일 | 크기 | |||||||||||
| BXH-06-10 | 06 | 4 | DC24 | 15 | 0.63 | 38.4 | F | UL3398 | AWG22 | 5000 | 3.25×10-5 | 700 | 2.0×106 | 0.040 | 0.020 | 0.9 |
| DC45 | 12 | 0.27 | 169 | |||||||||||||
| DC90 | 0.13 | 677 | ||||||||||||||
| BXH-08-10 | 08 | 8 | DC24 | 22.5 | 0.94 | 25.6 | F | UL3398 | AWG18 | 5000 | 5.75×10-5 | 1100 | 3.5×106 | 0.045 | 0.020 | 1.3 |
| DC45 | 19 | 0.41 | 110 | |||||||||||||
| DC90 | 0.21 | 440 | ||||||||||||||
| BXH-10-10 | 10 | 16 | DC24 | 28 | 1.14 | 21.1 | F | UL3398 | AWG18 | 4000 | 1.30×10-4 | 1300 | 6.2×106 | 0.070 | 0.025 | 2.3 |
| DC45 | 25 | 0.54 | 83 | |||||||||||||
| DC90 | 0.27 | 331 | ||||||||||||||
| BXH-12-10 | 12 | 32 | DC24 | 35 | 1.46 | 16.5 | F | UL3398 | AWG18 | 3600 | 3.20×10-4 | 1600 | 9.0×106 | 0.090 | 0.025 | 3.4 |
| DC90 | 30 | 0.33 | 271 | |||||||||||||
| BXH-16-10 | 16 | 44 | DC24 | 39 | 1.64 | 14.6 | F | UL3398 | AWG18 | 3000 | 6.93×10-4 | 2200 | 11.4×106 | 0.125 | 0.030 | 5.4 |
| DC90 | 0.43 | 207 | F | |||||||||||||
※아마추어 흡인 시간, 아마추어 해방 시간은 직류측 스위칭 시의 값입니다.
※교류측 스위칭(반파 정류)시의 아마추어 흡인 시간, 아마추어 해방 시간은 동작 특성 페이지를 참조하십시오.
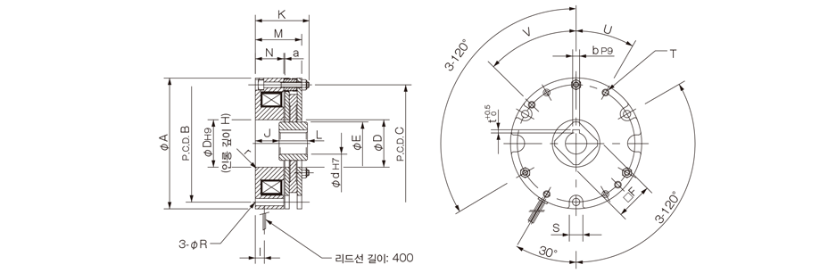
【치수】

| 사이즈 | A | B | C | D | r | E | F | H | I | J | K | L | M | N | R | S | T | U | V | a | d | b | t |
|---|---|---|---|---|---|---|---|---|---|---|---|---|---|---|---|---|---|---|---|---|---|---|---|
| 06 | 83 | 73 | 73 | 28 | R1 | 26.5 | 22 | 3 | 10 | 20.5 | 39.5 | 14 | 33.6 | 20 | 4.5 | 9 | 2-M5 | 30゜ | - | 0.15 | 11 | 4 | 1.5 |
| 08 | 96 | 86 | 86 | 35 | R1 | 32 | 25 | 3 | 12 | 20 | 41 | 17 | 35 | 20.8 | 5.5 | 10.5 | 2-M5 | 30゜ | - | 0.15 | 14 | 5 | 2 |
| 10 | 116 | 104 | 104 | 42 | R1 | 38 | 30 | 3 | 9.5 | 21 | 47.5 | 25 | 41 | 25.3 | 6.5 | 12.5 | 2-M6 | 30゜ | - | 0.2 | 19 | 6 | 2.5 |
| 12 | 138 | 124 | 124 | 50 | R1 | 45 | 35 | 4 | 12 | 19 | 49.8 | 30 | 43.5 | 23.3 | 6.5 | 12.5 | 4-M6 | 30゜ | 45゜ | 0.2 | 24 | 8 | 3 |
| 16 | 158 | 142 | 143 | 59 | R1 | 55 | 45 | 4 | 14 | 22.5 | 57.5 | 35 | 51 | 27.7 | 9 | 15.5 | 4-M8 | 40゜ | 40゜ | 0.25 | 28 | 8 | 3 |

옵션 번호: 12
표준품의 수동 해방 탭 이외에 옵션 대응으로
수동 해방 레버도 구비되어 있습니다 .
해방레 버 가 달 린 브 레 이 크 의 치 수 는 아 래치수표를 참조하십시오 .
또한 기타 사양치는 문의하시기 바랍니다 .
【치수】

| 형식 | A | B | C | D | E | F | G | H | I | J | K | L | M | N | O | P | Q | R | Y | U | V | S | a | d | b | t |
|---|---|---|---|---|---|---|---|---|---|---|---|---|---|---|---|---|---|---|---|---|---|---|---|---|---|---|
| BXH-06-12 | 83 | 73 | 73 | 28 | 26.5 | 22 | 42.8 | 3 | 10 | 20.5 | 49.5 | 14 | 33.7 | 20 | 2.9 | 105 | 24 | 4.5 | 81 | 73 | 20 | 9 | 0.15 | 11 | 4 | 1.5 |
| BXH-08-12 | 96 | 86 | 86 | 35 | 32 | 25 | 45.4 | 3 | 12 | 20 | 56 | 17 | 35.3 | 20.8 | 4 | 122 | 27 | 5.5 | 95 | 85 | 20 | 10.5 | 0.2 | 14 | 5 | 2 |
| BXH-10-12 | 116 | 104 | 104 | 42 | 38 | 30 | 53.9 | 3 | 9.5 | 21 | 63 | 25 | 42.2 | 25.3 | 4.5 | 162.5 | 32.5 | 6.5 | 130 | 103 | 28 | 12.5 | 0.25 | 19 | 6 | 2.5 |
| BXH-12-12 | 138 | 124 | 124 | 50 | 45 | 35 | 58.3 | 4 | 12 | 19 | 70 | 30 | 45.4 | 23.3 | 5 | 200 | 40 | 6.5 | 160 | 121 | 36 | 12.5 | 0.25 | 24 | 8 | 3 |
| BXH-16-12 | 158 | 142 | 143 | 59 | 55 | 45 | 66.5 | 4 | 14 | 22.5 | 72.5 | 35 | 53.3 | 27.7 | 6 | 230 | 44 | 9 | 186 | 140 | 36 | 15.5 | 0.25 | 28 | 8 | 3 |
옵션 번호: S1
로터와 로터 하부 사이에는 구조상 아래 그림과 같은 아주 작은 백래시가 있습니다. 단상 모터 등의 구동축의 미세진동이 발생하기 쉬운 용도에서는 백래시에 의한 달칵거리는 소리(두드리는 소리)가 발생할 수 있습니다.
로터 하부용 소음 스프링이 달칵거리는 소리를 줄여 줍니다.

| 옵션 내용 | 정음 기구 없음 | 소음 스프링 |
|---|---|---|
| 해방 레버 없음 | 10 | 10S1 |
| 해방 레버 부착 | 12 | 12S1 |
※옵션10은 표준 사양입니다.
