CO series

Non-contact type coupling utilizing suction/repulsion of the magnet, which has a parallel shaft type structure. Easy attachment/detachment and additionally torque limiter function available.
PDF・CAD데이터 다운로드는 여기로

Non-contact type coupling utilizing suction/repulsion of the magnet, which has a parallel shaft type structure. Easy attachment/detachment and additionally torque limiter function available.
PDF・CAD데이터 다운로드는 여기로
CO SERIES
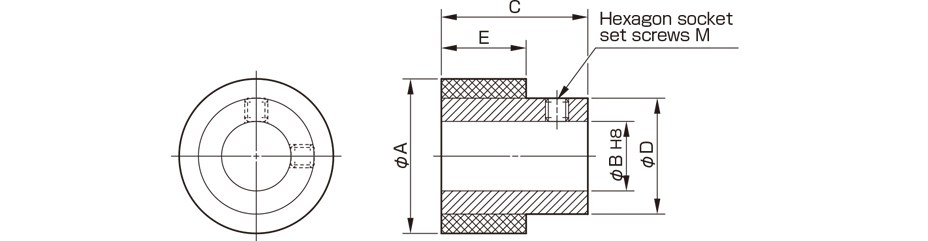
[Specifications and Dimensions]

| Set Model | Transmission torque [N・m](at.20℃) | A [mm] | B [mm] | C [mm] | D [mm] | E [mm] | M nominal | Set mass[kg] | ||
|---|---|---|---|---|---|---|---|---|---|---|
| Air gap | ||||||||||
| 0.5mm | 1mm | 2mm | ||||||||
| CO2626-18-SF | 0.177 | 0.123 | 0.067 | 26 | 12 | 25 | 20 | 14 | M4 | 0.13 |
| CO3535-18-SF | 0.788 | 0.610 | 0.376 | 35 | 15 | 32 | 29 | 22 | M5 | 0.34 |
【Download CAD data】
| Model No. | CAD DATA | |
|---|---|---|
| CO2626-18 | CO2626-18.dxf | CO2626-18.step |
| CO3535-18 | CO3535-18.dxf | CO3535-18.step |
