SFM 모델

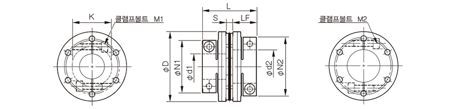
공작기계의 주축 용도에 대응 가능하도록 개발한 모델로, 고정도 및 고속에 대응한 판 스프링 커플링입니다. 고정도 부착에 대응하기 위해 플랜지부는 물론이고 가압 플랜지에도 센터링 기구를 설치하였으며, 게다가 고속 회전 시의 바람소리를 저감시키기 위해 판 스프링 바깥둘레를 플랜지로 덮어 굴곡이 적은 형상으로 만들었습니다. 초고강성의 싱글 엘레멘트 타입과 스페이서를 통해 엘레멘트를 더블 배치하여 유연성을 갖춘 더블 엘레멘트 타입을 제공합니다.
日本語
English
Deutsch
中文
한국어












