SD 차동형

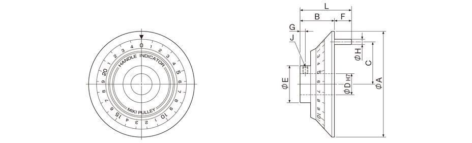
회전축을 돌리면 눈금판이 같은 방향으로 회전합니다. 눈금은 시계방향으로 증가하는 것과 반시계 방향으로 증가하는 것 중에서 자유롭게 선택할 수 있습니다. 게다가 눈금이 없는 타입을 선택해서 눈금을 자유롭게 입력할 수도 있습니다. 또한 웨이트형과 같이 부착 방향의 제한을 받지 않으므로 어느 방향에서든 부착이 가능합니다.

회전축을 돌리면 눈금판이 같은 방향으로 회전합니다. 눈금은 시계방향으로 증가하는 것과 반시계 방향으로 증가하는 것 중에서 자유롭게 선택할 수 있습니다. 게다가 눈금이 없는 타입을 선택해서 눈금을 자유롭게 입력할 수도 있습니다. 또한 웨이트형과 같이 부착 방향의 제한을 받지 않으므로 어느 방향에서든 부착이 가능합니다.