ACW 모델

ANS 모델의 변속기에 전자 클러치・브레이크, 모터, 웜 감속기를 조합한 모델로 종동측 변속 풀리에 전자 클러치를, 웜 감속기 입력 축에 전자 브레이크를 각각 장착한 콤팩트한 설계입니다. 웜 감속기를 조합함으로써 최적의 출력 회전 속도를 얻을 수 있고, 전자 클러치・브레이크에 의해 기동 및 정지, 위치결정, 미동, 간헐운전 등을 간단히 실현합니다.

ANS 모델의 변속기에 전자 클러치・브레이크, 모터, 웜 감속기를 조합한 모델로 종동측 변속 풀리에 전자 클러치를, 웜 감속기 입력 축에 전자 브레이크를 각각 장착한 콤팩트한 설계입니다. 웜 감속기를 조합함으로써 최적의 출력 회전 속도를 얻을 수 있고, 전자 클러치・브레이크에 의해 기동 및 정지, 위치결정, 미동, 간헐운전 등을 간단히 실현합니다.
ACW
【사양1】
| 형식 | 모터 출력[kW] | 극수 | 전원 전압[V]/주파수[Hz] | 변속비 | 사용 변속기 | 사용 벨트형식 | 감속기 | 질량[kg] | |
|---|---|---|---|---|---|---|---|---|---|
| 모터측 변속기형식 | 기계측 변속기형식 | ||||||||
| ACW-02PMN | 0.2 | 4 | 3상 200/50、200・220/60 | 1:4 | AK-90-AN-11 | PE-106-AC-12H | 1022V196S | N-CPM-12 | 19.5 |
| ACW-04PMN | 0.4 | 4 | 3상 200/50、200・220/60 | 1:4 | AK-106-AN-14N | PE-125-AC-15H | 1422V236S | N-CPM-15 | 28.5 |
| ACW-07PMN | 0.75 | 4 | 3상 200/50、200・220/60 | 1:4 | AK-125-AN-19N | PE-150-AC-18H | 1422V270S | N-CPM-18 | 48 |
| ACW-15PMN | 1.5 | 4 | 3상 200/50、200・220/60 | 1:4 | AK-150-AN-24N | PE-180N-AC-22H | 1922V338S | N-CPM-22 | 75 |
| ACW-22PMN | 2.2 | 4 | 3상 200/50、200・220/60 | 1:4 | AK-180-AN-28N | PE-212-AC-25H | 2322V387S | N-CPM-25 | 120 |
| ACW-37PMN | 3.7 | 4 | 3상 200/50、200・220/60 | 1:4 | AK-180-AN-28N | PE-212-AC-30H | 2322V387S | N-CPM-30 | 148.5 |
※ 0.2kW・0.4kW 모터는JIS C 4210, 0.75kW 이상의 모터는 JIS C 4213 기준에 맞게 설계된 전체외선형 모터입니다.
【사양2】
| 형식 | 전자 클러치・브레이크 | |||||||
|---|---|---|---|---|---|---|---|---|
| 크기 | 동적 마찰토크[N・m] | 정적 마찰토크[N・m] | 여자전압[V] | 용량[W] | 전류[A] | 저항[Ω] | 내열 등급 | |
| ACW-02PMN | 06 | 5 | 5.5 | DC 24 | 11 | 0.46 | 52 | B |
| ACW-04PMN | 08 | 10 | 11 | DC 24 | 15 | 0.63 | 38 | B |
| ACW-07PMN | 10 | 20 | 22 | DC 24 | 20 | 0.83 | 29 | B |
| ACW-15PMN | 12 | 40 | 45 | DC 24 | 25 | 1.09 | 23 | B |
| ACW-22PMN | 16 | 80 | 90 | DC 24 | 35 | 1.46 | 16 | B |
| ACW-37PMN | 16 | 80 | 90 | DC 24 | 35 | 1.46 | 16 | B |
※연속 또는 높은 빈도 운전으로 사용할 때는, 온도 상승을 고려할 필요가 있습니다. 당사로 문의해 주십시오.
【사양3】
| 형식 | 주파수[Hz] | 각 감속 비율의 출력축 회전 속도[min-1]와 출력축 토크[N・m] | |||||
|---|---|---|---|---|---|---|---|
| 1/10 | 1/20 | 1/30 | 1/40 | 1/50 | 1/60 | ||
| 50 | 50~200 | 25~100 | 17~68 | 12.5~50 | 10~40 | 8.5~34 | |
| 60 | 60~240 | 30~120 | 20~80 | 15~60 | 12~48 | 10~40 | |
| ACW-02PMN | 50 | 24.5~6.4 | 40.2~11.3 | 55.0~16.2 | 55.0~18.8 | 55.0~23.3 | 55.0~26.1 |
| 60 | 19.6~5.1 | 32.1~9.1 | 44.8~13.0 | 48.9~15.0 | 55.0~18.6 | 55.0~20.9 | |
| ACW-04PMN | 50 | 49.4~12.9 | 86.3~23.8 | 115~32.9 | 120~40.7 | 107~46.1 | 100~53.3 |
| 60 | 39.5~10.3 | 69.1~19.0 | 92.0~26.3 | 109~32.5 | 103~36.9 | 95.3~42.6 | |
| ACW-07PMN | 50 | 92.3~24.4 | 167~45.9 | 212~62.5 | 193~80.5 | 151~87.0 | 151~102 |
| 60 | 73.8~19.5 | 134~36.7 | 173~50.0 | 186~64.4 | 145~69.6 | 144~81.7 | |
| ACW-15PMN | 50 | 186~50.7 | 237~94.0 | 303~131 | 263~163 | 252~166 | 215~143 |
| 60 | 153~40.9 | 224~75.8 | 288~106 | 251~131 | 242~159 | 204~143 | |
| ACW-22PMN | 50 | 212~79.3 | 394~151 | 507~208 | 526~270 | 467~308 | 441~294 |
| 60 | 178~66.1 | 331~126 | 430~173 | 502~225 | 448~271 | 420~294 | |
| ACW-37PMN | 50 | 360~134 | 644~251 | 870~353 | 768~443 | 799~525 | 716~468 |
| 60 | 303~112 | 546~210 | 742~294 | 733~369 | 766~475 | 676~468 | |
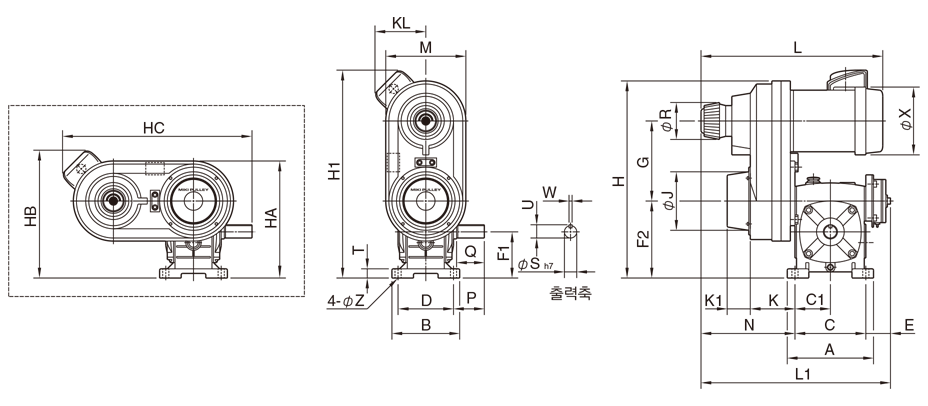
【치수】

| 형식 | ACW-02PMN | ACW-04PMN | ACW-07PMN | ACW-15PMN | ACW-22PMN | ACW-37PMN |
|---|---|---|---|---|---|---|
| A | 140 | 150 | 190 | 220 | 270 | 320 |
| B | 120 | 130 | 150 | 170 | 190 | 230 |
| C | 110 | 120 | 150 | 180 | 220 | 260 |
| C1 | 55 | 60 | 75 | 90 | 110 | 130 |
| D | 95 | 105 | 115 | 135 | 155 | 180 |
| E | 52 | 57 | 63.6 | 62 | 81 | 85.5 |
| F1 | 80 | 90 | 105 | 120 | 150 | 180 |
| F2 | 130 | 150 | 175 | 200 | 250 | 300 |
| G | 140 | 160 | 186 | 239 | 250 | 250 |
| H | 340 | 389 | 456 | 549 | 628 | 678 |
| H1 | 379 | 419 | 477 | 564 | - | - |
| J | 98 | 108 | 134 | 158 | 190 | 190 |
| K | 83 | 101 | 109 | 158.5 | 143 | 148 |
| K1 | 57 | 49 | 53 | 59.5 | 105 | 105 |
| L | 345.5 | 373 | 417.5 | 462.5 | 542 | 627.5 |
| L1 | 337 | 372 | 436.1 | 476 | 599 | 648 |
| M | 139 | 158 | 190 | 220 | 255 | 255 |
| N | 175 | 195 | 222.5 | 234 | 298 | 302.5 |
| P | 47.5 | 57.5 | 72.5 | 72.5 | 92.5 | 100 |
| Q | 40 | 50 | 60 | 65 | 75 | 85 |
| R | 70 | 70 | 80 | 80 | 80 | 80 |
| T | 15 | 20 | 22 | 25 | 25 | 30 |
| S | 17 | 22 | 28 | 32 | 38 | 45 |
| U | 19 | 24.5 | 31 | 35 | 41 | 48.5 |
| W | 5 | 6 | 8 | 10 | 10 | 14 |
| X | 131 | 131 | 162 | 187 | 202 | 235 |
| Z | 11 | 11 | 15 | 15 | 15 | 18 |
| KL | 109 | 109 | 116.5 | 125 | 141.5 | 164.5 |
| HA | 195.5 | 229 | 270 | 310 | 378 | 428 |
| HB | 239 | 259 | 291.5 | 325 | 391.5 | 464.5 |
| HC | 344 | 379 | 432.5 | 504 | 547.5 | 567.5 |

표준 핸들부에 핸들 회전 지시계(SD형)를 내장할 수 있습니다.

| 형식 | 핸들 회전수 | AN용 SD형식 |
|---|---|---|
| AN□-02-SD | 5 | SD-53B-B544 |
| AN□-04-SD | 6 | SD-53B-B545 |
| AN□-07-SD | 7 | SD-53B-B546 |
| AN□-15-SD | 8.25 | SD-53B-B547 |
| AN□-22-SD | 8.25 | SD-53B-B548 |
| AN□-37-SD | 8.75 | SD-53B-B549 |
※AN용의 SD형에는 핸들 회전수에 맞춰 레드존을 설정했습니다.
기계 정지 시에 핸들을 삽입하고 미세조정·위치 맞추기를 쉽게 할 수 있습니다.
PE형 변속 풀리의 사각 구멍 부시에, TH 정지 시 조정 핸들을 부착하고 미세조정·위치 맞추기를 실행합니다.
※ 정지 시 조정 핸들(TH-125-12)은 별도 주문하십시오.

【AN 유닛 부착 시】
| 형식 | A | B | C | D | L | X |
|---|---|---|---|---|---|---|
| AN□-02-TH | 106 | 40 | 188 | 2 | 101 | 20 |
| AN□-04-TH | 125 | 44 | 188 | 2 | 122 | 20 |
| AN□-07-TH | 155 | 42 | 188 | 2 | 124 | 20 |
| AN□-15-TH | 185 | 53 | 185 | 5 | 151 | 20 |
| AN□-22-TH | 185 | 57 | 188 | 2 | 164 | 20 |
| AN□-37-TH | 216 | 74 | 189 | 1 | 175 | 20 |
【ACW 유닛 부착 시】
| 형식 | A | B | C | D | L | X |
|---|---|---|---|---|---|---|
| ACW-02PMN-TH | 106 | 57 | 207 | -17 | 136.5 | 20 |
| ACW-04PMN-TH | 125 | 49 | 198.5 | -8.5 | 137.5 | 34 |
| ACW-07PMN-TH | 155 | 53 | 202 | -12 | 150 | 20 |
| ACW-15PMN-TH | 185 | 60 | 197.5 | -7.5 | 170.5 | 20 |
상용 교류 전원(AC100·200V)을 연결하기만 하면, 전자 클러치·브레이크에 필요한 직류 24V의 여자용 전원을 얻을 수 있습니다. 특히, 전자 클러치와 전자 브레이크를 연동시켜 작동시키는 콤비네이션 모드를 탑재하고 있어서, 고정도 및 고속으로 운전할 수 있습니다. 또한, 접속한 전자 클러치·브레이크를 자동으로 검지하여 최적의 운전 조건으로 설정하는 오토 튜닝 기능과 보호 기능도 충실하여, 잘못된 배선이나 미접속, 설정 실수 등을 알람으로 표시하여 결함 원인을 쉽게 제거 할 수 있는 고기능의 전원 장치입니다.

| 적용 유닛 | 전원 장치 형식 입력 전압 [V] | 입력 전압 [V] | 출력 전압 [V] | 출력 용량 [W] |
|---|---|---|---|---|
| ACW·ANB 모든 기종 공통 | BEH-10G | AC200/220 ± 10% | DC24 | 50 |
| BEH-20G-1 | AC100/115 ± 10% | DC24 | 100 |
