N-PFRモデル

![]()
N-PFRモデル
【仕様】
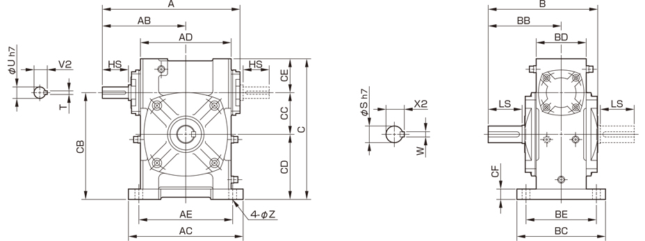
【寸法】

| 型式 | A | AB | AC | AD | AE | B | BB | BC | BD | BE | C | CB | CC | CD | CE | CF | Z | 入力軸 | 出力軸 | 質量[kg] | 油量[ℓ] | ||||||
|---|---|---|---|---|---|---|---|---|---|---|---|---|---|---|---|---|---|---|---|---|---|---|---|---|---|---|---|
| HS | U | T | V2 | LS | S | W | X2 | ||||||||||||||||||||
| N-PFR12 | 175 | 105 | 140 | 115 | 110 | 145 | 95 | 120 | 70 | 95 | 170 | 130 | 50 | 80 | 40 | 10 | 11 | 30 | 12 | 4 | 13.5 | 40 | 17 | 5 | 19 | 9.0 | 0.4 |
| N-PFR15 | 195 | 120 | 150 | 126 | 120 | 165 | 110 | 130 | 79 | 105 | 198 | 150 | 60 | 90 | 48 | 12 | 11 | 40 | 15 | 5 | 17 | 50 | 22 | 6 | 24.5 | 12.0 | 0.5 |
| N-PFR18 | 234 | 140 | 190 | 155 | 150 | 195 | 130 | 150 | 89 | 115 | 230 | 175 | 70 | 105 | 55 | 15 | 15 | 40 | 18 | 6 | 20.5 | 60 | 28 | 8 | 31 | 20.0 | 1.1 |
| N-PFR22 | 264 | 160 | 220 | 174 | 180 | 210 | 140 | 170 | 96 | 135 | 270 | 205 | 80 | 125 | 65 | 20 | 15 | 50 | 22 | 6 | 24.5 | 65 | 32 | 10 | 35 | 27.0 | 1.4 |
| N-PFR25 | 322 | 190 | 270 | 224 | 220 | 260 | 170 | 190 | 116 | 155 | 330 | 250 | 100 | 150 | 80 | 20 | 15 | 50 | 25 | 8 | 28 | 75 | 38 | 10 | 41 | 43.0 | 2.6 |

三木プーリのベルポニー ウォーム減速機 N-PFRモデルの製品詳細ページです。
N-PFRモデルの型式ごとの詳細な仕様、寸法がご覧頂けます他、
カタログなどのダウンロードが可能です。