Modellreihe SFC Technische Daten
Typen SFC-□SA2
[Technische Daten]
| Modell | Typ | Nenndrehmoment [N・m] | Versatz | Max. Drehzahl [min-1] | Torsionssteifigkeit [N・m/rad] | Axialsteifigkeit [N/mm] | Trägheitsmoment [kg・m2] | Masse [kg] |
| Parallel [mm] | Winkel [゜] | Axial[mm] |
| SFC-002SA2 | C | 0.25 | 0.01 | 0.5 | ±0.04 | 10000 | 190 | 34 | 0.06×10-6 | 0.003 |
|---|
| SFC-005SA2 | C | 0.6 | 0.02 | 0.5 | ±0.05 | 10000 | 500 | 140 | 0.26×10-6 | 0.007 |
|---|
| SFC-010SA2 | C | 1 | 0.02 | 1 | ±0.1 | 10000 | 1400 | 140 | 0.58×10-6 | 0.011 |
|---|
| SFC-020SA2 | C | 2 | 0.02 | 1 | ±0.15 | 10000 | 3700 | 64 | 2.39×10-6 | 0.025 |
|---|
| SFC-025SA2 | C | 4 | 0.02 | 1 | ±0.19 | 10000 | 5600 | 60 | 3.67×10-6 | 0.029 |
|---|
| SFC-030SA2 | A | 5 | 0.02 | 1 | ±0.2 | 10000 | 8000 | 64 | 4.07×10-6 | 0.034 |
|---|
| B | 6.09×10-6 | 0.041 |
| C | 8.20×10-6 | 0.049 |
| SFC-035SA2 | C | 10 | 0.02 | 1 | ±0.25 | 10000 | 18000 | 112 | 18.44×10-6 | 0.082 |
|---|
| SFC-040SA2 | A | 12 | 0.02 | 1 | ±0.3 | 10000 | 20000 | 80 | 16.71×10-6 | 0.077 |
|---|
| B | 22.55×10-6 | 0.085 |
| C | 29.25×10-6 | 0.100 |
| SFC-050SA2 | A | 25 | 0.02 | 1 | ±0.4 | 10000 | 32000 | 48 | 55.71×10-6 | 0.159 |
|---|
| B | 76.26×10-6 | 0.177 |
| C | 99.03×10-6 | 0.206 |
| SFC-055SA2 | C | 40 | 0.02 | 1 | ±0.42 | 10000 | 50000 | 43 | 188.0×10-6 | 0.314 |
|---|
| SFC-060SA2 | A | 60 | 0.02 | 1 | ±0.45 | 10000 | 70000 | 76.4 | 145.9×10-6 | 0.283 |
|---|
| B | 205.0×10-6 | 0.326 |
| C | 268.6×10-6 | 0.385 |
| SFC-080SA2 | C | 100 | 0.02 | 1 | ±0.55 | 10000 | 140000 | 128 | 710.6×10-6 | 0.708 |
|---|
| SFC-090SA2 | C | 180 | 0.02 | 1 | ±0.65 | 10000 | 100000 | 108 | 1236×10-6 | 0.946 |
|---|
| SFC-100SA2 | C | 250 | 0.02 | 1 | ±0.74 | 10000 | 120000 | 111 | 1891×10-6 | 1.202 |
|---|
*Sehen Sie auf der Liste der Standardbohrdurchmesser nach, da das Nenndrehmoment durch die Haltekraft der Wellenverbindungskomponente begrenzt sein kann.
*Max. Rotationsgeschwindigkeit belässt das dynamische Gleichgewicht außer acht.
*Bereitgestellte Torsionssteifewerte sind für das Element allein gemessene Werte.
*Das Masseträgheitsmoment werden für den maximalen Bohrdurchmesser gemessen.
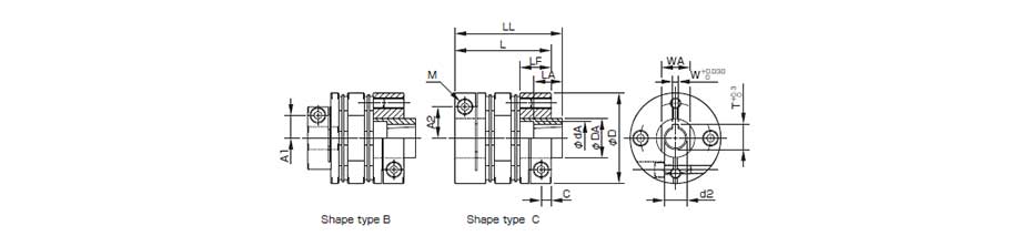
[Abmessungen]

| Model | Type | d1[mm] | d2[mm] | D[mm] | DB[mm] | N[mm] | L[mm] | LF[mm] | S[mm] | A1[mm] | A2[mm] | C[mm] | K[mm] | M Qty - Nominal dia | Tightening torque[N・m] |
| Min. | Max. | Min. | Max. |
| SFC-002SA2 | C | 3 | 5 | 3 | 5 | 12 | 12.4 | ─ | 12.35 | 5.9 | 0.55 | ─ | 3.7 | 1.9 | 5.6 | 1-M1.6 | 0.23 bis 0.28 |
|---|
| SFC-005SA2 | C | 3 | 6 | 3 | 6 | 16 | ─ | ─ | 16.7 | 7.85 | 1 | ─ | 4.8 | 2.5 | 6.5 | 1-M2 | 0.4 bis 0.5 |
|---|
| SFC-010SA2 | C | 3 | 8 | 3 | 8 | 19 | ─ | ─ | 19.35 | 9.15 | 1.05 | ─ | 5.8(6) | 3.15 | 8.5 | 1-M2.5(M2) | 1.0 bis 1.1(0.4 bis 0.5) |
|---|
| SFC-020SA2 | C | 4 | 10 | 4 | 11 | 26 | ─ | ─ | 23.15 | 10.75 | 1.65 | ─ | 9.5 | 3.3 | 10.6 | 1-M2.5 | 1.0 bis 1.1 |
|---|
| SFC-025SA2 | C | 5 | 14 | 5 | 14 | 29 | ─ | ─ | 23.4 | 10.75 | 1.9 | ─ | 11 | 3.3 | 14.5 | 1-M2.5 | 1.0 bis 1.1 |
|---|
| SFC-030SA2 | A | 5 | 10 | 5 | 10 | 34 | ─ | 21.6 | 27.3 | 12.4 | 2.5 | 8 | ─ | 3.75 | 14.5 | 1-M3 | 1.5 bis 1.9 |
|---|
| B | 5 | 10 | Über 10 | 16 | 8 | 12.5 |
| C | Über 10 | 14 | Über 10 | 16 | ─ | ─ | 12.5 |
| SFC-035SA2 | C | 6 | 16 | 6 | 19 | 39 | ─ | ─ | 34 | 15.5 | 3 | ─ | 14 | 4.5 | 17 | 1-M4 | 3.4 bis 4.1 |
|---|
| SFC-040SA2 | A | 8 | 15 | 8 | 15 | 44 | ─ | 29.6 | 34 | 15.5 | 3 | 11 | ─ | 4.5 | 19.5 | 1-M4 | 3.4 bis 4.1 |
|---|
| B | 8 | 15 | Über 15 | 24 | 11 | 17 |
| C | Über 15 | 19 | Über 15 | 24 | ─ | ─ | 17 |
| SFC-050SA2 | A | 8 | 19 | 8 | 19 | 56 | ─ | 38 | 43.4 | 20.5 | 2.4 | 14.5 | ─ | 6 | 26 | 1-M5 | 7.0 bis 8.5 |
|---|
| B | 8 | 19 | Über 19 | 30 | 14.5 | 22 |
| C | Über 19 | 25 | Über 19 | 30 | ─ | ─ | 22 |
| SFC-055SA2 | C | 10 | 30 | 10 | 30 | 63 | ─ | ─ | 50.6 | 24 | 2.6 | ─ | 23 | 7.75 | 31 | 1-M6 | 14 bis 15 |
|---|
| SFC-060SA2 | A | 11 | 24 | 11 | 24 | 68 | ─ | 46 | 53.6 | 25.2 | 3.2 | 17.5 | ─ | 7.75 | 31 | 1-M6 | 14 bis 15 |
|---|
| B | 11 | 24 | Über 24 | 35 | 17.5 | 26.5 |
| C | Über 24 | 30 | Über 24 | 35 | ─ | ─ | 26.5 |
| SFC-080SA2 | C | 18 | 35 | 18 | 40 | 82 | ─ | ─ | 68 | 30 | 8 | ─ | 28 | 9 | 38 | 1-M8 | 27 bis 30 |
|---|
| SFC-090SA2 | C | 25 | 40 | 25 | 45 | 94 | ─ | ─ | 68.3 | 30 | 8.3 | ─ | 34 | 9 | 42 | 1-M8 | 27 bis 30 |
|---|
| SFC-100SA2 | C | 32 | 45 | 32 | 45 | 104 | ─ | ─ | 69.8 | 30 | 9.8 | ─ | 39 | 9 | 48 | 1-M8 | 27 bis 30 |
|---|
* Der øDB-Wert wurde in der Annahme gemessen, dass der Kopf der Klemmschraube größer ist als der externe Durchmesser der Nabe.
* Die K-Diemension ist der Innendurchmesser des Elements. Damit die d2-Dimension diesen Wert nicht überschreitet, darf die Welle nur bis zur LF-Dimension in die d2-Seitennabe eingeführt werden.
* Der Nenndurchmesser für die Klemmschraube M entspricht der Menge minus dem Nenndurchmesser der Gewinde, wobei die Menge für eine Nabe auf einer Seite steht.
* Die in Klammern "( )" angegebenen Daten für die SFC-010 sind Werte im Falle von d1 oder d2 gleich ø8 mm.
[Standardbohrungsdurchmesser]
| Standardbohrdurchmesser (Option), d1/d2 [mm] und begrenztes Nenndrehmoment [N∙m] |
Nominaler Bohrdurchmesser | 3 | 4 | 5 | 6 | 6.35 | 7 | 8 | 9 | 9.525 | 10 | 11 | 12 | 13 | 14 | 15 | 16 | 17 | 18 | 19 | 20 | 22 | 24 | 25 | 28 | 30 | 32 | 35 | 38 | 40 | 42 | 45 |
| Wellentoleranz h7 (h6・g6) | B | ● | ● | ● | ● | ● | ● | ● | ● | ● | ● | ● | ● | ● | ● | ● | ● | ● | ● | ● | ● | ● | ● | ● | ● | ● | ● | ● | ● | ● | ● | ● |
| Wellentoleranz j6 (Option) | J | | | | | | | | | | | | | | | | | | | ○ | | ○ | ○ | | ○ | | | | | | | |
| Wellentoleranz k6 (Option) | K | | | | | | | ○ | ○ | | | | | | ○ | | ○ | | | ○ | | ○ | ○ | | | | ○ | | ○ | | | |
| SFC-002SA2 | d1 | ● | ● | ● | | | | | | | | | | | | | | | | | | | | | | | | | | | | |
|---|
| d2 | ● | ● | ● | | | | | | | | | | | | | | | | | | | | | | | | | | | | |
| SFC-005SA2 | d1 | ● | ● | ● | ● | | | | | | | | | | | | | | | | | | | | | | | | | | | |
|---|
| d2 | ● | ● | ● | ● | | | | | | | | | | | | | | | | | | | | | | | | | | | |
| SFC-010SA2 | d1 | ● | ● | ● | ● | ● | ● | ● | | | | | | | | | | | | | | | | | | | | | | | | |
|---|
| d2 | ● | ● | ● | ● | ● | ● | ● | | | | | | | | | | | | | | | | | | | | | | | | |
| SFC-020SA2 | d1 | | ● | ● | ● | ● | ● | ● | ● | ● | ● | | | | | | | | | | | | | | | | | | | | | |
|---|
| d2 | | ● | ● | ● | ● | ● | ● | ● | ● | ● | ● | | | | | | | | | | | | | | | | | | | | |
| SFC-025SA2 | d1 | | | 2.1 | ● | ● | ● | ● | ● | ● | ● | ● | ● | ● | ● | | | | | | | | | | | | | | | | | |
|---|
| d2 | | | 2.1 | ● | ● | ● | ● | ● | ● | ● | ● | ● | ● | ● | | | | | | | | | | | | | | | | | |
| SFC-030SA2 | d1 | | | 2.8 | 3.4 | ● | ● | ● | ● | ● | ● | ● | ● | ● | ● | | | | | | | | | | | | | | | | | |
|---|
| d2 | | | 2.8 | 3.4 | ● | ● | ● | ● | ● | ● | ● | ● | ● | ● | ● | ● | | | | | | | | | | | | | | | |
| SFC-035SA2 | d1 | | | | 5 | 5 | 6.6 | ● | ● | ● | ● | ● | ● | ● | ● | ● | ● | | | | | | | | | | | | | | | |
|---|
| d2 | | | | 5 | 5 | 6.6 | ● | ● | ● | ● | ● | ● | ● | ● | ● | ● | ● | ● | ● | | | | | | | | | | | | |
| SFC-040SA2 | d1 | | | | | | | 9 | ● | ● | ● | ● | ● | ● | ● | ● | ● | ● | ● | ● | | | | | | | | | | | | |
|---|
| d2 | | | | | | | 9 | ● | ● | ● | ● | ● | ● | ● | ● | ● | ● | ● | ● | ● | ● | ● | | | | | | | | | |
| SFC-050SA2 | d1 | | | | | | | 18 | 20 | 22 | 22 | ● | ● | ● | ● | ● | ● | ● | ● | ● | ● | ● | ● | ● | | | | | | | | |
|---|
| d2 | | | | | | | 18 | 20 | 22 | 22 | ● | ● | ● | ● | ● | ● | ● | ● | ● | ● | ● | ● | ● | ● | ● | | | | | | |
| SFC-055SA2 | d1 | | | | | | | | | | 31 | 34 | 36 | 38 | ● | ● | ● | ● | ● | ● | ● | ● | ● | ● | ● | ● | | | | | | |
|---|
| d2 | | | | | | | | | | 31 | 34 | 36 | 38 | ● | ● | ● | ● | ● | ● | ● | ● | ● | ● | ● | ● | | | | | | |
| SFC-060SA2 | d1 | | | | | | | | | | | 50 | 51 | ● | ● | ● | ● | ● | ● | ● | ● | ● | ● | ● | ● | ● | | | | | | |
|---|
| d2 | | | | | | | | | | | 50 | 51 | ● | ● | ● | ● | ● | ● | ● | ● | ● | ● | ● | ● | ● | ● | ● | | | | |
| SFC-080SA2 | d1 | | | | | | | | | | | | | | | | | | ● | ● | ● | ● | ● | ● | ● | ● | ● | ● | | | | |
|---|
| d2 | | | | | | | | | | | | | | | | | | ● | ● | ● | ● | ● | ● | ● | ● | ● | ● | ● | ● | | |
| SFC-090SA2 | d1 | | | | | | | | | | | | | | | | | | | | | | | ● | ● | ● | ● | ● | ● | ● | | |
|---|
| d2 | | | | | | | | | | | | | | | | | | | | | | | ● | ● | ● | ● | ● | ● | ● | ● | ● |
| SFC-100SA2 | d1 | | | | | | | | | | | | | | | | | | | | | | | | | | 226 | ● | ● | ● | ● | ● |
|---|
| d2 | | | | | | | | | | | | | | | | | | | | | | | | | | 226 | ● | ● | ● | ● | ● |
* Die Wellentoleranz für einen Standardbohrdurchmesser ist h7 (h6 oder g6): Bezeichnung B. Für einen Wellendurchmesser von ø35 beträgt die Toleranz jedoch +0,010 bis -0,025 .
* Wellentoleranzen j6/k6: Die Bezeichnungen J/K sind optional und werden nur von den mit "○" gekennzeichneten Bohrdurchmessern unterstützt.
* Mit "●" oder Ziffern gekennzeichnete Bohrdurchmesser werden als Standardbohrdurchmesser unterstützt. Kontaktieren Sie Miki Pulley für spezielle Gestaltungen, die für andere Bohrdurchmesser möglich sind.
* Bohrdurchmesser, deren Felder Ziffern enthalten, sind in ihrem Nenndrehmoment durch die Haltekraft der Wellenverbindungskomponente eingeschränkt, weil der Bohrdurchmesser klein ist. Die Ziffern geben das Nenndrehmoment an [N•m].
Typen SFC-□DA2
[Technische Daten]
| Modell | Typ | Nenndrehmoment [N・m] | Versatz | Max. Drehzahl [min-1] | Torsionssteifigkeit [N・m/rad] | Axialsteifigkeit [N/mm] | Trägheitsmoment [kg・m2] | Masse [kg] |
| Parallel [mm] | Winkel [゜] | Axial[mm] |
| SFC-002DA2 | C | 0.25 | 0.03 | 0.5(auf einer Seite) | ±0.08 | 10000 | 95 | 17 | 0.07×10-6 | 0.004 |
|---|
| SFC-005DA2 | C | 0.6 | 0.05 | 0.5(auf einer Seite) | ±0.1 | 10000 | 250 | 70 | 0.37×10-6 | 0.010 |
|---|
| SFC-010DA2 | C | 1 | 0.11 | 1(auf einer Seite) | ±0.2 | 10000 | 700 | 70 | 0.80×10-6 | 0.015 |
|---|
| SFC-020DA2 | C | 2 | 0.15 | 1(auf einer Seite) | ±0.33 | 10000 | 1850 | 32 | 3.43×10-6 | 0.035 |
|---|
| SFC-025DA2 | C | 4 | 0.16 | 1(auf einer Seite) | ±0.38 | 10000 | 2800 | 30 | 5.26×10-6 | 0.040 |
|---|
| SFC-030DA2 | A | 5 | 0.18 | 1(auf einer Seite) | ±0.4 | 10000 | 4000 | 32 | 7.43×10-6 | 0.054 |
|---|
| B | 9.45×10-6 | 0.060 |
| C | 11.56×10-6 | 0.068 |
| SFC-035DA2 | C | 10 | 0.24 | 1(auf einer Seite) | ±0.5 | 10000 | 9000 | 56 | 26.93×10-6 | 0.121 |
|---|
| SFC-040DA2 | A | 12 | 0.24 | 1(auf einer Seite) | ±0.6 | 10000 | 10000 | 40 | 29.98×10-6 | 0.124 |
|---|
| B | 35.82×10-6 | 0.131 |
| C | 42.52×10-6 | 0.146 |
| SFC-050DA2 | A | 25 | 0.28 | 1(auf einer Seite) | ±0.8 | 10000 | 16000 | 24 | 98.34×10-6 | 0.250 |
|---|
| B | 118.9×10-6 | 0.268 |
| C | 141.7×10-6 | 0.298 |
| SFC-055DA2 | C | 40 | 0.31 | 1(auf einer Seite) | ±0.84 | 10000 | 25000 | 21.5 | 261.3×10-6 | 0.459 |
|---|
| SFC-060DA2 | A | 60 | 0.34 | 1(auf einer Seite) | ±0.9 | 10000 | 35000 | 38.2 | 256.6×10-6 | 0.447 |
|---|
| B | 315.7×10-6 | 0.489 |
| C | 379.3×10-6 | 0.549 |
| SFC-080DA2 | C | 100 | 0.52 | 1(auf einer Seite) | ±1.10 | 10000 | 70000 | 64 | 1039×10-6 | 1.037 |
|---|
| SFC-090DA2 | C | 180 | 0.52 | 1(auf einer Seite) | ±1.30 | 10000 | 50000 | 54 | 1798×10-6 | 1.369 |
|---|
| SFC-100DA2 | C | 250 | 0.55 | 1(auf einer Seite) | ±1.48 | 10000 | 60000 | 55.5 | 2754×10-6 | 1.739 |
|---|
*Sehen Sie auf der Liste der Standardbohrdurchmesser nach, da das Nenndrehmoment durch die Haltekraft der Wellenverbindungskomponente begrenzt sein kann.
*Max. Rotationsgeschwindigkeit belässt das dynamische Gleichgewicht außer acht.
*Bereitgestellte Torsionssteifewerte sind für das Element allein gemessene Werte.
*Das Masseträgheitsmoment werden für den maximalen Bohrdurchmesser gemessen.
[Abmessungen]
Unit [mm]
| Model | Type | d1[mm] | d2[mm] | D[mm] | DB[mm] | N[mm] | L[mm] | LF[mm] | LP[mm] | S[mm] | A1[mm] | A2[mm] | C[mm] | d3[mm] | K[mm] | M Qty - Nominal dia | Tightening torque[N・m] |
| Min. | Max. | Min. | Max. |
| SFC-002DA2 | C | 3 | 5 | 3 | 5 | 12 | 12.4 | ─ | 15.7 | 5.9 | 2.8 | 0.55 | ─ | 3.7 | 1.9 | 5.2 | 5.6 | 1-M1.6 | 0.23 bis 0.28 |
|---|
| SFC-005DA2 | C | 3 | 6 | 3 | 6 | 16 | ─ | ─ | 23.2 | 7.85 | 5.5 | 1 | ─ | 4.8 | 2.5 | 6.5 | 6.5 | 1-M2 | 0.4 bis 0.5 |
|---|
| SFC-010DA2 | C | 3 | 8 | 3 | 8 | 19 | ─ | ─ | 25.9 | 9.15 | 5.5 | 1.05 | ─ | 5.8(6) | 3.15 | 8.5 | 8.5 | 1-M2.5(M2) | 1.0 bis 1.1(0.4 bis 0.5) |
|---|
| SFC-020DA2 | C | 4 | 10 | 4 | 11 | 26 | ─ | ─ | 32.3 | 10.75 | 7.5 | 1.65 | ─ | 9.5 | 3.3 | 10.6 | 10.6 | 1-M2.5 | 1.0 bis 1.1 |
|---|
| SFC-025DA2 | C | 5 | 14 | 5 | 14 | 29 | ─ | ─ | 32.8 | 10.75 | 7.5 | 1.9 | ─ | 11 | 3.3 | 15 | 14.5 | 1-M2.5 | 1.0 bis 1.1 |
|---|
| SFC-030DA2 | A | 5 | 10 | 5 | 10 | 34 | ─ | 21.6 | 37.8 | 12.4 | 8 | 2.5 | 8 | ─ | 3.75 | 15 | 14.5 | 1-M3 | 1.5 bis 1.9 |
|---|
| B | 5 | 10 | Über 10 | 16 | 8 | 12.5 |
| C | Über 10 | 14 | Über 10 | 16 | ─ | ─ | 12.5 |
| SFC-035DA2 | C | 6 | 16 | 6 | 19 | 39 | ─ | ─ | 48 | 15.5 | 11 | 3 | ─ | 14 | 4.5 | 17 | 17 | 1-M4 | 3.4 bis 4.1 |
|---|
| SFC-040DA2 | A | 8 | 15 | 8 | 15 | 44 | ─ | 29.6 | 48 | 15.5 | 11 | 3 | 11 | ─ | 4.5 | 20 | 19.5 | 1-M4 | 3.4 bis 4.1 |
|---|
| B | 8 | 15 | Über 15 | 24 | 11 | 17 |
| C | Über 15 | 19 | Über 15 | 24 | ─ | ─ | 17 |
| SFC-050DA2 | A | 8 | 19 | 8 | 19 | 56 | ─ | 38 | 59.8 | 20.5 | 14 | 2.4 | 14.5 | ─ | 6 | 26 | 26 | 1-M5 | 7.0 bis 8.5 |
|---|
| B | 8 | 19 | Über 19 | 30 | 14.5 | 22 |
| C | Über 19 | 25 | Über 19 | 30 | ─ | ─ | 22 |
| SFC-055DA2 | C | 10 | 30 | 10 | 30 | 63 | ─ | ─ | 68.7 | 24 | 15.5 | 2.6 | ─ | 23 | 7.75 | 31 | 31 | 1-M6 | 14 bis 15 |
|---|
| SFC-060DA2 | A | 11 | 24 | 11 | 24 | 68 | ─ | 46 | 73.3 | 25.2 | 16.5 | 3.2 | 17.5 | ─ | 7.75 | 31 | 31 | 1-M6 | 14 bis 15 |
|---|
| B | 11 | 24 | Über 24 | 35 | 17.5 | 26.5 |
| C | Über 24 | 30 | Über 24 | 35 | ─ | ─ | 26.5 |
| SFC-080DA2 | C | 18 | 35 | 18 | 40 | 82 | ─ | ─ | 98 | 30 | 22 | 8 | ─ | 28 | 9 | 40 | 38 | 1-M8 | 27 bis 30 |
|---|
| SFC-090DA2 | C | 25 | 40 | 25 | 45 | 94 | ─ | ─ | 98.6 | 30 | 22 | 8.3 | ─ | 34 | 9 | 47 | 42 | 1-M8 | 27 bis 30 |
|---|
| SFC-100DA2 | C | 32 | 45 | 32 | 45 | 104 | ─ | ─ | 101.6 | 30 | 22 | 9.8 | ─ | 39 | 9 | 50 | 48 | 1-M8 | 27 bis 30 |
|---|
* Der øDB-Wert wurde in der Annahme gemessen, dass der Kopf der Klemmschraube größer ist als der externe Durchmesser der Nabe.
* Die K-Diemension ist der Innendurchmesser des Elements. Damit die d2-Dimension diesen Wert nicht überschreitet, darf die Welle nur bis zur LF-Dimension in die d2-Seitennabe eingeführt werden.
* Der Nenndurchmesser für die Klemmschraube M entspricht der Menge minus dem Nenndurchmesser der Gewinde, wobei die Menge für eine Nabe auf einer Seite steht.
* Die in Klammern "( )" angegebenen Daten für die SFC-010 sind Werte im Falle von d1 oder d2 gleich ø8 mm.
[Standardbohrungsdurchmesser]
| Standardbohrdurchmesser (Option), d1/d2 [mm] und begrenztes Nenndrehmoment [N∙m] |
Nominaler Bohrdurchmesser | 3 | 4 | 5 | 6 | 6.35 | 7 | 8 | 9 | 9.525 | 10 | 11 | 12 | 13 | 14 | 15 | 16 | 17 | 18 | 19 | 20 | 22 | 24 | 25 | 28 | 30 | 32 | 35 | 38 | 40 | 42 | 45 |
| Wellentoleranz h7 (h6・g6) | B | ● | ● | ● | ● | ● | ● | ● | ● | ● | ● | ● | ● | ● | ● | ● | ● | ● | ● | ● | ● | ● | ● | ● | ● | ● | ● | ● | ● | ● | ● | ● |
| Wellentoleranz j6 (Option) | J | | | | | | | | | | | | | | | | | | | ○ | | ○ | ○ | | ○ | | | | | | | |
| Wellentoleranz k6 (Option) | K | | | | | | | ○ | ○ | | | | | | ○ | | ○ | | | ○ | | ○ | ○ | | | | ○ | | ○ | | | |
| SFC-002DA2 | d1 | ● | ● | ● | | | | | | | | | | | | | | | | | | | | | | | | | | | | |
|---|
| d2 | ● | ● | ● | | | | | | | | | | | | | | | | | | | | | | | | | | | | |
| SFC-005DA2 | d1 | ● | ● | ● | ● | | | | | | | | | | | | | | | | | | | | | | | | | | | |
|---|
| d2 | ● | ● | ● | ● | | | | | | | | | | | | | | | | | | | | | | | | | | | |
| SFC-010DA2 | d1 | ● | ● | ● | ● | ● | ● | ● | | | | | | | | | | | | | | | | | | | | | | | | |
|---|
| d2 | ● | ● | ● | ● | ● | ● | ● | | | | | | | | | | | | | | | | | | | | | | | | |
| SFC-020DA2 | d1 | | ● | ● | ● | ● | ● | ● | ● | ● | ● | | | | | | | | | | | | | | | | | | | | | |
|---|
| d2 | | ● | ● | ● | ● | ● | ● | ● | ● | ● | ● | | | | | | | | | | | | | | | | | | | | |
| SFC-025DA2 | d1 | | | 2.1 | ● | ● | ● | ● | ● | ● | ● | ● | ● | ● | ● | | | | | | | | | | | | | | | | | |
|---|
| d2 | | | 2.1 | ● | ● | ● | ● | ● | ● | ● | ● | ● | ● | ● | | | | | | | | | | | | | | | | | |
| SFC-030DA2 | d1 | | | 2.8 | 3.4 | ● | ● | ● | ● | ● | ● | ● | ● | ● | ● | | | | | | | | | | | | | | | | | |
|---|
| d2 | | | 2.8 | 3.4 | ● | ● | ● | ● | ● | ● | ● | ● | ● | ● | ● | ● | | | | | | | | | | | | | | | |
| SFC-035DA2 | d1 | | | | 5 | 5 | 6.6 | ● | ● | ● | ● | ● | ● | ● | ● | ● | ● | | | | | | | | | | | | | | | |
|---|
| d2 | | | | 5 | 5 | 6.6 | ● | ● | ● | ● | ● | ● | ● | ● | ● | ● | ● | ● | ● | | | | | | | | | | | | |
| SFC-040DA2 | d1 | | | | | | | 9 | ● | ● | ● | ● | ● | ● | ● | ● | ● | ● | ● | ● | | | | | | | | | | | | |
|---|
| d2 | | | | | | | 9 | ● | ● | ● | ● | ● | ● | ● | ● | ● | ● | ● | ● | ● | ● | ● | | | | | | | | | |
| SFC-050DA2 | d1 | | | | | | | 18 | 20 | 22 | 22 | ● | ● | ● | ● | ● | ● | ● | ● | ● | ● | ● | ● | ● | | | | | | | | |
|---|
| d2 | | | | | | | 18 | 20 | 22 | 22 | ● | ● | ● | ● | ● | ● | ● | ● | ● | ● | ● | ● | ● | ● | ● | | | | | | |
| SFC-055DA2 | d1 | | | | | | | | | | 31 | 34 | 36 | 38 | ● | ● | ● | ● | ● | ● | ● | ● | ● | ● | ● | ● | | | | | | |
|---|
| d2 | | | | | | | | | | 31 | 34 | 36 | 38 | ● | ● | ● | ● | ● | ● | ● | ● | ● | ● | ● | ● | | | | | | |
| SFC-060DA2 | d1 | | | | | | | | | | | 50 | 51 | ● | ● | ● | ● | ● | ● | ● | ● | ● | ● | ● | ● | ● | | | | | | |
|---|
| d2 | | | | | | | | | | | 50 | 51 | ● | ● | ● | ● | ● | ● | ● | ● | ● | ● | ● | ● | ● | ● | ● | | | | |
| SFC-080DA2 | d1 | | | | | | | | | | | | | | | | | | ● | ● | ● | ● | ● | ● | ● | ● | ● | ● | | | | |
|---|
| d2 | | | | | | | | | | | | | | | | | | ● | ● | ● | ● | ● | ● | ● | ● | ● | ● | ● | ● | | |
| SFC-090DA2 | d1 | | | | | | | | | | | | | | | | | | | | | | | ● | ● | ● | ● | ● | ● | ● | | |
|---|
| d2 | | | | | | | | | | | | | | | | | | | | | | | ● | ● | ● | ● | ● | ● | ● | ● | ● |
| SFC-100DA2 | d1 | | | | | | | | | | | | | | | | | | | | | | | | | | 226 | ● | ● | ● | ● | ● |
|---|
| d2 | | | | | | | | | | | | | | | | | | | | | | | | | | 226 | ● | ● | ● | ● | ● |
* Die Wellentoleranz für einen Standardbohrdurchmesser ist h7 (h6 oder g6): Bezeichnung B. Für einen Wellendurchmesser von ø35 beträgt die Toleranz jedoch +0,010 bis -0,025 .
* Wellentoleranzen j6/k6: Die Bezeichnungen J/K sind optional und werden nur von den mit "○" gekennzeichneten Bohrdurchmessern unterstützt.
* Mit "●" oder Ziffern gekennzeichnete Bohrdurchmesser werden als Standardbohrdurchmesser unterstützt. Kontaktieren Sie Miki Pulley für spezielle Gestaltungen, die für andere Bohrdurchmesser möglich sind.
* Bohrdurchmesser, deren Felder Ziffern enthalten, sind in ihrem Nenndrehmoment durch die Haltekraft der Wellenverbindungskomponente eingeschränkt, weil der Bohrdurchmesser klein ist. Die Ziffern geben das Nenndrehmoment an [N•m].
Optionen von Modellreihe SFC
Kegelwelle unterstütztErmöglicht die Verbindung der Klemmnabe, wenn ein Kegeladapter an der Kegelwelle eines Servomotors montiert ist.
SFC-□SA2(BC)
[Technische Daten]
| Modell |
Typ |
Nenndrehmoment [N・m] |
Versatz |
Max. Drehzahl [min-1] |
Torsionssteifigkeit [N・m/rad] |
Axialsteifigkeit [N/mm] |
Trägheitsmoment [kg・m2] |
Masse [kg] |
Parallel [mm] |
Winke [°] |
Axial [mm] |
| SFC-040SA2-□B-11BC |
B |
12 |
0.02 |
1 |
±0.3 |
10000 |
20000 |
80 |
26.58×10-6 |
0.131 |
| C |
12 |
0.02 |
1 |
±0.3 |
10000 |
20000 |
80 |
33.28×10-6 |
0.146 |
| SFC-050SA2-□B-11BC |
B |
25 |
0.02 |
1 |
±0.4 |
10000 |
32000 |
48 |
82.91×10-6 |
0.240 |
| C |
25 |
0.02 |
1 |
±0.4 |
10000 |
32000 |
48 |
103.5×10-6 |
0.258 |
| SFC-050SA2-□B-14BC |
B |
25 |
0.02 |
1 |
±0.4 |
10000 |
32000 |
48 |
88.72×10-6 |
0.271 |
| C |
25 |
0.02 |
1 |
±0.4 |
10000 |
32000 |
48 |
111.5×10-6 |
0.301 |
| SFC-050SA2-□B-16BC |
B |
25 |
0.02 |
1 |
±0.4 |
10000 |
32000 |
48 |
95.44×10-6 |
0.309 |
| C |
25 |
0.02 |
1 |
±0.4 |
10000 |
32000 |
48 |
118.2×10-6 |
0.338 |
| SFC-055SA2-□B-14BC |
C |
40 |
0.02 |
1 |
±0.42 |
10000 |
50000 |
43 |
201.1×10-6 |
0.409 |
| SFC-055SA2-□B-16BC |
C |
40 |
0.02 |
1 |
±0.42 |
10000 |
50000 |
43 |
207.8×10-6 |
0.446 |
| SFC-060SA2-□B-16BC |
B |
60 |
0.02 |
1 |
±0.45 |
10000 |
70000 |
76.4 |
228.7×10-6 |
0.475 |
| C |
60 |
0.02 |
1 |
±0.45 |
10000 |
70000 |
76.4 |
287.8×10-6 |
0.517 |
* Die Typen B/C werden von Miki Pulley automatisch entsprechend dem von Ihnen gewählten Bohrungsdurchmesser spezifiziert und können nicht vom Kunden spezifiziert werden.
* Überprüfen Sie die „Standardbohrungsdurchmesser“, da das Nenndrehmoment durch die Haltekraft der Wellenverbindungskomponente eingeschränkt sein kann.
* Max. Drehzahl berücksichtigt nicht dynamisches Gleichgewicht.
* Angegebene Werte für Torsionssteife sind Messwerte allein für das Element.
* Das Trägheitsmoment und das Masse werden für den maximalen Bohrungsdurchmesser gemessen.
[Abmessungen]
Einheit [mm]
| Modell |
d2 |
W |
T |
WA |
LA |
dA |
DA |
LL |
D |
L |
LF |
C |
A1 |
A2 |
M
Menge – Nenndurchmesser. |
| SFC-040SA2-□B-11BC |
11 |
4 |
12.2 |
18 |
16 |
17 |
22 |
44 |
44 |
34 |
15.5 |
4.5 |
11 |
17 |
1-M4 |
| SFC-050SA2-□B-11BC |
11 |
4 |
12.2 |
18 |
16 |
17 |
22 |
48.4 |
56 |
43.4 |
20.5 |
6 |
14.5 |
22 |
1-M5 |
| SFC-050SA2-□B-14BC |
14 |
4 |
15.1 |
24 |
19 |
22 |
28 |
53.4 |
56 |
43.4 |
20.5 |
6 |
14.5 |
22 |
1-M5 |
| SFC-050SA2-□B-16BC |
16 |
5 |
17.3 |
24 |
29 |
26 |
30 |
63.4 |
56 |
43.4 |
20.5 |
6 |
14.5 |
22 |
1-M5 |
| SFC-055SA2-□B-14BC |
14 |
4 |
15.1 |
24 |
19 |
22 |
28 |
56.6 |
63 |
50.6 |
24 |
7.75 |
- |
23 |
1-M6 |
| SFC-055SA2-□B-16BC |
16 |
5 |
17.3 |
24 |
29 |
26 |
30 |
66.6 |
63 |
50.6 |
24 |
7.75 |
- |
23 |
1-M6 |
| SFC-060SA2-□B-16BC |
16 |
5 |
17.3 |
24 |
29 |
26 |
30 |
69.6 |
68 |
53.6 |
25.2 |
7.75 |
17.5 |
26.5 |
1-M6 |
* Weitere Abmessungen siehe Abmessungen für Einzelelement Typ SFC-□SA2.
[Standardbohrungsdurchmesser]
| Standardbohrungsdurchmesser (Option), d1 [mm] und eingeschränktes Nenndrehmoment [N・m] |
| Nominaler Bohrdurchmesser |
8 |
9 |
9.525 |
10 |
11 |
12 |
13 |
14 |
15 |
16 |
17 |
18 |
19 |
20 |
22 |
24 |
25 |
28 |
30 |
32 |
35 |
| Wellentoleranz h7(h6,g6) |
B |
● |
● |
● |
● |
● |
● |
● |
● |
● |
● |
● |
● |
● |
● |
● |
● |
● |
● |
● |
● |
● |
| Wellentoleranz j6(option) |
J |
|
|
|
|
|
|
|
|
|
|
|
|
○ |
|
○ |
○ |
|
○ |
|
|
|
| Wellentoleranz k6(option) |
K |
○ |
○ |
|
|
|
|
|
○ |
|
○ |
|
|
○ |
|
○ |
○ |
|
|
|
○ |
|
| SFC-040SA2-□B-11BC |
9 |
● |
● |
● |
● |
● |
● |
● |
● |
● |
● |
● |
● |
|
|
|
|
|
|
|
|
| SFC-050SA2-□B-11BC |
18 |
20 |
22 |
22 |
● |
● |
● |
● |
● |
● |
● |
● |
● |
● |
● |
● |
● |
● |
● |
|
|
| SFC-050SA2-□B-14BC |
18 |
20 |
22 |
22 |
● |
● |
● |
● |
● |
● |
● |
● |
● |
● |
● |
● |
● |
|
|
|
|
| SFC-050SA2-□B-16BC |
18 |
20 |
22 |
22 |
● |
● |
● |
● |
● |
● |
● |
● |
● |
● |
● |
● |
● |
|
|
|
|
| SFC-055SA2-□B-14BC |
|
|
|
31 |
34 |
36 |
38 |
● |
● |
● |
● |
● |
● |
● |
● |
● |
● |
● |
● |
|
|
| SFC-055SA2-□B-16BC |
|
|
|
31 |
34 |
36 |
38 |
● |
● |
● |
● |
● |
● |
● |
● |
● |
● |
● |
● |
|
|
| SFC-060SA2-□B-16BC |
|
|
|
|
50 |
51 |
● |
● |
● |
● |
● |
● |
● |
● |
● |
● |
● |
● |
● |
● |
● |
* Die Wellentoleranz für den Standardbohrungsdurchmesser beträgt h7 (h6 oder g6): Bezeichnung B. Für einen Bohrungsdurchmesser von ø35 beträgt die Wellentoleranz jedoch -0,025 bis +0,010.
* Wellentoleranzen j6/k6: Bezeichnungen J/K sind optional und werden nur für mit ○ gekennzeichnete Bohrungsdurchmesser unterstützt.
* Bohrungsdurchmesser, die mit ● oder Zahlen gekennzeichnet sind, werden als Standardbohrungsdurchmesser unterstützt. Wenden Sie sich an Miki Pulley bezüglich Sondervereinbarungen, die möglicherweise für andere Bohrungsdurchmesser möglich sind.
* Bohrungsdurchmesser, deren Felder Zahlen enthalten, werden in ihrem Nenndrehmoment durch die Haltekraft des Wellenanschlussbauteils eingeschränkt, da der Bohrungsdurchmesser klein ist. Die Zahlen geben das Nenndrehmoment [Nm] an.
SFC-□DA2(BC)
[Technische Daten]
| Modell |
Typ |
Nenndrehmoment [N・m] |
Versatz |
Max. Drehzahl [min-1] |
Torsionssteifigkeit [N・m/rad] |
Axialsteifigkeit [N/mm] |
Trägheitsmoment [kg・m2] |
Masse [kg] |
Parallel [mm] |
Winke [°] |
Axial [mm] |
| SFC-040DA2-□B-11BC |
B |
12 |
0.24 |
1(Auf der einen Seite) |
±0.6 |
10000 |
10000 |
40 |
39.42×10-6 |
0.180 |
| C |
12 |
0.24 |
1(Auf der einen Seite) |
±0.6 |
10000 |
10000 |
40 |
46.12×10-6 |
0.195 |
| SFC-050DA2-□B-11BC |
B |
25 |
0.28 |
1(Auf der einen Seite) |
±0.8 |
10000 |
16000 |
24 |
125.5×10-6 |
0.331 |
| C |
25 |
0.28 |
1(Auf der einen Seite) |
±0.8 |
10000 |
16000 |
24 |
146.1×10-6 |
0.349 |
| SFC-050DA2-□B-14BC |
B |
25 |
0.28 |
1(Auf der einen Seite) |
±0.8 |
10000 |
16000 |
24 |
131.1×10-6 |
0.362 |
| C |
25 |
0.28 |
1(Auf der einen Seite) |
±0.8 |
10000 |
16000 |
24 |
154.1×10-6 |
0.392 |
| SFC-050DA2-□B-16BC |
B |
25 |
0.28 |
1(Auf der einen Seite) |
±0.8 |
10000 |
16000 |
24 |
138.1×10-6 |
0.400 |
| C |
25 |
0.28 |
1(Auf der einen Seite) |
±0.8 |
10000 |
16000 |
24 |
160.8×10-6 |
0.430 |
| SFC-055DA2-□B-14BC |
C |
40 |
0.31 |
1(Auf der einen Seite) |
±0.84 |
10000 |
25000 |
21.5 |
274.0×10-6 |
0.530 |
| SFC-055DA2-□B-16BC |
C |
40 |
0.31 |
1(Auf der einen Seite) |
±0.84 |
10000 |
25000 |
21.5 |
280.5×10-6 |
0.567 |
| SFC-060DA2-□B-16BC |
B |
60 |
0.34 |
1(Auf der einen Seite) |
±0.9 |
10000 |
35000 |
38.2 |
339.4×10-6 |
0.638 |
| C |
60 |
0.34 |
1(Auf der einen Seite) |
±0.9 |
10000 |
35000 |
38.2 |
398.5×10-6 |
0.681 |
* Die Typen B/C werden von Miki Pulley automatisch entsprechend dem von Ihnen gewählten Bohrungsdurchmesser spezifiziert und können nicht vom Kunden spezifiziert werden.
* Überprüfen Sie die „Standardbohrungsdurchmesser“, da das Nenndrehmoment durch die Haltekraft der Wellenverbindungskomponente eingeschränkt sein kann.
* Max. Drehzahl berücksichtigt nicht dynamisches Gleichgewicht.
* Angegebene Werte für Torsionssteife sind Messwerte allein für das Element.
* Das Trägheitsmoment und das Masse werden für den maximalen Bohrungsdurchmesser gemessen.
[Abmessungen]
Einheit [mm]
| Modell |
d2 |
W |
T |
WA |
LA |
dA |
DA |
LL |
D |
L |
LF |
C |
A1 |
A2 |
M
Menge – Nenndurchmesser. |
| SFC-040DA2-□B-11BC |
11 |
4 |
12.2 |
18 |
16 |
17 |
22 |
58 |
44 |
48 |
15.5 |
4.5 |
11 |
17 |
1-M4 |
| SFC-050DA2-□B-11BC |
11 |
4 |
12.2 |
18 |
16 |
17 |
22 |
64.8 |
56 |
59.8 |
20.5 |
6 |
14.5 |
22 |
1-M5 |
| SFC-050DA2-□B-14BC |
14 |
4 |
15.1 |
24 |
19 |
22 |
28 |
69.8 |
56 |
59.8 |
20.5 |
6 |
14.5 |
22 |
1-M5 |
| SFC-050DA2-□B-16BC |
16 |
5 |
17.3 |
24 |
29 |
26 |
30 |
79.8 |
56 |
59.8 |
20.5 |
6 |
14.5 |
22 |
1-M5 |
| SFC-055DA2-□B-14BC |
14 |
4 |
15.1 |
24 |
19 |
22 |
28 |
74.4 |
63 |
68.7 |
24 |
7.75 |
― |
23 |
1-M6 |
| SFC-055DA2-□B-16BC |
16 |
5 |
17.3 |
24 |
29 |
26 |
30 |
84.7 |
63 |
68.7 |
24 |
7.75 |
― |
23 |
1-M6 |
| SFC-060DA2-□B-16BC |
16 |
5 |
17.3 |
24 |
29 |
26 |
30 |
89.3 |
68 |
73.3 |
25.2 |
7.75 |
17.5 |
26.5 |
1-M6 |
* Weitere Abmessungen siehe Abmessungen für Doppelelement Typ SFC-□DA2.
[Standardbohrungsdurchmesser]
| Standardbohrungsdurchmesser (Option), d1 [mm] und eingeschränktes Nenndrehmoment [N・m] |
| Nominaler Bohrdurchmesser |
8 |
9 |
9.525 |
10 |
11 |
12 |
13 |
14 |
15 |
16 |
17 |
18 |
19 |
20 |
22 |
24 |
25 |
28 |
30 |
32 |
35 |
| Wellentoleranz h7(h6,g6) |
B |
● |
● |
● |
● |
● |
● |
● |
● |
● |
● |
● |
● |
● |
● |
● |
● |
● |
● |
● |
● |
● |
| Wellentoleranz j6(option) |
J |
|
|
|
|
|
|
|
|
|
|
|
|
○ |
|
○ |
○ |
|
○ |
|
|
|
| Wellentoleranz k6(option) |
K |
○ |
○ |
|
|
|
|
|
○ |
|
○ |
|
|
○ |
|
○ |
○ |
|
|
|
○ |
|
| SFC-040DA2-□B-11BC |
9 |
● |
● |
● |
● |
● |
● |
● |
● |
● |
● |
● |
● |
|
|
|
|
|
|
|
|
| SFC-050DA2-□B-11BC |
18 |
20 |
22 |
22 |
● |
● |
● |
● |
● |
● |
● |
● |
● |
● |
● |
● |
● |
● |
● |
|
|
| SFC-050DA2-□B-14BC |
18 |
20 |
22 |
22 |
● |
● |
● |
● |
● |
● |
● |
● |
● |
● |
● |
● |
● |
|
|
|
|
| SFC-050DA2-□B-16BC |
18 |
20 |
22 |
22 |
● |
● |
● |
● |
● |
● |
● |
● |
● |
● |
● |
● |
● |
|
|
|
|
| SFC-055DA2-□B-14BC |
|
|
|
31 |
34 |
36 |
38 |
● |
● |
● |
● |
● |
● |
● |
● |
● |
● |
● |
● |
|
|
| SFC-055DA2-□B-16BC |
|
|
|
31 |
34 |
36 |
38 |
● |
● |
● |
● |
● |
● |
● |
● |
● |
● |
● |
● |
|
|
| SFC-060DA2-□B-16BC |
|
|
|
|
50 |
51 |
● |
● |
● |
● |
● |
● |
● |
● |
● |
● |
● |
● |
● |
● |
● |
* Die Wellentoleranz für den Standardbohrungsdurchmesser beträgt h7 (h6 oder g6): Bezeichnung B. Für einen Bohrungsdurchmesser von ø35 beträgt die Wellentoleranz jedoch -0,025 bis +0,010.
* Wellentoleranzen j6/k6: Bezeichnungen J/K sind optional und werden nur für mit ○ gekennzeichnete Bohrungsdurchmesser unterstützt.
* Bohrungsdurchmesser, die mit ● oder Zahlen gekennzeichnet sind, werden als Standardbohrungsdurchmesser unterstützt. Wenden Sie sich an Miki Pulley bezüglich Sondervereinbarungen, die möglicherweise für andere Bohrungsdurchmesser möglich sind.
* Bohrungsdurchmesser, deren Felder Zahlen enthalten, werden in ihrem Nenndrehmoment durch die Haltekraft des Wellenanschlussbauteils eingeschränkt, da der Bohrungsdurchmesser klein ist. Die Zahlen geben das Nenndrehmoment [Nm] an.

Für längenspezifische SonderbestellteileDie Länge des Distanzstücks vom Typ SFC-□DA2 kann geändert werden, um den erforderlichen Abstand zwischen den Wellen zu erreichen. Geben Sie die Länge in 1-mm-Einheiten an.
SFC-□DA2(L)
[Technische Daten]
| Modell |
Typ |
Nenndrehmoment [N・m] |
Versatz |
Max. Drehzahl [min-1] |
Trägheitsmoment [kg・m2] |
Masse [kg] |
| Parallel[mm] |
Winke [°] |
Axial [mm] |
| LMin. |
LMax. |
LMin. |
LMax. |
LMin. |
LMax. |
| SFC-005DA2 |
C |
0.6 |
0.03 |
0.20 |
0.5(Auf der einen Seite) |
±0.1 |
10000 |
0.33×10-6 |
0.62×10-6 |
0.009 |
0.017 |
| SFC-010DA2 |
C |
1 |
0.08 |
0.44 |
1(Auf der einen Seite) |
±0.2 |
10000 |
0.72×10-6 |
1.38×10-6 |
0.014 |
0.026 |
| SFC-020DA2 |
C |
2 |
0.10 |
0.46 |
1(Auf der einen Seite) |
±0.33 |
10000 |
3.02×10-6 |
5.30×10-6 |
0.031 |
0.054 |
| SFC-025DA2 |
C |
4 |
0.09 |
0.46 |
1(Auf der einen Seite) |
±0.38 |
10000 |
4.55×10-6 |
7.95×10-6 |
0.036 |
0.061 |
| SFC-030DA2 |
A |
5 |
0.11 |
0.48 |
1(Auf der einen Seite) |
±0.4 |
10000 |
6.09×10-6 |
12.80×10-6 |
0.046 |
0.085 |
| B |
8.11×10-6 |
14.82×10-6 |
0.053 |
0.091 |
| C |
10.22×10-6 |
16.93×10-6 |
0.061 |
0.099 |
| SFC-035DA2 |
C |
10 |
0.15 |
0.54 |
1(Auf der einen Seite) |
±0.5 |
10000 |
23.85×10-6 |
35.97×10-6 |
0.108 |
0.161 |
| SFC-040DA2 |
A |
12 |
0.15 |
0.54 |
1(Auf der einen Seite) |
±0.6 |
10000 |
25.06×10-6 |
44.76×10-6 |
0.107 |
0.174 |
| B |
30.89×10-6 |
50.62×10-6 |
0.116 |
0.182 |
| C |
37.58×10-6 |
57.31×10-6 |
0.130 |
0.197 |
| SFC-050DA2 |
A |
25 |
0.16 |
0.63 |
1(Auf der einen Seite) |
±0.8 |
10000 |
77.42×10-6 |
144.3×10-6 |
0.205 |
0.347 |
| B |
97.97×10-6 |
164.8×10-6 |
0.225 |
0.365 |
| C |
120.8×10-6 |
187.6×10-6 |
0.252 |
0.394 |
| SFC-055DA2 |
C |
40 |
0.16 |
0.60 |
1(Auf der einen Seite) |
±0.84 |
10000 |
226.8×10-6 |
325.0×10-6 |
0.378 |
0.538 |
| SFC-060DA2 |
A |
60 |
0.19 |
0.63 |
1(Auf der einen Seite) |
±0.9 |
10000 |
210.8×10-6 |
340.1×10-6 |
0.382 |
0.567 |
| B |
269.9×10-6 |
399.2×10-6 |
0.424 |
0.609 |
| C |
333.5×10-6 |
462.8×10-6 |
0.484 |
0.669 |
* Die Typen A / B / C werden von Miki Pulley automatisch entsprechend der von Ihnen gewählten Kombination der Bohrungsdurchmesser spezifiziert und können nicht vom Kunden spezifiziert werden.
* Überprüfen Sie den „Standardbohrungsdurchmesser“ für SFC-□DA2, da es durch die Haltekraft des Kupplungswellenabschnitts zu Einschränkungen des Nenndrehmoments kommen kann.
* Max. Die Drehzahl berücksichtigt nicht das dynamische Gleichgewicht.
* Das Trägheitsmoment und die Masse werden für den maximalen Bohrungsdurchmesser gemessen.
* Steifigkeitswerte siehe „Technische Daten“ für SFC-□DA2.
[Abmessungen]
Einheit [mm]
| Modell |
Typ |
d1 |
d2 |
D |
N |
L |
LF |
S |
A1 |
A2 |
C |
d3 |
K |
M |
Anzugsmoment [N・m] |
| Min. |
Max. |
Min. |
Max. |
Std. |
Min. |
Max. |
| SFC-005DA2 |
C |
3 |
6 |
3 |
6 |
16 |
- |
23.2 |
21 |
40 |
7.85 |
1 |
- |
4.8 |
2.5 |
6.5 |
6.5 |
1-M2 |
0.4 bis 0.5 |
| SFC-010DA2 |
C |
3 |
8 |
3 |
8 |
19 |
- |
25.9 |
24 |
45 |
9.15 |
1.05 |
- |
5.8(6) |
3.15 |
8.5 |
8.5 |
1-M2.5(M2) |
1.0 bis 1.1(0.4 bis 0.5) |
| SFC-020DA2 |
C |
4 |
10 |
4 |
11 |
26 |
- |
32.3 |
29 |
50 |
10.75 |
1.65 |
- |
9.5 |
3.3 |
10.6 |
10.6 |
1-M2.5 |
1.0 bis 1.1 |
| SFC-025DA2 |
C |
5 |
14 |
5 |
14 |
29 |
- |
32.8 |
29 |
50 |
10.75 |
1.9 |
- |
11 |
3.3 |
15 |
14.5 |
1-M2.5 |
1.0 bis 1.1 |
| SFC-030DA2 |
A |
5 |
10 |
5 |
10 |
34 |
21.6 |
37.8 |
34 |
55 |
12.4 |
2.5 |
8 |
- |
3.75 |
15 |
14.5 |
1-M3 |
1.5 bis 1.9 |
| B |
über 10 |
16 |
12.5 |
| C |
über 10 |
14 |
- |
- |
| SFC-035DA2 |
C |
6 |
16 |
6 |
19 |
39 |
- |
48 |
43 |
65 |
15.5 |
3 |
- |
14 |
4.5 |
17 |
17 |
1-M4 |
3.4 bis 4.1 |
| SFC-040DA2 |
A |
8 |
15 |
8 |
15 |
44 |
29.6 |
48 |
43 |
65 |
15.5 |
3 |
11 |
- |
4.5 |
20 |
19.5 |
1-M4 |
3.4 bis 4.1 |
| B |
über 15 |
24 |
17 |
| C |
Over 15 |
19 |
- |
- |
| SFC-050DA2 |
A |
8 |
19 |
8 |
19 |
56 |
38 |
59.8 |
53 |
80 |
20.5 |
2.4 |
14.5 |
- |
6 |
26 |
26 |
1-M5 |
7.0 bis 8.5 |
| B |
über 19 |
30 |
22 |
| C |
über 19 |
25 |
- |
- |
| SFC-055DA2 |
C |
10 |
30 |
10 |
30 |
63 |
- |
68.7 |
60 |
85 |
24 |
2.6 |
- |
23 |
7.75 |
31 |
31 |
1-M6 |
14 bis 15 |
| SFC-060DA2 |
A |
11 |
24 |
11 |
24 |
68 |
46 |
73.3 |
65 |
90 |
25.2 |
3.2 |
17.5 |
- |
7.75 |
31 |
31 |
1-M6 |
14 bis 15 |
| B |
über 24 |
35 |
26.5 |
| C |
über 24 |
30 |
- |
- |
* Die Typen A / B / C werden von Miki Pulley automatisch entsprechend der von Ihnen gewählten Kombination der Bohrungsdurchmesser spezifiziert und können nicht vom Kunden spezifiziert werden.
* Der Nenndurchmesser für den Spannbolzen M entspricht der Menge abzüglich des Nenndurchmessers der Schraubengewinde, wobei die Menge für eine einseitige Nabe gilt.
* Die Zahlen in Klammern ( ) für den SFC-010 sind die Werte, wenn d1 oder d2 ø8 mm beträgt.
* Kompatible Längen L reichen vom minimalen L-Maß bis zum maximalen L-Maß, wie in der obigen Tabelle gezeigt. Geben Sie in 1-mm-Einheiten an.
* Wenn das L-Maß kürzer als der Standard ist, sind die Phasen der linken/rechten Klemmschraube um 45° versetzt.
* Überprüfen Sie „Standardbohrungsdurchmesser“ für SFC-□DA2 für die Standardbohrungsdurchmesser.
Für KeilnutfräsanwendungenWenn Sie eine Passfederwelle verwenden, können wir nach Ihren Vorgaben eine Passfedernut in die Klemmnabe fräsen.
SFC-□SA2/DA2
[Abmessungen]
Einheit [mm]
| H9-Standards für die Keilnutbreite |
JS9-Standards für die Keilnutbreite |
| Nennbohrungsdurchmesser. |
Bohrungsdurchm. d1/d2 [mm] |
Keilnutbreite W1/W2 [mm] |
Keilnuthöhe T1/T2 [mm] |
Nennbohrungsdurchmesser. |
Bohrungsdurchm. d1/d2 [mm] |
Keilnutbreite W1/W2 [mm] |
Keilnuthöhe T1/T2 [mm] |
Nennbohrungsdurchmesser. |
Bohrungsdurchm. d1/d2 [mm] |
Keilnutbreite W1/W2 [mm] |
Keilnuthöhe T1/T2 [mm] |
Nennbohrungsdurchmesser. |
Bohrungsdurchm. d1/d2 [mm] |
Keilnutbreite W1/W2 [mm] |
Keilnuthöhe T1/T2 [mm] |
| Bohrungsdurchm. |
Wellentoleranz |
Bohrungsdurchm. |
Wellentoleranz |
Bohrungsdurchm. |
Wellentoleranz |
Bohrungsdurchm. |
Wellentoleranz |
| h7 |
j6 |
k6 |
h7 |
j6 |
k6 |
h7 |
j6 |
k6 |
h7 |
j6 |
k6 |
| 8 |
BH |
- |
KH |
8 |
3+0.0250 |
9.4+0.30 |
20 |
BH |
- |
- |
20 |
6+0.0300 |
22.8+0.30 |
8 |
BJ |
- |
KJ |
8 |
3±0.0125 |
9.4+0.30 |
20 |
BJ |
- |
- |
20 |
6±0.0150 |
22.8+0.30 |
| 9 |
BH |
- |
KH |
9 |
3+0.0250 |
10.4+0.30 |
22 |
BH |
JH |
KH |
22 |
6+0.0300 |
24.8+0.30 |
9 |
BJ |
- |
KJ |
9 |
3±0.0125 |
10.4+0.30 |
22 |
BJ |
JJ |
KJ |
22 |
6±0.0150 |
24.8+0.30 |
| 10 |
BH |
- |
- |
10 |
3+0.0250 |
11.4+0.30 |
24 |
BH |
JH |
KH |
24 |
8+0.0360 |
27.3+0.30 |
10 |
BJ |
- |
- |
10 |
3±0.0125 |
11.4+0.30 |
24 |
BJ |
JJ |
KJ |
24 |
8±0.0180 |
27.3+0.30 |
| 11 |
BH |
- |
- |
11 |
4+0.0300 |
12.8+0.30 |
25 |
BH |
- |
- |
25 |
8+0.0360 |
28.3+0.30 |
11 |
BJ |
- |
- |
11 |
4±0.0150 |
12.8+0.30 |
25 |
BJ |
- |
- |
25 |
8±0.0180 |
28.3+0.30 |
| 12 |
BH |
- |
- |
12 |
4+0.0300 |
13.8+0.30 |
28 |
BH |
JH |
- |
28 |
8+0.0360 |
31.3+0.30 |
12 |
BJ |
- |
- |
12 |
4±0.0150 |
13.8+0.30 |
28 |
BJ |
JJ |
- |
28 |
8±0.0180 |
31.3+0.30 |
| 13 |
BH |
- |
- |
13 |
5+0.0300 |
15.3+0.30 |
30 |
BH |
- |
- |
30 |
8+0.0360 |
33.3+0.30 |
13 |
BJ |
- |
- |
13 |
5±0.0150 |
15.3+0.30 |
30 |
BJ |
- |
- |
30 |
8±0.0180 |
33.3+0.30 |
| 14 |
BH |
- |
KH |
14 |
5+0.0300 |
16.3+0.30 |
32 |
BH |
- |
KH |
32 |
10+0.0360 |
35.3+0.30 |
14 |
BJ |
- |
KJ |
14 |
5±0.0150 |
16.3+0.30 |
32 |
BJ |
- |
KJ |
32 |
10±0.0180 |
35.3+0.30 |
| 15 |
BH |
- |
- |
15 |
5+0.0300 |
17.3+0.30 |
35 |
BH |
- |
- |
35 |
10+0.0360 |
38.3+0.30 |
15 |
BJ |
- |
- |
15 |
5±0.0150 |
17.3+0.30 |
35 |
BJ |
- |
- |
35 |
10±0.0180 |
38.3+0.30 |
| 16 |
BH |
- |
KH |
16 |
5+0.0300 |
18.3+0.30 |
38 |
BH |
- |
KH |
38 |
10+0.0360 |
41.3+0.30 |
16 |
BJ |
- |
KJ |
16 |
5±0.0150 |
18.3+0.30 |
38 |
BJ |
- |
KJ |
38 |
10±0.0180 |
41.3+0.30 |
| 17 |
BH |
- |
- |
17 |
5+0.0300 |
19.3+0.30 |
40 |
BH |
- |
- |
40 |
12+0.4300 |
43.3+0.30 |
17 |
BJ |
- |
- |
17 |
5±0.0150 |
19.3+0.30 |
40 |
BJ |
- |
- |
40 |
12±0.0215 |
43.3+0.30 |
| 18 |
BH |
- |
- |
18 |
6+0.0300 |
20.8+0.30 |
42 |
BH |
- |
- |
42 |
12+0.4300 |
45.3+0.30 |
18 |
BJ |
- |
- |
18 |
6±0.0150 |
20.8+0.30 |
42 |
BJ |
- |
- |
42 |
12±0.0215 |
45.3+0.30 |
| 19 |
BH |
JH |
KH |
19 |
6+0.0300 |
21.8+0.30 |
45 |
BH |
- |
- |
45 |
14+0.4300 |
48.8+0.30 |
19 |
BJ |
JJ |
KJ |
19 |
6±0.0150 |
21.8+0.30 |
45 |
BJ |
- |
- |
45 |
14±0.0215 |
48.8+0.30 |
* Bohrungsdurchmesser von φ35 (Nenndurchmesser B), die Wellentoleranz beträgt -0,025 bis +0,010 .
* Wir können auch Standards verarbeiten, die oben nicht aufgeführt sind. Wenden Sie sich an MIKI PULLEY.
[Standardbohrungsdurchmesser]
| Standardbohrungsdurchmesser (Option), d1/d2 [mm] und eingeschränktes Nenndrehmoment [N·m] |
| Nennbohrungsdurchmesser. |
8 |
9 |
9.525 |
10 |
11 |
12 |
13 |
14 |
15 |
16 |
17 |
18 |
19 |
20 |
22 |
24 |
25 |
28 |
30 |
32 |
35 |
38 |
40 |
42 |
45 |
| Wellentoleranz h7(h6/g6) |
B |
● |
● |
● |
● |
● |
● |
● |
● |
● |
● |
● |
● |
● |
● |
● |
● |
● |
● |
● |
● |
● |
● |
● |
● |
● |
| Wellentoleranz j6(option) |
J |
|
|
|
|
|
|
|
|
|
|
|
|
○ |
|
○ |
○ |
|
○ |
|
|
|
|
|
|
|
| Wellentoleranz k6(option) |
K |
○ |
○ |
|
|
|
|
|
○ |
|
○ |
|
|
○ |
|
○ |
○ |
|
|
|
○ |
|
○ |
|
|
|
| SFC-025 |
d1 |
● |
● |
● |
● |
● |
● |
● |
● |
|
|
|
|
|
|
|
|
|
|
|
|
|
|
|
|
|
| d2 |
● |
● |
● |
● |
● |
● |
● |
● |
|
|
|
|
|
|
|
|
|
|
|
|
|
|
|
|
|
| SFC-030 |
d1 |
● |
● |
● |
● |
● |
● |
● |
● |
|
|
|
|
|
|
|
|
|
|
|
|
|
|
|
|
|
| d2 |
● |
● |
● |
● |
● |
● |
● |
● |
● |
● |
|
|
|
|
|
|
|
|
|
|
|
|
|
|
|
| SFC-035 |
d1 |
● |
● |
● |
● |
● |
● |
● |
● |
● |
● |
|
|
|
|
|
|
|
|
|
|
|
|
|
|
|
| d2 |
● |
● |
● |
● |
● |
● |
● |
● |
● |
● |
● |
● |
● |
|
|
|
|
|
|
|
|
|
|
|
|
| SFC-040 |
d1 |
9 |
● |
● |
● |
● |
● |
● |
● |
● |
● |
● |
● |
● |
|
|
|
|
|
|
|
|
|
|
|
|
| d2 |
9 |
● |
● |
● |
● |
● |
● |
● |
● |
● |
● |
● |
● |
● |
● |
● |
|
|
|
|
|
|
|
|
|
| SFC-050 |
d1 |
18 |
20 |
22 |
22 |
● |
● |
● |
● |
● |
● |
● |
● |
● |
● |
● |
● |
● |
|
|
|
|
|
|
|
|
| d2 |
18 |
20 |
22 |
22 |
● |
● |
● |
● |
● |
● |
● |
● |
● |
● |
● |
● |
● |
● |
● |
|
|
|
|
|
|
| SFC-055 |
d1 |
|
|
|
31 |
34 |
36 |
38 |
● |
● |
● |
● |
● |
● |
● |
● |
● |
● |
● |
● |
|
|
|
|
|
|
| d2 |
|
|
|
31 |
34 |
36 |
38 |
● |
● |
● |
● |
● |
● |
● |
● |
● |
● |
● |
● |
|
|
|
|
|
|
| SFC-060 |
d1 |
|
|
|
|
50 |
51 |
● |
● |
● |
● |
● |
● |
● |
● |
● |
● |
● |
● |
● |
|
|
|
|
|
|
| d2 |
|
|
|
|
50 |
51 |
● |
● |
● |
● |
● |
● |
● |
● |
● |
● |
● |
● |
● |
● |
● |
|
|
|
|
| SFC-080 |
d1 |
|
|
|
|
|
|
|
|
|
|
|
● |
● |
● |
● |
● |
● |
● |
● |
● |
● |
|
|
|
|
| d2 |
|
|
|
|
|
|
|
|
|
|
|
● |
● |
● |
● |
● |
● |
● |
● |
● |
● |
● |
● |
|
|
| SFC-090 |
d1 |
|
|
|
|
|
|
|
|
|
|
|
|
|
|
|
|
● |
● |
● |
● |
● |
● |
● |
|
|
| d2 |
|
|
|
|
|
|
|
|
|
|
|
|
|
|
|
|
● |
● |
● |
● |
● |
● |
● |
● |
● |
| SFC-100 |
d1 |
|
|
|
|
|
|
|
|
|
|
|
|
|
|
|
|
|
|
|
226 |
● |
● |
● |
● |
● |
| d2 |
|
|
|
|
|
|
|
|
|
|
|
|
|
|
|
|
|
|
|
226 |
● |
● |
● |
● |
● |
* Die Wellentoleranz für den Standardbohrungsdurchmesser beträgt h7 (h6 oder g6): Bezeichnung B. Für einen Bohrungsdurchmesser von ø35 beträgt die Wellentoleranz jedoch -0,025 bis +0,010.
* Wellentoleranzen j6/k6: Bezeichnungen J/K sind optional und werden nur für mit ○ gekennzeichnete Bohrungsdurchmesser unterstützt.
* Bohrungsdurchmesser, die mit ● oder Zahlen gekennzeichnet sind, werden als Standardbohrungsdurchmesser unterstützt. Wenden Sie sich an Miki Pulley bezüglich Sondervereinbarungen, die möglicherweise für andere Bohrungsdurchmesser möglich sind.
* Bohrungsdurchmesser, deren Felder Zahlen enthalten, werden in ihrem Nenndrehmoment durch die Haltekraft des Wellenanschlussbauteils eingeschränkt, da der Bohrungsdurchmesser klein ist. Die Zahlen geben das Nenndrehmoment [Nm] an.
ReinraumtauglichEs handelt sich um ein reinraumtaugliches Produkt, das unter Berücksichtigung seiner Verwendung in Reinräumen gereinigt, montiert (ISO-Klasse 6) und verpackt wurde.
SFC-□SA2(CC/CF)
[Technische Daten]
| Modell |
Typ |
Nenndrehmoment [N・m] |
Versatz |
Max. Drehzahl [min-1] |
Torsionssteifigkeit [N・m/rad] |
Axialsteifigkeit [N/mm] |
Trägheitsmoment [kg・m2] |
Masse [kg] |
Parallel [mm] |
Winke [°] |
Axial [mm] |
| SFC-020SA2 |
C |
2 |
0.02 |
1 |
±0.15 |
10000 |
3700 |
64 |
2.39×10-6 |
0.025 |
| SFC-025SA2 |
C |
4 |
0.02 |
1 |
±0.19 |
10000 |
5600 |
60 |
3.67×10-6 |
0.029 |
| SFC-030SA2 |
A |
5 |
0.02 |
1 |
±0.2 |
10000 |
8000 |
64 |
4.09×10-6 |
0.034 |
| B |
6.11×10-6 |
0.040 |
| C |
8.23×10-6 |
0.048 |
| SFC-035SA2 |
C |
10 |
0.02 |
1 |
±0.25 |
10000 |
18000 |
112 |
18.50×10-6 |
0.083 |
| SFC-040SA2 |
A |
12 |
0.02 |
1 |
±0.3 |
10000 |
20000 |
80 |
16.71×10-6 |
0.077 |
| B |
22.59×10-6 |
0.085 |
| C |
29.28×10-6 |
0.100 |
| SFC-050SA2 |
A |
25 |
0.02 |
1 |
±0.4 |
10000 |
32000 |
48 |
56.26×10-6 |
0.160 |
| B |
76.71×10-6 |
0.178 |
| C |
99.38×10-6 |
0.207 |
| SFC-055SA2 |
C |
40 |
0.02 |
1 |
±0.42 |
10000 |
50000 |
43 |
188.7×10-6 |
0.315 |
| SFC-060SA2 |
A |
60 |
0.02 |
1 |
±0.45 |
10000 |
70000 |
76.4 |
147.0×10-6 |
0.285 |
| B |
206.3×10-6 |
0.328 |
| C |
270.0×10-6 |
0.387 |
| SFC-080SA2 |
C |
100 |
0.02 |
1 |
±0.55 |
10000 |
140000 |
128 |
716.3×10-6 |
0.720 |
* Die Typen A / B / C werden von Miki Pulley automatisch entsprechend der von Ihnen gewählten Kombination der Bohrungsdurchmesser spezifiziert und können nicht vom Kunden spezifiziert werden.
* Sehen Sie sich die Liste der Standardbohrungsdurchmesser an, da das Nenndrehmoment durch die Haltekraft der Wellenverbindungskomponente eingeschränkt sein kann.
* Max. Die Drehzahl berücksichtigt nicht das dynamische Gleichgewicht. * Die angegebenen Torsionssteifigkeitswerte sind Messwerte für das einzelne Element.
* Das Trägheitsmoment und die Masse werden für den maximalen Bohrungsdurchmesser gemessen.
[Abmessungen]
Einheit [mm]
| Modell |
Typ |
d1 |
d2 |
D |
N |
L |
LF |
S |
A1 |
A2 |
C |
K |
M |
Anzugsmoment [N・m] |
| Min. |
Max. |
Min. |
Max. |
CC Geringe Staubentwicklung |
CF Fluor |
| SFC-020SA2 |
C |
5 |
10 |
5 |
11 |
26 |
- |
23.15 |
10.75 |
1.65 |
- |
9.5 |
3.3 |
10.6 |
1-M2.5 |
0.5 |
0.9 |
| SFC-025SA2 |
C |
5 |
14 |
5 |
14 |
29 |
- |
23.4 |
10.75 |
1.9 |
- |
11 |
3.3 |
14.5 |
1-M2.5 |
0.5 |
0.9 |
| SFC-030SA2 |
A |
5 |
10 |
5 |
10 |
34 |
21.6 |
27.3 |
12.4 |
2.5 |
8 |
- |
3.75 |
14.5 |
1-M3 |
1.5 |
3.2 |
| B |
Über 10 |
16 |
12.5 |
| C |
Über 10 |
14 |
- |
- |
| SFC-035SA2 |
C |
6 |
16 |
6 |
19 |
39 |
- |
34 |
15.5 |
3 |
- |
14 |
4.5 |
17 |
1-M4 |
4 |
7.7 |
| SFC-040SA2 |
A |
8 |
15 |
8 |
15 |
44 |
29.6 |
34 |
15.5 |
3 |
11 |
- |
4.5 |
19.5 |
1-M4 |
4 |
7.7 |
| B |
Über 15 |
24 |
17 |
| C |
Über 15 |
19 |
- |
- |
| SFC-050SA2 |
A |
8 |
19 |
8 |
19 |
56 |
38 |
43.4 |
20.5 |
2.4 |
14.5 |
- |
6 |
26 |
1-M5 |
7 |
12 |
| B |
Über 19 |
30 |
22 |
| C |
Über 19 |
25 |
- |
- |
| SFC-055SA2 |
C |
10 |
30 |
10 |
30 |
63 |
- |
50.6 |
24 |
2.6 |
- |
23 |
7.75 |
31 |
1-M6 |
13 |
22.5 |
| SFC-060SA2 |
A |
11 |
24 |
11 |
24 |
68 |
46 |
53.6 |
25.2 |
3.2 |
17.5 |
- |
7.75 |
31 |
1-M6 |
13 |
22.5 |
| B |
Über 24 |
35 |
26.5 |
| C |
Über 24 |
30 |
- |
- |
| SFC-080SA2 |
C |
18 |
35 |
18 |
40 |
82 |
- |
68 |
30 |
8 |
- |
28 |
9 |
38 |
1-M8 |
27 |
45 |
* Die Typen A / B / C werden von Miki Pulley automatisch entsprechend der von Ihnen gewählten Kombination der Bohrungsdurchmesser spezifiziert und können nicht vom Kunden spezifiziert werden.
* Das K-Maß ist der Innendurchmesser des Elements. Wenn das d2-Maß diesen Wert überschreitet, kann die Welle nur bis zum LF-Maß zur d2-seitigen Nabe eingeführt werden.
* Der Nenndurchmesser für den Spannbolzen M entspricht der Menge abzüglich des Nenndurchmessers der Schraubengewinde, wobei die Menge für eine Nabe gilt. Auf der einen Seite.
* Sie können zwischen zwei Fettarten für Klemmschrauben wählen: Fett mit geringer Staubentwicklung und Fluorfett.
[Standardbohrungsdurchmesser] (Fett mit geringer Staubentwicklung)
| Modell |
Standardbohrungsdurchmesser, d1/d2 [mm] und eingeschränktes Nenndrehmoment [N・m] |
| d1/d2 |
5 |
6 |
6.35 |
7 |
8 |
9 |
9.525 |
10 |
11 |
12 |
13 |
14 |
15 |
16 |
17 |
18 |
19 |
20 |
22 |
24 |
25 |
28 |
30 |
32 |
35 |
38 |
40 |
| SFC-020SA2 |
d1 |
0.5 |
0.6 |
0.6 |
0.6 |
1.0 |
1.3 |
1.3 |
● |
|
|
|
|
|
|
|
|
|
|
|
|
|
|
|
|
|
|
|
| d2 |
0.5 |
0.6 |
0.6 |
0.6 |
1.0 |
1.3 |
1.3 |
● |
● |
|
|
|
|
|
|
|
|
|
|
|
|
|
|
|
|
|
|
| SFC-025SA2 |
d1 |
0.5 |
0.5 |
0.5 |
0.5 |
0.8 |
0.8 |
0.8 |
1.8 |
1.8 |
2.3 |
2.3 |
● |
|
|
|
|
|
|
|
|
|
|
|
|
|
|
|
| d2 |
0.5 |
0.5 |
0.5 |
0.5 |
0.8 |
0.8 |
0.8 |
1.8 |
1.8 |
2.3 |
2.3 |
● |
|
|
|
|
|
|
|
|
|
|
|
|
|
|
|
| SFC-030SA2 |
d1 |
0.8 |
1.6 |
2 |
2.6 |
3.4 |
4.4 |
4.9 |
● |
● |
● |
● |
● |
|
|
|
|
|
|
|
|
|
|
|
|
|
|
|
| d2 |
0.8 |
1.6 |
2 |
2.6 |
3.4 |
4.4 |
4.9 |
● |
● |
● |
● |
● |
● |
● |
|
|
|
|
|
|
|
|
|
|
|
|
|
| SFC-035SA2 |
d1 |
|
3.3 |
3.8 |
4.8 |
6.3 |
7.7 |
8.5 |
9.2 |
● |
● |
● |
● |
● |
● |
|
|
|
|
|
|
|
|
|
|
|
|
|
| d2 |
|
3.3 |
3.8 |
4.8 |
6.3 |
7.7 |
8.5 |
9.2 |
● |
● |
● |
● |
● |
● |
● |
● |
● |
|
|
|
|
|
|
|
|
|
|
| SFC-040SA2 |
d1 |
|
|
|
|
9 |
9 |
9 |
9 |
9 |
● |
● |
● |
● |
● |
● |
● |
● |
|
|
|
|
|
|
|
|
|
|
| d2 |
|
|
|
|
9 |
9 |
9 |
9 |
9 |
● |
● |
● |
● |
● |
● |
● |
● |
● |
● |
● |
|
|
|
|
|
|
|
| SFC-050SA2 |
d1 |
|
|
|
|
11 |
16 |
17 |
19 |
19 |
24 |
24 |
24 |
● |
● |
● |
● |
● |
● |
● |
● |
● |
|
|
|
|
|
|
| d2 |
|
|
|
|
11 |
16 |
17 |
19 |
19 |
24 |
24 |
24 |
● |
● |
● |
● |
● |
● |
● |
● |
● |
● |
● |
|
|
|
|
| SFC-055SA2 |
d1 |
|
|
|
|
|
|
|
20 |
24 |
29 |
33 |
37 |
● |
● |
● |
● |
● |
● |
● |
● |
● |
● |
● |
|
|
|
|
| d2 |
|
|
|
|
|
|
|
20 |
24 |
29 |
33 |
37 |
● |
● |
● |
● |
● |
● |
● |
● |
● |
● |
● |
|
|
|
|
| SFC-060SA2 |
d1 |
|
|
|
|
|
|
|
|
38 |
41 |
44 |
48 |
55 |
55 |
58 |
● |
● |
● |
● |
● |
● |
● |
● |
|
|
|
|
| d2 |
|
|
|
|
|
|
|
|
38 |
41 |
44 |
48 |
55 |
55 |
58 |
● |
● |
● |
● |
● |
● |
● |
● |
● |
● |
|
|
| SFC-080SA2 |
d1 |
|
|
|
|
|
|
|
|
|
|
|
|
|
|
|
54 |
60 |
65 |
75 |
85 |
90 |
● |
● |
● |
● |
|
|
| d2 |
|
|
|
|
|
|
|
|
|
|
|
|
|
|
|
54 |
60 |
65 |
75 |
85 |
90 |
● |
● |
● |
● |
● |
● |
* Die Wellentoleranz für den Standardbohrungsdurchmesser beträgt h7 (h6 oder g6): Bezeichnung B. Für einen Bohrungsdurchmesser von ø35 beträgt die Wellentoleranz jedoch -0,025 bis +0,010.
* Bohrungsdurchmesser, die mit ● oder Zahlen gekennzeichnet sind, werden als Standardbohrungsdurchmesser unterstützt. Wenden Sie sich an Miki Pulley bezüglich Sondervereinbarungen, die möglicherweise für andere Bohrungsdurchmesser möglich sind.
* Bohrungsdurchmesser, deren Felder Zahlen enthalten, werden in ihrem Nenndrehmoment durch die Haltekraft des Wellenanschlussbauteils eingeschränkt, da der Bohrungsdurchmesser klein ist. Die Zahlen geben das Nenndrehmoment [Nm] an.
[Standardbohrungsdurchmesser] (Fluorfett)
| Modell |
Standardbohrungsdurchmesser, d1/d2 [mm] und eingeschränktes Nenndrehmoment [N・m] |
| d1/d2 |
5 |
6 |
6.35 |
7 |
8 |
9 |
9.525 |
10 |
11 |
12 |
13 |
14 |
15 |
16 |
17 |
18 |
19 |
20 |
22 |
24 |
25 |
28 |
30 |
32 |
35 |
38 |
40 |
| SFC-020SA2 |
d1 |
0.7 |
0.7 |
0.7 |
0.8 |
● |
● |
● |
● |
|
|
|
|
|
|
|
|
|
|
|
|
|
|
|
|
|
|
|
| d2 |
0.7 |
0.7 |
0.7 |
0.8 |
● |
● |
● |
● |
● |
|
|
|
|
|
|
|
|
|
|
|
|
|
|
|
|
|
|
| SFC-025SA2 |
d1 |
0.5 |
0.5 |
0.5 |
1.1 |
1.6 |
1.6 |
1.6 |
3.2 |
3.2 |
● |
● |
● |
|
|
|
|
|
|
|
|
|
|
|
|
|
|
|
| d2 |
0.5 |
0.5 |
0.5 |
1.1 |
1.6 |
1.6 |
1.6 |
3.2 |
3.2 |
● |
● |
● |
|
|
|
|
|
|
|
|
|
|
|
|
|
|
|
| SFC-030SA2 |
d1 |
0.8 |
2 |
2.4 |
3.1 |
4.3 |
● |
● |
● |
● |
● |
● |
● |
|
|
|
|
|
|
|
|
|
|
|
|
|
|
|
| d2 |
0.8 |
2 |
2.4 |
3.1 |
4.3 |
● |
● |
● |
● |
● |
● |
● |
● |
● |
|
|
|
|
|
|
|
|
|
|
|
|
|
| SFC-035SA2 |
d1 |
|
3.6 |
5.2 |
6.4 |
8.2 |
● |
● |
● |
● |
● |
● |
● |
● |
● |
|
|
|
|
|
|
|
|
|
|
|
|
|
| d2 |
|
3.6 |
5.2 |
6.4 |
8.2 |
● |
● |
● |
● |
● |
● |
● |
● |
● |
● |
● |
● |
|
|
|
|
|
|
|
|
|
|
| SFC-040SA2 |
d1 |
|
|
|
|
● |
● |
● |
● |
● |
● |
● |
● |
● |
● |
● |
● |
● |
|
|
|
|
|
|
|
|
|
|
| d2 |
|
|
|
|
● |
● |
● |
● |
● |
● |
● |
● |
● |
● |
● |
● |
● |
● |
● |
● |
|
|
|
|
|
|
|
| SFC-050SA2 |
d1 |
|
|
|
|
11 |
17 |
19 |
20 |
22 |
● |
● |
● |
● |
● |
● |
● |
● |
● |
● |
● |
● |
|
|
|
|
|
|
| d2 |
|
|
|
|
11 |
17 |
19 |
20 |
22 |
● |
● |
● |
● |
● |
● |
● |
● |
● |
● |
● |
● |
● |
● |
|
|
|
|
| SFC-055SA2 |
d1 |
|
|
|
|
|
|
|
28 |
37 |
● |
● |
● |
● |
● |
● |
● |
● |
● |
● |
● |
● |
● |
● |
|
|
|
|
| d2 |
|
|
|
|
|
|
|
28 |
37 |
● |
● |
● |
● |
● |
● |
● |
● |
● |
● |
● |
● |
● |
● |
|
|
|
|
| SFC-060SA2 |
d1 |
|
|
|
|
|
|
|
|
40 |
44 |
49 |
53 |
● |
● |
● |
● |
● |
● |
● |
● |
● |
● |
● |
|
|
|
|
| d2 |
|
|
|
|
|
|
|
|
40 |
44 |
49 |
53 |
● |
● |
● |
● |
● |
● |
● |
● |
● |
● |
● |
● |
● |
|
|
| SFC-080SA2 |
d1 |
|
|
|
|
|
|
|
|
|
|
|
|
|
|
|
60 |
66 |
71 |
81 |
90 |
95 |
● |
● |
● |
● |
|
|
| d2 |
|
|
|
|
|
|
|
|
|
|
|
|
|
|
|
60 |
66 |
71 |
81 |
90 |
95 |
● |
● |
● |
● |
● |
● |
* Die Wellentoleranz für den Standardbohrungsdurchmesser beträgt h7 (h6 oder g6): Bezeichnung B. Für einen Bohrungsdurchmesser von ø35 beträgt die Wellentoleranz jedoch -0,025 bis +0,010.
* Bohrungsdurchmesser, die mit ● oder Zahlen gekennzeichnet sind, werden als Standardbohrungsdurchmesser unterstützt. Wenden Sie sich an Miki Pulley bezüglich Sondervereinbarungen, die möglicherweise für andere Bohrungsdurchmesser möglich sind.
* Bohrungsdurchmesser, deren Felder Zahlen enthalten, werden in ihrem Nenndrehmoment durch die Haltekraft des Wellenanschlussbauteils eingeschränkt, da der Bohrungsdurchmesser klein ist. Die Zahlen geben das Nenndrehmoment [Nm] an.
SFC-□DA2(CC/CF)
[Technische Daten]
| Modell |
Typ |
Nenndrehmoment [N・m] |
Versatz |
Max. Drehzahl [min-1] |
Torsionssteifigkeit [N・m/rad] |
Axialsteifigkeit [N/mm] |
Trägheitsmoment [kg・m2] |
Masse [kg] |
Parallel [mm] |
Winke [°] |
Axial [mm] |
| SFC-020DA2 |
C |
2 |
0.15 |
1(Auf der einen Seite) |
±0.33 |
10000 |
1850 |
32 |
3.43×10-6 |
0.035 |
| SFC-025DA2 |
C |
4 |
0.16 |
1(Auf der einen Seite) |
±0.38 |
10000 |
2800 |
30 |
5.26×10-6 |
0.040 |
| SFC-030DA2 |
A |
5 |
0.18 |
1(Auf der einen Seite) |
±0.4 |
10000 |
4000 |
32 |
7.46×10-6 |
0.054 |
| B |
9.49×10-6 |
0.060 |
| C |
11.60×10-6 |
0.069 |
| SFC-035DA2 |
C |
10 |
0.24 |
1(Auf der einen Seite) |
±0.5 |
10000 |
9000 |
56.2 |
27.03×10-6 |
0.122 |
| SFC-040DA2 |
A |
12 |
0.24 |
1(Auf der einen Seite) |
±0.6 |
10000 |
10000 |
40 |
30.03×10-6 |
0.124 |
| B |
35.81×10-6 |
0.132 |
| C |
42.60×10-6 |
0.147 |
| SFC-050DA2 |
A |
25 |
0.28 |
1(Auf der einen Seite) |
±0.8 |
10000 |
16000 |
24 |
99.32×10-6 |
0.252 |
| B |
119.8×10-6 |
0.270 |
| C |
142.4×10-6 |
0.299 |
| SFC-055DA2 |
C |
40 |
0.31 |
1(Auf der einen Seite) |
±0.84 |
10000 |
25000 |
21.5 |
262.3×10-6 |
0.436 |
| SFC-060DA2 |
A |
60 |
0.34 |
1(Auf der einen Seite) |
±0.9 |
10000 |
35000 |
38.2 |
258.6×10-6 |
0.450 |
| B |
317.8×10-6 |
0.493 |
| C |
381.6×10-6 |
0.552 |
| SFC-080DA2 |
C |
100 |
0.52 |
1(Auf der einen Seite) |
±1.10 |
10000 |
70000 |
64 |
1047×10-6 |
1.050 |
* Die Typen A / B / C werden von Miki Pulley automatisch entsprechend der von Ihnen gewählten Kombination der Bohrungsdurchmesser spezifiziert und können nicht vom Kunden spezifiziert werden.
* Sehen Sie sich die Liste der Standardbohrungsdurchmesser an, da das Nenndrehmoment durch die Haltekraft der Wellenverbindungskomponente eingeschränkt sein kann.
* Max. Die Drehzahl berücksichtigt nicht das dynamische Gleichgewicht. * Die angegebenen Torsionssteifigkeitswerte sind Messwerte für das einzelne Element.
* Das Trägheitsmoment und die Masse werden für den maximalen Bohrungsdurchmesser gemessen.
[Abmessungen]
Einheit [mm]
| Modell |
Typ |
d1 |
d2 |
D |
N |
L |
LF |
LP |
S |
A1 |
A2 |
C |
d3 |
K |
M |
Anzugsmoment [N・m] |
| Min. |
Max. |
Min. |
Max. |
CC Geringe Staubentwicklung |
CF Fluor |
| SFC-020DA2 |
C |
5 |
10 |
5 |
11 |
26 |
- |
32.3 |
10.75 |
7.5 |
1.65 |
- |
9.5 |
3.3 |
10.6 |
10.6 |
1-M2.5 |
0.5 |
0.9 |
| SFC-025DA2 |
C |
5 |
14 |
5 |
14 |
29 |
- |
32.8 |
10.75 |
7.5 |
1.9 |
- |
11 |
3.3 |
15 |
14.5 |
1-M2.5 |
0.5 |
0.9 |
| SFC-030DA2 |
A |
5 |
10 |
5 |
10 |
34 |
21.6 |
37.8 |
12.4 |
8 |
2.5 |
8 |
- |
3.75 |
15 |
14.5 |
1-M3 |
1.5 |
3.2 |
| B |
Über 10 |
16 |
12.5 |
| C |
Über 10 |
14 |
- |
- |
| SFC-035DA2 |
C |
6 |
16 |
6 |
19 |
39 |
- |
48 |
15.5 |
11 |
3 |
- |
14 |
4.5 |
17 |
17 |
1-M4 |
4 |
7.7 |
| SFC-040DA2 |
A |
8 |
15 |
8 |
15 |
44 |
29.6 |
48 |
15.5 |
11 |
3 |
11 |
- |
4.5 |
20 |
19.5 |
1-M4 |
4 |
7.7 |
| B |
Über 15 |
24 |
17 |
| C |
Über 15 |
24 |
- |
- |
| SFC-050DA2 |
A |
8 |
19 |
8 |
19 |
56 |
38 |
59.8 |
20.5 |
14 |
2.4 |
14.5 |
- |
6 |
26 |
26 |
1-M5 |
7 |
12 |
| B |
Über 19 |
30 |
22 |
| C |
Über 19 |
25 |
- |
- |
| SFC-055DA2 |
C |
10 |
30 |
10 |
30 |
63 |
- |
68.7 |
24 |
15.5 |
2.6 |
- |
23 |
7.75 |
31 |
31 |
1-M6 |
13 |
22.5 |
| SFC-060DA2 |
A |
11 |
24 |
11 |
24 |
68 |
46 |
73.3 |
25.2 |
16.5 |
3.2 |
17.5 |
- |
7.75 |
31 |
31 |
1-M6 |
13 |
22.5 |
| B |
Über 24 |
35 |
26.5 |
| C |
Über 24 |
30 |
- |
- |
| SFC-080DA2 |
C |
18 |
35 |
18 |
40 |
82 |
- |
98 |
30 |
22 |
8 |
- |
28 |
9 |
40 |
38 |
1-M8 |
27 |
45 |
* Die Typen A / B / C werden von Miki Pulley automatisch entsprechend der von Ihnen gewählten Kombination der Bohrungsdurchmesser spezifiziert und können nicht vom Kunden spezifiziert werden.
* Das K-Maß ist der Innendurchmesser des Elements. Wenn das d2-Maß diesen Wert überschreitet, kann die Welle nur bis zum LF-Maß zur d2-seitigen Nabe eingeführt werden.
* Der Nenndurchmesser für den Spannbolzen M entspricht der Menge abzüglich des Nenndurchmessers der Schraubengewinde, wobei die Menge für eine Nabe gilt. Auf der einen Seite.
* Sie können zwischen zwei Fettarten für Klemmschrauben wählen: Fett mit geringer Staubentwicklung und Fluorfett.
[Standardbohrungsdurchmesser] (Fett mit geringer Staubentwicklung)
| Modell |
Standardbohrungsdurchmesser, d1/d2 [mm] und eingeschränktes Nenndrehmoment [N・m] |
| d1/d2 |
5 |
6 |
6.35 |
7 |
8 |
9 |
9.525 |
10 |
11 |
12 |
13 |
14 |
15 |
16 |
17 |
18 |
19 |
20 |
22 |
24 |
25 |
28 |
30 |
32 |
35 |
38 |
40 |
| SFC-020DA2 |
d1 |
0.5 |
0.6 |
0.6 |
0.6 |
1.0 |
1.3 |
1.3 |
● |
|
|
|
|
|
|
|
|
|
|
|
|
|
|
|
|
|
|
|
| d2 |
0.5 |
0.6 |
0.6 |
0.6 |
1.0 |
1.3 |
1.3 |
● |
● |
|
|
|
|
|
|
|
|
|
|
|
|
|
|
|
|
|
|
| SFC-025DA2 |
d1 |
0.5 |
0.5 |
0.5 |
0.5 |
0.8 |
0.8 |
0.8 |
1.8 |
1.8 |
2.3 |
2.3 |
● |
|
|
|
|
|
|
|
|
|
|
|
|
|
|
|
| d2 |
0.5 |
0.5 |
0.5 |
0.5 |
0.8 |
0.8 |
0.8 |
1.8 |
1.8 |
2.3 |
2.3 |
● |
|
|
|
|
|
|
|
|
|
|
|
|
|
|
|
| SFC-030DA2 |
d1 |
0.8 |
1.6 |
2 |
2.6 |
3.4 |
4.4 |
4.9 |
● |
● |
● |
● |
● |
|
|
|
|
|
|
|
|
|
|
|
|
|
|
|
| d2 |
0.8 |
1.6 |
2 |
2.6 |
3.4 |
4.4 |
4.9 |
● |
● |
● |
● |
● |
● |
● |
|
|
|
|
|
|
|
|
|
|
|
|
|
| SFC-035DA2 |
d1 |
|
3.3 |
3.8 |
4.8 |
6.3 |
7.7 |
8.5 |
9.2 |
● |
● |
● |
● |
● |
● |
|
|
|
|
|
|
|
|
|
|
|
|
|
| d2 |
|
3.3 |
3.8 |
4.8 |
6.3 |
7.7 |
8.5 |
9.2 |
● |
● |
● |
● |
● |
● |
● |
● |
● |
|
|
|
|
|
|
|
|
|
|
| SFC-040DA2 |
d1 |
|
|
|
|
9 |
9 |
9 |
9 |
9 |
● |
● |
● |
● |
● |
● |
● |
● |
|
|
|
|
|
|
|
|
|
|
| d2 |
|
|
|
|
9 |
9 |
9 |
9 |
9 |
● |
● |
● |
● |
● |
● |
● |
● |
● |
● |
● |
|
|
|
|
|
|
|
| SFC-050DA2 |
d1 |
|
|
|
|
11 |
16 |
17 |
19 |
19 |
24 |
24 |
24 |
● |
● |
● |
● |
● |
● |
● |
● |
● |
|
|
|
|
|
|
| d2 |
|
|
|
|
11 |
16 |
17 |
19 |
19 |
24 |
24 |
24 |
● |
● |
● |
● |
● |
● |
● |
● |
● |
● |
● |
|
|
|
|
| SFC-055DA2 |
d1 |
|
|
|
|
|
|
|
20 |
24 |
29 |
33 |
37 |
● |
● |
● |
● |
● |
● |
● |
● |
● |
● |
● |
|
|
|
|
| d2 |
|
|
|
|
|
|
|
20 |
24 |
29 |
33 |
37 |
● |
● |
● |
● |
● |
● |
● |
● |
● |
● |
● |
|
|
|
|
| SFC-060DA2 |
d1 |
|
|
|
|
|
|
|
|
38 |
41 |
44 |
48 |
55 |
55 |
58 |
● |
● |
● |
● |
● |
● |
● |
● |
|
|
|
|
| d2 |
|
|
|
|
|
|
|
|
38 |
41 |
44 |
48 |
55 |
55 |
58 |
● |
● |
● |
● |
● |
● |
● |
● |
● |
● |
|
|
| SFC-080DA2 |
d1 |
|
|
|
|
|
|
|
|
|
|
|
|
|
|
|
54 |
60 |
65 |
75 |
85 |
90 |
● |
● |
● |
● |
|
|
| d2 |
|
|
|
|
|
|
|
|
|
|
|
|
|
|
|
54 |
60 |
65 |
75 |
85 |
90 |
● |
● |
● |
● |
● |
● |
* Die Wellentoleranz für den Standardbohrungsdurchmesser beträgt h7 (h6 oder g6): Bezeichnung B. Für einen Bohrungsdurchmesser von ø35 beträgt die Wellentoleranz jedoch -0,025 bis +0,010.
* Bohrungsdurchmesser, die mit ● oder Zahlen gekennzeichnet sind, werden als Standardbohrungsdurchmesser unterstützt. Wenden Sie sich an Miki Pulley bezüglich Sondervereinbarungen, die möglicherweise für andere Bohrungsdurchmesser möglich sind.
* Bohrungsdurchmesser, deren Felder Zahlen enthalten, werden in ihrem Nenndrehmoment durch die Haltekraft des Wellenanschlussbauteils eingeschränkt, da der Bohrungsdurchmesser klein ist. Die Zahlen geben das Nenndrehmoment [Nm] an.
[Standardbohrungsdurchmesser] (Fluorfett)
| Modell |
Standardbohrungsdurchmesser, d1/d2 [mm] und eingeschränktes Nenndrehmoment [N・m] |
| d1/d2 |
5 |
6 |
6.35 |
7 |
8 |
9 |
9.525 |
10 |
11 |
12 |
13 |
14 |
15 |
16 |
17 |
18 |
19 |
20 |
22 |
24 |
25 |
28 |
30 |
32 |
35 |
38 |
40 |
| SFC-020DA2 |
d1 |
0.7 |
0.7 |
0.7 |
0.8 |
● |
● |
● |
● |
|
|
|
|
|
|
|
|
|
|
|
|
|
|
|
|
|
|
|
| d2 |
0.7 |
0.7 |
0.7 |
0.8 |
● |
● |
● |
● |
● |
|
|
|
|
|
|
|
|
|
|
|
|
|
|
|
|
|
|
| SFC-025DA2 |
d1 |
0.5 |
0.5 |
0.5 |
1.1 |
1.6 |
1.6 |
1.6 |
3.2 |
3.2 |
● |
● |
● |
|
|
|
|
|
|
|
|
|
|
|
|
|
|
|
| d2 |
0.5 |
0.5 |
0.5 |
1.1 |
1.6 |
1.6 |
1.6 |
3.2 |
3.2 |
● |
● |
● |
|
|
|
|
|
|
|
|
|
|
|
|
|
|
|
| SFC-030DA2 |
d1 |
0.8 |
2 |
2.4 |
3.1 |
4.3 |
● |
● |
● |
● |
● |
● |
● |
|
|
|
|
|
|
|
|
|
|
|
|
|
|
|
| d2 |
0.8 |
2 |
2.4 |
3.1 |
4.3 |
● |
● |
● |
● |
● |
● |
● |
● |
● |
|
|
|
|
|
|
|
|
|
|
|
|
|
| SFC-035DA2 |
d1 |
|
3.6 |
5.2 |
6.4 |
8.2 |
● |
● |
● |
● |
● |
● |
● |
● |
● |
|
|
|
|
|
|
|
|
|
|
|
|
|
| d2 |
|
3.6 |
5.2 |
6.4 |
8.2 |
● |
● |
● |
● |
● |
● |
● |
● |
● |
● |
● |
● |
|
|
|
|
|
|
|
|
|
|
| SFC-040DA2 |
d1 |
|
|
|
|
● |
● |
● |
● |
● |
● |
● |
● |
● |
● |
● |
● |
● |
|
|
|
|
|
|
|
|
|
|
| d2 |
|
|
|
|
● |
● |
● |
● |
● |
● |
● |
● |
● |
● |
● |
● |
● |
● |
● |
● |
|
|
|
|
|
|
|
| SFC-050DA2 |
d1 |
|
|
|
|
11 |
17 |
19 |
20 |
22 |
● |
● |
● |
● |
● |
● |
● |
● |
● |
● |
● |
● |
|
|
|
|
|
|
| d2 |
|
|
|
|
11 |
17 |
19 |
20 |
22 |
● |
● |
● |
● |
● |
● |
● |
● |
● |
● |
● |
● |
● |
● |
|
|
|
|
| SFC-055DA2 |
d1 |
|
|
|
|
|
|
|
28 |
37 |
● |
● |
● |
● |
● |
● |
● |
● |
● |
● |
● |
● |
● |
● |
|
|
|
|
| d2 |
|
|
|
|
|
|
|
28 |
37 |
● |
● |
● |
● |
● |
● |
● |
● |
● |
● |
● |
● |
● |
● |
|
|
|
|
| SFC-060DA2 |
d1 |
|
|
|
|
|
|
|
|
40 |
44 |
49 |
53 |
● |
● |
● |
● |
● |
● |
● |
● |
● |
● |
● |
|
|
|
|
| d2 |
|
|
|
|
|
|
|
|
40 |
44 |
49 |
53 |
● |
● |
● |
● |
● |
● |
● |
● |
● |
● |
● |
● |
● |
|
|
| SFC-080DA2 |
d1 |
|
|
|
|
|
|
|
|
|
|
|
|
|
|
|
60 |
66 |
71 |
81 |
90 |
95 |
● |
● |
● |
● |
|
|
| d2 |
|
|
|
|
|
|
|
|
|
|
|
|
|
|
|
60 |
66 |
71 |
81 |
90 |
95 |
● |
● |
● |
● |
● |
● |
* Die Wellentoleranz für den Standardbohrungsdurchmesser beträgt h7 (h6 oder g6): Bezeichnung B. Für einen Bohrungsdurchmesser von ø35 beträgt die Wellentoleranz jedoch -0,025 bis +0,010.
* Bohrungsdurchmesser, die mit ● oder Zahlen gekennzeichnet sind, werden als Standardbohrungsdurchmesser unterstützt. Wenden Sie sich an Miki Pulley bezüglich Sondervereinbarungen, die möglicherweise für andere Bohrungsdurchmesser möglich sind.
* Bohrungsdurchmesser, deren Felder Zahlen enthalten, werden in ihrem Nenndrehmoment durch die Haltekraft des Wellenanschlussbauteils eingeschränkt, da der Bohrungsdurchmesser klein ist. Die Zahlen geben das Nenndrehmoment [Nm] an.