TMFCB2モデル

![]()
TMFCB2モデル
【仕様1】
【仕様2】
| 型式 | モータ | クラッチ・ブレーキ (励磁作動形) | |||||||||||
|---|---|---|---|---|---|---|---|---|---|---|---|---|---|
| モータ出力[kW] | 極数 | 電源 電圧[V]/周波数[Hz] | 保護冷却方式 | 耐熱クラス | 効率クラス | 部 | 動摩擦トルク[N・m] | 定格電圧[V] | 消費電力[W] | 電流(於20℃)[A] | 総摩擦仕事[J] | 許容仕事量[J/min] | |
| SG-P1-TMFCB2-02 | 0.2 | 4極 | 三相 200/50・60 220/60 | 全閉自冷 | E | IE1 | クラッチ | 3.5 | DC 90±10% | 11 | 0.12 | 7.2×107 | 2450 |
| ブレーキ | 2.0 | ||||||||||||
| SG-P1-TMFCB2-04 | 0.4 | 4極 | 三相 200/50・60 220/60 | 全閉外扇 | E | IE1 | クラッチ | 7.0 | DC 90±10% | 15 | 0.17 | 12×107 | 3430 |
| ブレーキ | 3.5 | 11 | 0.12 | 7.2×107 | 2450 | ||||||||
| SG-P1-TMFCB2-07 | 0.74 | 4極 | 三相 200/50・60 220/60 | 全閉外扇 | E | IE1 | クラッチ | 14.0 | DC 90±10% | 20 | 0.22 | 26×107 | 4410 |
| ブレーキ | 7.0 | 15 | 0.17 | 12×107 | 3430 | ||||||||
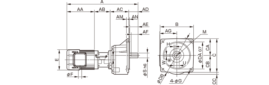
【寸法】

| 型式 | 減速 比率 | A | AA | AB | AC | AD | AE | AF | AG | AM | AN | B | C | CA | CB | CC | CD | DA | DB | E | F | G | M呼び | S | U | W | H |
|---|---|---|---|---|---|---|---|---|---|---|---|---|---|---|---|---|---|---|---|---|---|---|---|---|---|---|---|
| SG-P1 -TMFCB2-02 | 1/5~1/30 | 356 | 140.5 | 98.5 | 82 | 35 | 30 | 24 | 113 | 10 | 3 | 155 | 155 | 77.5 | 77.5 | 2.7 | 16 | 145 | 170 | 118 | 22 | 11 | M6x1 深15 | 18 | 20.5 | 6 | 6 |
| SG-P1 -TMFCB2-02 | 1/40~1/80 | 383 | 140.5 | 98.5 | 98 | 46 | 40 | 30 | 113 | 12 | 4 | 164 | 164 | 82 | 82 | 5 | 20 | 148 | 185 | 118 | 22 | 11 | M6x1 深15 | 22 | 24.5 | 6 | 6 |
| SG-P1 -TMFCB2-02 | 1/100~1/200 | 394 | 140.5 | 98.5 | 104 | 51 | 45 | 36 | 113 | 15 | 5 | 190 | 190 | 95 | 95 | 11 | 25 | 170 | 215 | 118 | 22 | 11 | M8x1.25 深20 | 28 | 31 | 8 | 7 |
| SG-P1 -TMFCB2-04 | 1/5~1/25 | 428 | 180.5 | 103.5 | 98 | 46 | 40 | 30 | - | 12 | 4 | 164 | 164 | 82 | 82 | 6 | 20 | 148 | 185 | 136 | 22 | 11 | M6x1 深15 | 22 | 24.5 | 6 | 6 |
| SG-P1 -TMFCB2-04 | 1/30~1/80 | 439 | 180.5 | 103.5 | 104 | 51 | 45 | 36 | 113 | 15 | 5 | 190 | 190 | 95 | 95 | 11 | 25 | 170 | 215 | 136 | 22 | 11 | M8x1.25 深20 | 28 | 31 | 8 | 7 |
| SG-P1 -TMFCB2-04 | 1/100~1/200 | 467 | 180.5 | 103.5 | 122 | 61 | 55 | 45 | 113 | 15 | 5 | 220 | 224 | 112 | 112 | 13.5 | 29 | 180 | 260 | 136 | 22 | 13 | M10x1.5 深さ25 | 32 | 35 | 10 | 8 |
| SG-P1 -TMFCB2-07 | 1/5~1/25 | 483 | 199 | 122 | 111 | 51 | 45 | 36 | 132 | 15 | 5 | 190 | 190 | 95 | 95 | 11 | 25 | 170 | 215 | 158 | 22 | 11 | M8x1.25 深20 | 28 | 31 | 8 | 7 |
| SG-P1 -TMFCB2-07 | 1/30~1/80 | 511 | 199 | 122 | 129 | 61 | 55 | 45 | 132 | 15 | 5 | 220 | 224 | 112 | 112 | 13.5 | 29 | 180 | 250 | 158 | 22 | 13 | M10x1.5 深さ25 | 32 | 35 | 10 | 8 |
| SG-P1 -TMFCB2-07 | 1/100~1/200 | 575 | 199 | 122 | 165 | 89 | 82 | 70 | - | 17 | 5 | 290 | 299 | 145 | 154 | - | 35 | 240 | 330 | 158 | 22 | 15 | M10x1.5 深さ25 | 42 | 45 | 12 | 8 |

三木プーリのシグマー ギアモーター・減速機 TMFCB2モデルの製品詳細ページです。
TMFCB2モデルの型式ごとの詳細な仕様、寸法がご覧頂けます他、
カタログなどのダウンロードが可能です。