![]()
Modelle 112
[Technische Daten]
| Modell | Größe | Dynamisches Reibmoment Td [N·m] | Spule (bei 20 °C) | Hitzebeständigkeit | Verbindungsleitung | Max. Drehzahl [min-1] | Trägheitsmoment Anker J [kg·m2] | Zulässige Kupplungsenergie Eeaℓ [J] | Gesamtarbeitsleistung bis zur Neueinstellung des Luftspalts ET [J] | Dauer Ankeranzug ta [s] | Dauer Drehmomentaufbau tp [s] | Dauer Drehmomentabbau td [s] | Masse [kg] | ||||
|---|---|---|---|---|---|---|---|---|---|---|---|---|---|---|---|---|---|
| Spannung [V] | Wattleistung [W] | Stromstärke [A] | Widerstand [Ω] | UL Stil | Größe | ||||||||||||
| 112-02-13 | 2 | 0.4 | DC24 | 6 | 0.25 | 96 | B | UL3398 | AWG26 | 10000 | 6.75×10-7 | 1500 | 2×106 | 0.004 | 0.01 | 0.01 | 0.053 |
| 112-02-12 | 2 | 0.4 | DC24 | 6 | 0.25 | 96 | B | UL3398 | AWG26 | 10000 | 1.00×10-6 | 1500 | 2×106 | 0.004 | 0.01 | 0.01 | 0.057 |
| 112-02-11 | 2 | 0.4 | DC24 | 6 | 0.25 | 96 | B | UL3398 | AWG26 | 10000 | 1.00×10-6 | 1500 | 2×106 | 0.004 | 0.01 | 0.01 | 0.057 |
| 112-03-13 | 3 | 0.6 | DC24 | 6 | 0.25 | 96 | B | UL3398 | AWG26 | 10000 | 1.30×10-6 | 2300 | 3×106 | 0.005 | 0.012 | 0.008 | 0.072 |
| 112-03-12 | 3 | 0.6 | DC24 | 6 | 0.25 | 96 | B | UL3398 | AWG26 | 10000 | 1.95×10-6 | 2300 | 3×106 | 0.005 | 0.012 | 0.008 | 0.079 |
| 112-03-11 | 3 | 0.6 | DC24 | 6 | 0.25 | 96 | B | UL3398 | AWG26 | 10000 | 1.95×10-6 | 2300 | 3×106 | 0.005 | 0.012 | 0.008 | 0.079 |
| 112-04-13 | 4 | 1.2 | DC24 | 8 | 0.33 | 72 | B | UL3398 | AWG26 | 10000 | 4.38×10-6 | 4500 | 6×106 | 0.007 | 0.016 | 0.01 | 0.118 |
| 112-04-12 | 4 | 1.2 | DC24 | 8 | 0.33 | 72 | B | UL3398 | AWG26 | 10000 | 6.15×10-6 | 4500 | 6×106 | 0.007 | 0.016 | 0.01 | 0.131 |
| 112-04-11 | 4 | 1.2 | DC24 | 8 | 0.33 | 72 | B | UL3398 | AWG26 | 10000 | 6.15×10-6 | 4500 | 6×106 | 0.007 | 0.016 | 0.01 | 0.131 |
| 112-05-13 | 5 | 2.4 | DC24 | 10 | 0.42 | 58 | B | UL3398 | AWG22 | 10000 | 9.08×10-6 | 9000 | 9×106 | 0.01 | 0.023 | 0.012 | 0.2 |
| 112-05-12 | 5 | 2.4 | DC24 | 10 | 0.42 | 58 | B | UL3398 | AWG22 | 10000 | 1.38×10-5 | 9000 | 9×106 | 0.01 | 0.023 | 0.012 | 0.215 |
| 112-05-11 | 5 | 2.4 | DC24 | 10 | 0.42 | 58 | B | UL3398 | AWG22 | 10000 | 1.38×10-5 | 9000 | 9×106 | 0.01 | 0.023 | 0.012 | 0.215 |
* Das dynamische Reibmoment (Td) wird bei einer relativen Drehzahl von 100 min-1 gemessen.
* Für den maximalen Bohrungsdurchmesser werden das Trägheitsmoment und die Masse des drehenden Teils gemessen.
* Schwankungen in der Versorgungsspannung dürfen nicht mehr als 10 % von der Spulenspannung abweichen.
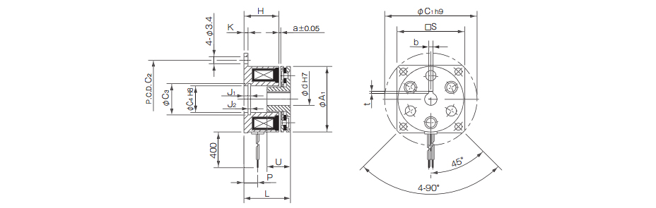
[Abmessungen]
112-□-13

| Größe | Abmessungen radiale Richtung | Abmessungen axiale Richtung | ||||||||||||||||||
|---|---|---|---|---|---|---|---|---|---|---|---|---|---|---|---|---|---|---|---|---|
| A1 | A2 | A3 | C1 | C2 | C3 | C4 | S | V1 | V2 | V3 | Z | H | K | J1 | J2 | L | P | X | a | |
| 02 | 28 | 19,5 | 10,5 | 39 | 33,5 | 11,4 | 11 | - | 2 bis 2,1 | 2 bis 5,3 | 2 bis 4 | 4° bis 90° | 13,7 | 1,5 | 2,6 | 1,3 | 16,1 | 5 | 0,8 | 0,1 |
| 03 | 32 | 23 | 12,5 | 45 | 38 | 13,6 | 13 | 33 | 3 bis 2,6 | 3 bis 6 | 3 bis 4,5 | 6° bis 60° | 17 | 2 | 3,3 | 1,3 | 19,3 | 6,7 | 1,2 | 0,15 |
| 04 | 40 | 30 | 18,5 | 54 | 47 | 20 | 19 | 41 | 3 bis 3,1 | 3 bis 6 | 3 bis 5 | 6° bis 60° | 20 | 2 | 3,3 | 1,3 | 22,8 | 7 | 1,6 | 0,15 |
| 05 | 50 | 38 | 25,5 | 65 | 58 | 27,2 | 26 | 51 | 3 bis 3,1 | 3 bis 6,5 | 3 bis 5,5 | 6° bis 60° | 22 | 2 | 3,5 | 1,5 | 25,2 | 8 | 1,6 | 0,2 |
* Größe 02 ist ein Rundflansch.

[Abmessungen]
112-□-12

| Größe | Abmessungen radiale Richtung | Abmessungen axiale Richtung | ||||||||||||
|---|---|---|---|---|---|---|---|---|---|---|---|---|---|---|
| A1 | C1 | C2 | C3 | C4 | S | H | K | J1 | J2 | L | P | U | a | |
| 02 | 28 | 39 | 33,5 | 11,4 | 11 | - | 13,7 | 1,5 | 2,6 | 1,3 | 18,1 | 5 | 7 | 0,1 |
| 03 | 32 | 45 | 38 | 13,6 | 13 | 33 | 17 | 2 | 3,3 | 1,3 | 21,3 | 6,7 | 10 | 0,15 |
| 04 | 40 | 54 | 47 | 20 | 19 | 41 | 20 | 2 | 3,3 | 1,3 | 25,5 | 7 | 12 | 0,15 |
| 05 | 50 | 65 | 58 | 27,2 | 26 | 51 | 22 | 2 | 3,5 | 1,5 | 28,2 | 8 | 12 | 0,2 |
* Größe 02 ist ein Rundflansch.
* Die Ankernabe der Größe 02 hat keine Keilnut. Arretieren Sie sie, indem Sie sie in ihre Position auf der Welle o.ä. hineindrücken.
| Größe | Bohrlochabmessungen Welle | ||||
|---|---|---|---|---|---|
| d H7 | Modelle, die die neuen JIS-Standards erfüllen | Modelle, die die alten JIS-Standards erfüllen | |||
| b P9 | t | b P9 | t | ||
| 02 | 5 | - | - | - | - |
| 03 | 6 | 2-0,006-0,031 | 0,8+0,30 | - | - |
| 04 | 8 | 2-0,006-0,031 | 0,8+0,30 | - | - |
| 10 | 3-0,006-0,031 | 1,2+0,30 | 4+0,050+0,020 | 1,5+0,50 | |
| 05 | 10 | 3-0,006-0,031 | 1,2+0,30 | 4+0,050+0,020 | 1,5+0,50 |
| 15 | 5-0,012-0,042 | 2+0,50 | 5+0,050+0,020 | 2+0,50 | |

[Abmessungen]
112-□-11

| Größe | Abmessungen radiale Richtung | Abmessungen axiale Richtung | ||||||||||||||||
|---|---|---|---|---|---|---|---|---|---|---|---|---|---|---|---|---|---|---|
| A1 | A2 | C1 | C2 | C3 | C4 | S | m | H | K | J1 | J2 | L1 | L2 | P | U | T | a | |
| 02 | 28 | 9,5 | 39 | 33,5 | 11,4 | 11 | - | M3 | 13,7 | 1,5 | 2,6 | 1,3 | 23,1 | 18,1 | 5 | 7 | 2,5 | 0,1 |
| 03 | 32 | 12 | 45 | 38 | 13,6 | 13 | 33 | 2-M3 | 17 | 2 | 3,3 | 1,3 | 29,3 | 21,3 | 6,7 | 10 | 4 | 0,15 |
| 04 | 40 | 17 | 54 | 47 | 20 | 19 | 41 | 2-M3 | 20 | 2 | 3,3 | 1,3 | 34,8 | 25,5 | 7 | 12 | 5 | 0,15 |
| 05 | 50 | 24 | 65 | 58 | 27,2 | 26 | 51 | 2-M4 | 22 | 2 | 3,5 | 1,5 | 37,2 | 28,2 | 8 | 12 | 5 | 0,2 |
* Größe 02 ist ein Rundflansch.
| Größe | Bohrlochabmessungen Welle | ||||
|---|---|---|---|---|---|
| d H7 | Modelle, die die neuen JIS-Standards erfüllen | Modelle, die die alten JIS-Standards erfüllen | |||
| b P9 | t | b P9 | t | ||
| 02 | 5 | - | - | - | - |
| 03 | 6 | 2-0,006-0,031 | 0,8+0,30 | - | - |
| 04 | 8 | 2-0,006-0,031 | 0,8+0,30 | - | - |
| 10 | 3-0,006-0,031 | 1,2+0,30 | 4+0,050+0,020 | 1,5+0,50 | |
| 05 | 10 | 3-0,006-0,031 | 1,2+0,30 | 4+0,050+0,020 | 1,5+0,50 |
| 15 | 5-0,012-0,042 | 2+0,50 | 5+0,050+0,020 | 2+0,50 | |
