![]()
ETP-E Plus (N) Types
[Specifications]
| Model | Shaft tol. | Rated torque [N・m] | Rated thrust [N] | Rated radial load [N] | Shaft contact pressure [N/mm2] | Hub contact pressure [N/mm2] | Tightening torque [N・m] | Moment of inertia [kg ・m2] | Mass[kg] | |
|---|---|---|---|---|---|---|---|---|---|---|
| h7 | k6(j6) | |||||||||
| ETP-E-015-N | ● | 46 | 5100 | 500 | 90 | 70 | 7 | 0.042 × 10-3 | 0.16 | |
| ETP-E-019-N | ● | ○ | 85 | 7300 | 1000 | 90 | 70 | 7 | 0.063 × 10-3 | 0.20 |
| ETP-E-020-N | ● | 110 | 9100 | 1000 | 90 | 70 | 7 | 0.069 × 10-3 | 0.21 | |
| ETP-E-022-N | ● | ○ | 130 | 9600 | 1200 | 90 | 70 | 7 | 0.095 × 10-3 | 0.25 |
| ETP-E-024-N | ● | ○ | 190 | 13000 | 1400 | 90 | 70 | 7 | 0.109 × 10-3 | 0.26 |
| ETP-E-025-N | ● | 230 | 15000 | 1500 | 90 | 70 | 7 | 0.114 × 10-3 | 0.27 | |
| ETP-E-028-N | ● | ○ | 280 | 16000 | 1800 | 90 | 70 | 7 | 0.166 × 10-3 | 0.33 |
| ETP-E-030-N | ● | 380 | 21000 | 2000 | 90 | 70 | 7 | 0.185 × 10-3 | 0.35 | |
| ETP-E-032-N | ● | ○ | 440 | 22000 | 2200 | 90 | 70 | 7 | 0.244 × 10-3 | 0.41 |
| ETP-E-035-N | ● | ○ | 640 | 30000 | 2500 | 90 | 70 | 7 | 0.317 × 10-3 | 0.47 |
| ETP-E-038-N | ● | ○ | 890 | 38000 | 2800 | 90 | 70 | 24 | 0.756 × 10-3 | 0.83 |
| ETP-E-040-N | ● | 1100 | 45000 | 3000 | 90 | 70 | 24 | 0.836 × 10-3 | 0.88 | |
| ETP-E-042-N | ● | ○ | 1100 | 43000 | 3200 | 90 | 70 | 24 | 0.959 × 10-3 | 0.95 |
| ETP-E-045-N | ● | 1400 | 51000 | 3500 | 90 | 70 | 24 | 1.152 × 10-3 | 1.03 | |
| ETP-E-048-N | ● | ○ | 1700 | 57000 | 4000 | 90 | 70 | 24 | 1.430 × 10-3 | 1.09 |
| ETP-E-050-N | ● | 1900 | 63000 | 4500 | 90 | 70 | 24 | 1.497 × 10-3 | 1.18 | |
| ETP-E-055-N | ● | ○ | 2400 | 71000 | 5000 | 90 | 70 | 24 | 2.130 × 10-3 | 1.46 |
| ETP-E-060-N | ● | 3300 | 90000 | 5300 | 90 | 70 | 24 | 3.089 × 10-3 | 1.79 | |
| ETP-E-070-N | ● | 5600 | 130000 | 6400 | 90 | 70 | 40 | 6.951×10-3 | 2.93 | |
| ETP-E-080-N | ● | 8700 | 180000 | 7500 | 90 | 70 | 40 | 10.02×10-3 | 3.58 | |
| ETP-E-090-N | ● | 12000 | 230000 | 8600 | 90 | 70 | 40 | 14.84×10-3 | 4.54 | |
| ETP-E-100-N | ● | 17000 | 280000 | 9700 | 90 | 70 | 40 | 21.00×10-3 | 5.51 | |
*The ● mark is a standard specification and supports shaft tolerance h7 (g6 · h6), and the sizes marked with ○ can support shaft tolerance k6 (j6) as an option.
*ETP-E-035-NK (compatible with k6(j6) tolerance) is also compatible with mating shaft tolerance 0 to +0.010.
*The rated torque values are those when the thrust is zero and the rated thrust values are those when the torque is zero.
*The rated torque, rated thrust, shaft contact pressure, and hub contact pressure values given are measured values at a temperature of 20℃ .
*ETP-E-070-N to 100-N is a built-to-order product.
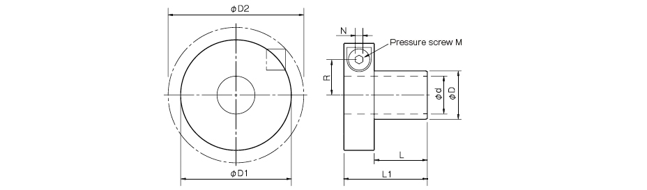
[Dimensions]

| Model | d | D | D1 | D2 | L | L1 | R | N | M |
|---|---|---|---|---|---|---|---|---|---|
| ETP-E-015-N | 15 | 18 | 46 | 50 | 23 | 37 | 15.1 | 5 | 1-M10 |
| ETP-E-019-N | 19 | 23 | 50.5 | 55 | 25 | 39 | 17.4 | 5 | 1-M10 |
| ETP-E-020-N | 20 | 24 | 51.5 | 56 | 27 | 41 | 18 | 5 | 1-M10 |
| ETP-E-022-N | 22 | 27 | 55.5 | 61 | 29 | 43 | 19.3 | 5 | 1-M10 |
| ETP-E-024-N | 24 | 29 | 57.5 | 63 | 30 | 44 | 20.3 | 5 | 1-M10 |
| ETP-E-025-N | 25 | 30 | 58 | 63 | 32 | 46 | 20.8 | 5 | 1-M10 |
| ETP-E-028-N | 28 | 34 | 63 | 70 | 34 | 48 | 22.6 | 5 | 1-M10 |
| ETP-E-030-N | 30 | 36 | 64.5 | 71 | 36 | 50 | 23.6 | 5 | 1-M10 |
| ETP-E-032-N | 32 | 39 | 68.5 | 78 | 38 | 52 | 24.8 | 5 | 1-M10 |
| ETP-E-035-N | 35 | 42 | 73 | 86 | 41 | 55 | 26.4 | 5 | 1-M10 |
| ETP-E-038-N | 38 | 46 | 84.5 | 92.5 | 47 | 67 | 31 | 8 | 1-M16 |
| ETP-E-040-N | 40 | 48 | 86.5 | 94 | 50 | 70 | 32 | 8 | 1-M16 |
| ETP-E-042-N | 42 | 51 | 89 | 96.5 | 50 | 70 | 33.2 | 8 | 1-M16 |
| ETP-E-045-N | 45 | 54 | 93 | 101 | 52 | 72 | 34.8 | 8 | 1-M16 |
| ETP-E-048-N | 48 | 59 | 97 | 104 | 53 | 73 | 36.8 | 8 | 1-M16 |
| ETP-E-050-N | 50 | 60 | 98.5 | 106 | 54 | 74 | 37.5 | 8 | 1-M16 |
| ETP-E-055-N | 55 | 67 | 106 | 116 | 59 | 79 | 40.5 | 8 | 1-M16 |
| ETP-E-060-N | 60 | 73 | 115.5 | 123.5 | 63 | 83 | 43.3 | 8 | 1-M16 |
| ETP-E-070-N | 70 | 85 | 135.5 | 150 | 77 | 101 | 50.8 | 10 | 1-M20 |
| ETP-E-080-N | 80 | 97 | 145.5 | 160 | 86 | 110 | 56.3 | 10 | 1-M20 |
| ETP-E-090-N | 90 | 109 | 155.5 | 169 | 95 | 119 | 61.8 | 10 | 1-M20 |
| ETP-E-100-N | 100 | 121 | 166 | 180 | 104 | 128 | 67.3 | 10 | 1-M20 |
*Dimension φD2 is that before tightening the ETP-EXPRESS.
*The nominal diameter of the pressure screw M is equal to the quantity minus the nominal diameter of the screw threads.

ETP-E Plus (C) Types(Easy rustproofing method)*Manufactured upon receipt of orders
[Specifications]
| Model | Shaft tol. | Rated torque [N・m] | Rated thrust [N] | Rated radial load [N] | Shaft contact pressure [N/mm2] | Hub contact pressure [N/mm2] | Tightening torque [N・m] | Moment of inertia [kg ・m2] | Mass[kg] | |
|---|---|---|---|---|---|---|---|---|---|---|
| h7 | k6(j6) | |||||||||
| ETP-E-015-C | ● | 34 | 3800 | 500 | 90 | 70 | 7 | 0.042 × 10-3 | 0.16 | |
| ETP-E-019-C | ● | ○ | 63 | 5400 | 1000 | 90 | 70 | 7 | 0.063 × 10-3 | 0.20 |
| ETP-E-020-C | ● | 82 | 6800 | 1000 | 90 | 70 | 7 | 0.069 × 10-3 | 0.21 | |
| ETP-E-022-C | ● | ○ | 97 | 7200 | 1200 | 90 | 70 | 7 | 0.095 × 10-3 | 0.25 |
| ETP-E-024-C | ● | ○ | 142 | 9700 | 1400 | 90 | 70 | 7 | 0.109 × 10-3 | 0.26 |
| ETP-E-025-C | ● | 172 | 11200 | 1500 | 90 | 70 | 7 | 0.114 × 10-3 | 0.27 | |
| ETP-E-028-C | ● | ○ | 210 | 12000 | 1800 | 90 | 70 | 7 | 0.166 × 10-3 | 0.33 |
| ETP-E-030-C | ● | 285 | 15000 | 2000 | 90 | 70 | 7 | 0.185 × 10-3 | 0.35 | |
| ETP-E-032-C | ● | ○ | 330 | 16000 | 2200 | 90 | 70 | 7 | 0.244 × 10-3 | 0.41 |
| ETP-E-035-C | ● | ○ | 480 | 22000 | 2500 | 90 | 70 | 7 | 0.317 × 10-3 | 0.47 |
| ETP-E-038-C | ● | ○ | 667 | 28000 | 2800 | 90 | 70 | 24 | 0.756 × 10-3 | 0.83 |
| ETP-E-040-C | ● | 825 | 33000 | 3000 | 90 | 70 | 24 | 0.836 × 10-3 | 0.88 | |
| ETP-E-042-C | ● | ○ | 825 | 32000 | 3200 | 90 | 70 | 24 | 0.959 × 10-3 | 0.95 |
| ETP-E-045-C | ● | 1050 | 38000 | 3500 | 90 | 70 | 24 | 1.152 × 10-3 | 1.03 | |
| ETP-E-048-C | ● | ○ | 1275 | 42000 | 4000 | 90 | 70 | 24 | 1.430 × 10-3 | 1.09 |
| ETP-E-050-C | ● | 1425 | 47000 | 4500 | 90 | 70 | 24 | 1.497 × 10-3 | 1.18 | |
| ETP-E-055-C | ● | ○ | 1800 | 53000 | 5000 | 90 | 70 | 24 | 2.130 × 10-3 | 1.46 |
| ETP-E-060-C | ● | 2475 | 67000 | 5300 | 90 | 70 | 24 | 3.089 × 10-3 | 1.79 | |
*The ● mark is a standard specification and supports shaft tolerance h7 (g6 · h6), and the sizes marked with ○ can support shaft tolerance k6 (j6) as an option.
*ETP-E-035-CK (compatible with k6(j6) tolerance) is also compatible with mating shaft tolerance 0 to +0.010.
*The rated torque values are those when the thrust is zero and the rated thrust values are those when the torque is zero.
*The rated torque, rated thrust, shaft contact pressure, and hub contact pressure values given are measured values at a temperature of 20℃ .
[Dimensions]

| Model | d | D | D1 | D2 | L | L1 | R | N | M |
|---|---|---|---|---|---|---|---|---|---|
| ETP-E-015-C | 15 | 18 | 46 | 49 | 23 | 37 | 15.1 | 5 | 1-M10 |
| ETP-E-019-C | 19 | 23 | 50.5 | 53 | 25 | 39 | 17.4 | 5 | 1-M10 |
| ETP-E-020-C | 20 | 24 | 51.5 | 55 | 27 | 41 | 18 | 5 | 1-M10 |
| ETP-E-022-C | 22 | 27 | 55.5 | 61 | 29 | 43 | 19.3 | 5 | 1-M10 |
| ETP-E-024-C | 24 | 29 | 57.5 | 63 | 30 | 44 | 20.3 | 5 | 1-M10 |
| ETP-E-025-C | 25 | 30 | 58 | 63 | 32 | 46 | 20.8 | 5 | 1-M10 |
| ETP-E-028-C | 28 | 34 | 63 | 70 | 34 | 48 | 22.6 | 5 | 1-M10 |
| ETP-E-030-C | 30 | 36 | 64.5 | 71 | 36 | 50 | 23.6 | 5 | 1-M10 |
| ETP-E-032-C | 32 | 39 | 68.5 | 78 | 38 | 52 | 24.8 | 5 | 1-M10 |
| ETP-E-035-C | 35 | 42 | 73 | 86 | 41 | 55 | 26.4 | 5 | 1-M10 |
| ETP-E-038-C | 38 | 46 | 84.5 | 90 | 47 | 67 | 31 | 8 | 1-M16 |
| ETP-E-040-C | 40 | 48 | 86.5 | 92 | 50 | 70 | 32 | 8 | 1-M16 |
| ETP-E-042-C | 42 | 51 | 89 | 94 | 50 | 70 | 33.2 | 8 | 1-M16 |
| ETP-E-045-C | 45 | 54 | 93 | 101 | 52 | 72 | 34.8 | 8 | 1-M16 |
| ETP-E-048-C | 48 | 59 | 97 | 104 | 53 | 73 | 36.8 | 8 | 1-M16 |
| ETP-E-050-C | 50 | 60 | 98.5 | 106 | 54 | 74 | 37.5 | 8 | 1-M16 |
| ETP-E-055-C | 55 | 67 | 106 | 116 | 59 | 79 | 40.5 | 8 | 1-M16 |
| ETP-E-060-C | 60 | 73 | 115.5 | 133 | 63 | 83 | 43.3 | 8 | 1-M16 |
*Dimension φD2 is that before tightening the ETP-EXPRESS.
*The nominal diameter of the pressure screw M is equal to the quantity minus the nominal diameter of the screw threads.

ETP-E Plus (R) Types(Stainless)
[Specifications]
| Model | Shaft tol. | Rated torque [N・m] | Rated thrust [N] | Rated radial load [N] | Shaft contact pressure [N/mm2] | Hub contact pressure [N/mm2] | Tightening torque [N・m] | Moment of inertia [kg ・m2] | Mass[kg] | |
|---|---|---|---|---|---|---|---|---|---|---|
| h7 | k6 | |||||||||
| ETP-E-015-R | ● | 46 | 5100 | 500 | 90 | 70 | 7 | 0.042×10-3 | 0.16 | |
| ETP-E-020-R | ● | 110 | 9100 | 1000 | 90 | 70 | 7 | 0.068×10-3 | 0.21 | |
| ETP-E-025-R | ● | 230 | 15000 | 1500 | 90 | 70 | 7 | 0.113×10-3 | 0.27 | |
| ETP-E-030-R | ● | 380 | 21000 | 2000 | 90 | 70 | 7 | 0.184×10-3 | 0.35 | |
| ETP-E-035-R | ● | 640 | 30000 | 2500 | 90 | 70 | 7 | 0.315×10-3 | 0.47 | |
| ETP-E-040-R | ● | 1100 | 45000 | 3000 | 90 | 70 | 24 | 0.826×10-3 | 0.87 | |
| ETP-E-045-R | ● | 1400 | 51000 | 3500 | 90 | 70 | 24 | 1.140×10-3 | 1.03 | |
| ETP-E-050-R | ● | 1900 | 63000 | 4500 | 90 | 70 | 24 | 1.480×10-3 | 1.18 | |
| ETP-E-060-R | ● | 3300 | 90000 | 5300 | 90 | 70 | 24 | 3.065×10-3 | 1.79 | |
*Only size with shaft h7(g6・h6) are supported.
*The rated torque values are those when the thrust is zero and the rated thrust values are those when the torque is zero.
*The rated torque, rated thrust, shaft contact pressure, and hub contact pressure values given are measured values at a temperature of 20℃ .
[Dimensions]

| Model | d | D | D1 | D2 | L | L1 | R | N | M | r | V[°] |
|---|---|---|---|---|---|---|---|---|---|---|---|
| ETP-E-015-R | 15 | 18 | 46 | 50 | 23 | 37 | 15.1 | 5 | 1-M10 | 20 | 59 |
| ETP-E-020-R | 20 | 24 | 51.5 | 56 | 27 | 41 | 18 | 5 | 1-M10 | 22.5 | 61.5 |
| ETP-E-025-R | 25 | 30 | 58 | 63 | 32 | 46 | 20.8 | 5 | 1-M10 | 25.3 | 62 |
| ETP-E-030-R | 30 | 36 | 64.5 | 71 | 36 | 50 | 23.6 | 5 | 1-M10 | 28.9 | 63 |
| ETP-E-035-R | 35 | 42 | 73 | 86 | 41 | 55 | 26.4 | 5 | 1-M10 | 33.1 | 60.5 |
| ETP-E-040-R | 40 | 48 | 86.5 | 94 | 50 | 70 | 32 | 8 | 1-M16 | 37.5 | 59.5 |
| ETP-E-045-R | 45 | 54 | 93 | 101 | 52 | 72 | 34.8 | 8 | 1-M16 | 40.8 | 59.5 |
| ETP-E-050-R | 50 | 60 | 98.5 | 106 | 54 | 74 | 37.5 | 8 | 1-M16 | 43.3 | 60.5 |
| ETP-E-060-R | 60 | 73 | 115.5 | 123.5 | 63 | 83 | 43.3 | 8 | 1-M16 | 51.9 | 59 |
*Dimension φD2 is that before tightening the ETP-EXPRESS.
*The nominal diameter of the pressure screw M is equal to the quantity minus the nominal diameter of the screw threads.
