![]()
ESL Models
[Specifications]
| Model | Operating load range [N] Z-direction | Max. allowable load [N] | Natural frequency [Hz] | Mass [kg] | |
|---|---|---|---|---|---|
| X-direction | Y-direction | ||||
| ESL-15 | 200-550 | 110 | 1100 | 5.8~8.2 | 0.4 |
| ESL-18 | 450-1250 | 250 | 2500 | 5.0~7.5 | 0.6 |
| ESL-27 | 700-2000 | 400 | 4000 | 4.5~6.2 | 1.3 |
| ESL-38 | 1300-3800 | 760 | 7600 | 4.0~5.5 | 3.4 |
| ESL-45 | 2200-6000 | 1200 | 12000 | 3.5~5.0 | 5.3 |
*ESL-38 and -45 are made to order.
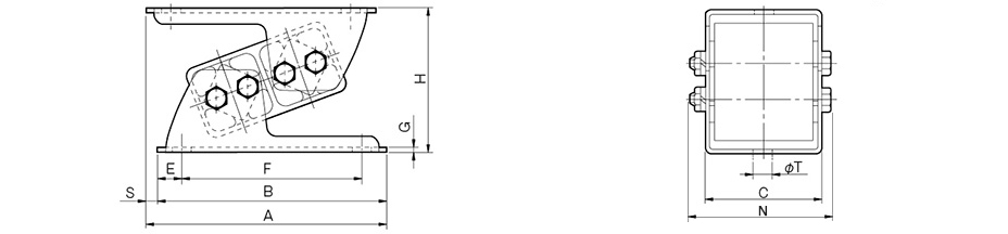
[Dimensions]

| Model | H under no load | H under max. load | A | B | C | E | F | G | S | T | M |
|---|---|---|---|---|---|---|---|---|---|---|---|
| ESL-15 | 54 | 43 | 91 | 85 | 49 | 10 | 65 | 2 | 5.5 | 7 | 58.5 |
| ESL-18 | 65 | 51 | 111 | 105 | 60 | 12.5 | 80 | 2.5 | 5.5 | 9.5 | 69 |
| ESL-27 | 88 | 68 | 148 | 140 | 71 | 15 | 110 | 3 | 8 | 11.5 | 85.3 |
| ESL-38 | 117 | 91 | 182 | 175 | 98 | 17.5 | 140 | 4 | 7 | 14 | 117 |
| ESL-45 | 143 | 110 | 235 | 220 | 120 | 25 | 170 | 5 | 15 | 18 | 138 |
