DSR・DSCRモデル

![]()
DSRモデル
【仕様】
※正逆回転使用時は、常用トルク値が1/2になります。
※最高回転速度は動バランスを考慮しておりません。
※慣性モーメントおよび質量は、最大穴径時の値となります。
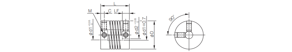
【寸法】
DSR

| 型式 | 最大穴径 | D | L | LF | C | M | 締め付けトルク[N・m] |
|---|---|---|---|---|---|---|---|
| DSR-075 | 6.35 | 19.1 | 19.1 | 4.6 | 2.4 | M3 | 0.7 |
| DSR-100 | 10 | 25.4 | 25.4 | 6.6 | 3.8 | M5 | 3.6 |
| DSR-112 | 12.7 | 28.6 | 28.6 | 7 | 3.6 | M5 | 3.6 |
| DSR-150 | 15 | 38.1 | 38.1 | 10 | 5 | M6 | 6.0 |
| DSR-200 | 19 | 50.8 | 50.8 | 13.6 | 7 | M6 | 6.0 |
【標準穴径】
| 型式 | 標準穴径[mm] | ||||||||||||||||||||||||||||||||
|---|---|---|---|---|---|---|---|---|---|---|---|---|---|---|---|---|---|---|---|---|---|---|---|---|---|---|---|---|---|---|---|---|---|
| d1 | 4 | 5 | 5 | 6 | 6 | 6 | 6.35 | 6.35 | 6.35 | 7 | 8 | 8 | 8 | 9.5 | 9.525 | 9.525 | 10 | 10 | 10 | 10 | 11 | 11 | 12 | 12 | 12 | 12 | 14 | 14 | 14 | 15 | 16 | 16 | |
| d2 | 4 | 4 | 5 | 4 | 5 | 6 | 5 | 6 | 6.35 | 7 | 6 | 6.35 | 8 | 8 | 8 | 9.525 | 8 | 9.5 | 9.525 | 10 | 10 | 11 | 9.5 | 10 | 11 | 12 | 10 | 12 | 14 | 15 | 14 | 16 | |
| DSR-075 | ● | ● | ● | ● | ● | ● | ● | ● | ● | ||||||||||||||||||||||||
| DSR-100 | ● | ● | ● | ● | ● | ● | ● | ● | ● | ● | ● | ● | ● | ||||||||||||||||||||
| DSR-112 | ● | ● | ● | ● | ● | ● | ● | ● | ● | ● | ● | ● | ● | ||||||||||||||||||||
| DSR-150 | ● | ● | ● | ● | ● | ● | ● | ● | |||||||||||||||||||||||||
| DSR-200 | ● | ● | ● | ● | ● | ||||||||||||||||||||||||||||
DSCRモデル
【仕様】
※正逆回転使用時は、常用トルク値が1/2になります。
※最高回転速度は動バランスを考慮しておりません。
※慣性モーメントおよび質量は、最大穴径時の値となります。
【寸法】
DSCR

| 型式 | 最大穴径 | D | L | LF | A | C | M | 締め付けトルク[N・m] |
|---|---|---|---|---|---|---|---|---|
| DSCR-075 | 6.35 | 19.1 | 22.9 | 6.4 | 5.6 | 3.1 | M2.5 | 1.0 |
| DSCR-100 | 10 | 25.4 | 31.8 | 7.9 | 7.9 | 3.8 | M3 | 1.5 |
| DSCR-112 | 12.7 | 28.6 | 38.1 | 11.4 | 9.5 | 3.8 | M3 | 1.5 |
| DSCR-150 | 15 | 38.1 | 41.3 | 12 | 11.6 | 5.9 | M5 | 7.0 |
| DSCR-200 | 19 | 50.8 | 50.8 | 13.6 | 16.7 | 6.7 | M6 | 11.7 |
※相手取り付け軸の寸法許容差はh7級となります。
【標準穴径】
| 型式 | 標準穴径[mm] | ||||||||||||||||||||||||||||||||
|---|---|---|---|---|---|---|---|---|---|---|---|---|---|---|---|---|---|---|---|---|---|---|---|---|---|---|---|---|---|---|---|---|---|
| d1 | 4 | 5 | 5 | 6 | 6 | 6 | 6.35 | 6.35 | 6.35 | 7 | 8 | 8 | 8 | 9.5 | 9.525 | 9.525 | 10 | 10 | 10 | 10 | 11 | 11 | 12 | 12 | 12 | 12 | 14 | 14 | 14 | 15 | 16 | 16 | |
| d2 | 4 | 4 | 5 | 4 | 5 | 6 | 5 | 6 | 6.35 | 7 | 6 | 6.35 | 8 | 8 | 8 | 9.525 | 8 | 9.5 | 9.525 | 10 | 10 | 11 | 9.5 | 10 | 11 | 12 | 10 | 12 | 14 | 15 | 14 | 16 | |
| DSCR-075 | ● | ● | ● | ● | ● | ● | ● | ● | ● | ||||||||||||||||||||||||
| DSCR-100 | ● | ● | ● | ● | ● | ● | ● | ● | ● | ● | ● | ● | ● | ||||||||||||||||||||
| DSCR-112 | ● | ● | ● | ● | ● | ● | ● | ● | ● | ● | ● | ● | ● | ||||||||||||||||||||
| DSCR-150 | ● | ● | ● | ● | ● | ● | ● | ● | |||||||||||||||||||||||||
| DSCR-200 | ● | ● | ● | ● | ● | ||||||||||||||||||||||||||||

三木プーリのヘリカル (金属スリットカップリング) DSR・DSCRモデルの製品詳細ページです。
DSR・DSCRモデルの構造、材質、型式ごとの詳細な仕様、寸法がご覧頂けます他、
カタログ・2DCAD・3DCAD・取扱説明書などのダウンロードが可能です。