cp_sf_sff_ma.pdf

![]()
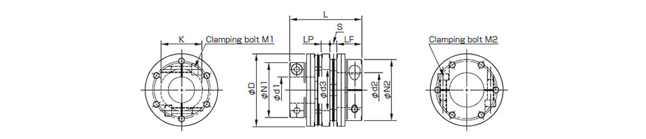
SFF-□SS (Clamping)
[Specifications]
| Model | Rated torque [N・m] | Misalignment | Max. rotation speed [min-1] | Torsional stiffness [N・m/rad] | Axial stiffness [N/mm] | Moment of inertia [kg・m2] | Mass [kg] | ||
|---|---|---|---|---|---|---|---|---|---|
| Parallel [mm] | Angular [°] | Axial [mm] | |||||||
| SFF-040SS-□B-□B-8N | 8 | 0.02 | 1 | ±0.2 | 18000 | 15000 | 174 | 0.03×10-3 | 0.17 |
| SFF-040SS-□B-□B-12N | 12 | 0.02 | 1 | ±0.2 | 18000 | 15000 | 174 | 0.03×10-3 | 0.17 |
| SFF-050SS-□B-□B-25N | 25 | 0.02 | 1 | ±0.3 | 18000 | 32000 | 145 | 0.10×10-3 | 0.36 |
| SFF-060SS-□B-□B-60N | 60 | 0.02 | 1 | ±0.3 | 18000 | 104000 | 399 | 0.22×10-3 | 0.52 |
| SFF-060SS-□B-□B-80N | 80 | 0.02 | 1 | ±0.3 | 18000 | 104000 | 399 | 0.23×10-3 | 0.49 |
| SFF-070SS-□B-□B-90N | 90 | 0.02 | 1 | ±0.5 | 18000 | 240000 | 484 | 0.40×10-3 | 0.72 |
| SFF-070SS-□B-□B-100N | 100 | 0.02 | 1 | ±0.5 | 18000 | 240000 | 484 | 0.42×10-3 | 0.67 |
| SFF-080SS-□B-□B-150N | 150 | 0.02 | 1 | ±0.5 | 17000 | 120000 | 96 | 0.79×10-3 | 1.04 |
| SFF-080SS-□B-□B-200N | 200 | 0.02 | 1 | ±0.5 | 17000 | 310000 | 546 | 1.25×10-3 | 1.40 |
| SFF-090SS-□B-□B-250N | 250 | 0.02 | 1 | ±0.6 | 15000 | 520000 | 321 | 1.54×10-3 | 1.62 |
| SFF-090SS-□B-□B-300N | 300 | 0.02 | 1 | ±0.6 | 15000 | 520000 | 321 | 1.58×10-3 | 1.53 |
| SFF-100SS-□B-□B-450N | 450 | 0.02 | 1 | ±0.65 | 13000 | 740000 | 540 | 3.27×10-3 | 2.53 |
| SFF-120SS-□B-□B-600N | 600 | 0.02 | 1 | ±0.8 | 11000 | 970000 | 360 | 6.90×10-3 | 3.78 |
* Max. rotation speed does not take into account dynamic balance.
* Torsional stiffness values given are measured values for the element alone.
* The moment of inertia and mass are measured for the maximum bore diameter.
[Dimensions]

| Model | d1 [mm] | d2 [mm] | D [mm] | L [mm] | N1・N2 [mm] | LF [mm] | S [mm] | K [mm] | M1・M2 Qty - Nominal dia. | M1・M2 Tightening torque [N・m] |
|---|---|---|---|---|---|---|---|---|---|---|
| SFF-040SS-□B-□B-8N | 8・9・9.525 | 8・9・9.525・10・11・12・14・15・16 | 38 | 38.9 | 33 | 17.5 | 3.9 | 17 | 2-M4 | 3.4 |
| SFF-040SS-□B-□B-12N | 10・11・12・14・15・16 | 10・11・12・14・15・16 | 38 | 38.9 | 33 | 17.5 | 3.9 | 17 | 2-M4 | 3.4 |
| SFF-050SS-□B-□B-25N | 10・11・12・14・15・16・17・18・19 | 10・11・12・14・15・16・17・18・19 | 48 | 48.4 | 42 | 21.5 | 5.4 | 20 | 2-M5 | 7 |
| SFF-060SS-□B-□B-60N | 12・14・15・16・17・18・19 | 12・14・15・16・17・18・19・20・22 | 58 | 53.4 | 44 | 24 | 5.4 | 32 | 2-M6 | 14 |
| - | 24・25・28 | 58 | 53.4 | 48 | 24 | 5.4 | 32 | 2-M5 | 7 | |
| - | 30 | 58 | 53.4 | 52 | 24 | 5.4 | 32 | 2-M5 | 7 | |
| SFF-060SS-□B-□B-80N | 20・22 | 20・22 | 58 | 53.4 | 44 | 24 | 5.4 | 32 | 2-M6 | 14 |
| 24・25・28 | 24・25・28 | 58 | 53.4 | 48 | 24 | 5.4 | 32 | 2-M5 | 7 | |
| 30 | 30 | 58 | 53.4 | 52 | 24 | 5.4 | 32 | 2-M5 | 7 | |
| SFF-070SS-□B-□B-90N | 18・19 | 18・19・20・22・24・25 | 68 | 55.9 | 47 | 25 | 5.9 | 38 | 2-M6 | 14 |
| - | 28・30・32・35 | 68 | 55.9 | 56 | 25 | 5.9 | 38 | 2-M6 | 14 | |
| SFF-070SS-□B-□B-100N | 20・22・24・25 | 20・22・24・25 | 68 | 55.9 | 47 | 25 | 5.9 | 38 | 2-M6 | 14 |
| 28・30・32・35 | 28・30・32・35 | 68 | 55.9 | 56 | 25 | 5.9 | 38 | 2-M6 | 14 | |
| SFF-080SS-□B-□B-150N | 22・24・25 | 22・24・25 | 78 | 68.3 | 53 | 30 | 8.3 | 37 | 2-M8 | 34 |
| 28・30・32・35 | 28・30・32・35 | 78 | 68.3 | 56 | 30 | 8.3 | 37 | 2-M6 | 14 | |
| SFF-080SS-□B-□B-200N | 22・24・25 | 22・24・25 | 78 | 67.7 | 53 | 30 | 7.7 | 42 | 2-M8 | 34 |
| 28・30・32・35 | 28・30・32・35 | 78 | 67.7 | 70 | 30 | 7.7 | 42 | 2-M8 | 34 | |
| 38 | 38 | 78 | 67.7 | 74 | 30 | 7.7 | 42 | 2-M8 | 34 | |
| SFF-090SS-□B-□B-250N | 25・28 | 25・28・30・32 | 88 | 68.3 | 66 | 30 | 8.3 | 50 | 2-M8 | 34 |
| - | 35・38・40・42 | 88 | 68.3 | 74 | 30 | 8.3 | 50 | 2-M8 | 34 | |
| SFF-090SS-□B-□B-300N | 30・32 | 30・32 | 88 | 68.3 | 66 | 30 | 8.3 | 50 | 2-M8 | 34 |
| 35・38・40・42 | 35・38・40・42 | 88 | 68.3 | 74 | 30 | 8.3 | 50 | 2-M8 | 34 | |
| SFF-100SS-□B-□B-450N | 32・35・38・40・42・45・48 | 32・35・38・40・42・45・48 | 98 | 90.2 | 84 | 40 | 10.2 | 56 | 2-M10 | 68 |
| SFF-120SS-□B-□B-600N | 32・35・38・40・42・45 | 32・35・38・40・42・45 | 118 | 90.2 | 84 | 40 | 10.2 | 68 | 2-M10 | 68 |
| 48・50・55 | 48・50・55 | 118 | 90.2 | 100 | 40 | 10.2 | 68 | 2-M10 | 68 |
* Nominal diameter of clamping bolt M1/M2 is given as number of bolts - nominal diameter, and the number is the number for one hub.
[Standard bore diameter]
| Model | Standard bore diameter d1・d2[mm] | |||||||||||||||||||||||||||
|---|---|---|---|---|---|---|---|---|---|---|---|---|---|---|---|---|---|---|---|---|---|---|---|---|---|---|---|---|
| Nominal diameter | 8 | 9 | 9.525 | 10 | 11 | 12 | 14 | 15 | 16 | 17 | 18 | 19 | 20 | 22 | 24 | 25 | 28 | 30 | 32 | 35 | 38 | 40 | 42 | 45 | 48 | 50 | 55 | |
| SFF-040SS-□B-□B-8N | d1 | ● | ● | ● | ||||||||||||||||||||||||
| d2 | ● | ● | ● | ● | ● | ● | ● | ● | ● | |||||||||||||||||||
| SFF-040SS-□B-□B-12N | d1 | ● | ● | ● | ● | ● | ● | |||||||||||||||||||||
| d2 | ● | ● | ● | ● | ● | ● | ||||||||||||||||||||||
| SFF-050SS-□B-□B-25N | d1 | ● | ● | ● | ● | ● | ● | ● | ● | ● | ||||||||||||||||||
| d2 | ● | ● | ● | ● | ● | ● | ● | ● | ● | |||||||||||||||||||
| SFF-060SS-□B-□B-60N | d1 | ● | ● | ● | ● | ● | ● | ● | ||||||||||||||||||||
| d2 | ● | ● | ● | ● | ● | ● | ● | ● | ● | ● | ● | ● | ● | |||||||||||||||
| SFF-060SS-□B-□B-80N | d1 | ● | ● | ● | ● | ● | ● | |||||||||||||||||||||
| d2 | ● | ● | ● | ● | ● | ● | ||||||||||||||||||||||
| SFF-070SS-□B-□B-90N | d1 | ● | ● | |||||||||||||||||||||||||
| d2 | ● | ● | ● | ● | ● | ● | ● | ● | ● | ● | ||||||||||||||||||
| SFF-070SS-□B-□B-100N | d1 | ● | ● | ● | ● | ● | ● | ● | ● | |||||||||||||||||||
| d2 | ● | ● | ● | ● | ● | ● | ● | ● | ||||||||||||||||||||
| SFF-080SS-□B-□B-150N | d1 | ● | ● | ● | ● | ● | ● | ● | ||||||||||||||||||||
| d2 | ● | ● | ● | ● | ● | ● | ● | |||||||||||||||||||||
| SFF-080SS-□B-□B-200N | d1 | ● | ● | ● | ● | ● | ● | ● | ● | |||||||||||||||||||
| d2 | ● | ● | ● | ● | ● | ● | ● | ● | ||||||||||||||||||||
| SFF-090SS-□B-□B-250N | d1 | ● | ● | |||||||||||||||||||||||||
| d2 | ● | ● | ● | ● | ● | ● | ● | ● | ||||||||||||||||||||
| SFF-090SS-□B-□B-300N | d1 | ● | ● | ● | ● | ● | ● | |||||||||||||||||||||
| d2 | ● | ● | ● | ● | ● | ● | ||||||||||||||||||||||
| SFF-100SS-□B-□B-450N | d1 | ● | ● | ● | ● | ● | ● | ● | ||||||||||||||||||||
| d2 | ● | ● | ● | ● | ● | ● | ● | |||||||||||||||||||||
| SFF-120SS-□B-□B-600N | d1 | ● | ● | ● | ● | ● | ● | ● | ● | ● | ||||||||||||||||||
| d2 | ● | ● | ● | ● | ● | ● | ● | ● | ● | |||||||||||||||||||
* The bore diameters marked with ● are supported as standard bore diameter.

SFF-□SS (Wedge Coupling)
[Specifications]
| Model | Rated torque [N・m] | Misalignment | Max. rotation speed [min-1] | Torsional stiffness [N・m/rad] | Axial stiffness [N/mm] | Moment of inertia [kg・m2] | Mass [kg] | ||
|---|---|---|---|---|---|---|---|---|---|
| Parallel [mm] | Angular [°] | Axial [mm] | |||||||
| SFF-070SS-□K-□K-100N | 100 | 0.02 | 1 | ±0.5 | 18000 | 240000 | 484 | 0.66×10-3 | 0.92 |
| SFF-080SS-□K-□K-150N | 150 | 0.02 | 1 | ±0.5 | 17000 | 120000 | 96 | 1.21×10-3 | 1.03 |
| SFF-080SS-□K-□K-200N | 200 | 0.02 | 1 | ±0.5 | 17000 | 310000 | 546 | 1.11×10-3 | 1.26 |
| SFF-090SS-□K-□K-300N | 300 | 0.02 | 1 | ±0.6 | 15000 | 520000 | 321 | 1.75×10-3 | 1.48 |
| SFF-100SS-□K-□K-450N | 450 | 0.02 | 1 | ±0.65 | 13000 | 740000 | 540 | 2.56×10-3 | 1.87 |
| SFF-120SS-□K-□K-600N | 600 | 0.02 | 1 | ±0.8 | 11000 | 970000 | 360 | 5.33×10-3 | 2.50 |
| SFF-140SS-□K-□K-800N | 800 | 0.02 | 1 | ±1.0 | 10000 | 1400000 | 360 | 10.28×10-3 | 4.66 |
| SFF-140SS-□K-□K-1000N | 1000 | 0.02 | 1 | ±1.0 | 10000 | 1400000 | 360 | 14.70×10-3 | 5.01 |
* Max. rotation speed does not take into account dynamic balance.
* Torsional stiffness values given are measured values for the element alone.
* The moment of inertia and mass are measured for the maximum bore diameter.
[Dimensions]

| Model | d1 [mm] | d2 [mm] | D [mm] | L [mm] | N1・N2 [mm] | LF [mm] | S [mm] | C [mm] | K [mm] | H [mm] | M1 Qty - Nomina dia. | M1 Tightening torque [N・m] | M2 Qty - Nominal dia. |
|---|---|---|---|---|---|---|---|---|---|---|---|---|---|
| SFF-070SS-□K-□K-100N | 18・19 | 18・19 | 68 | 62.9 | 53 | 23.5 | 5.9 | 5 | 38 | 3-5.1 | 6-M6 | 10 | 3-M6 |
| 20・22・24・25 | 20・22・24・25 | 68 | 62.9 | 58 | 23.5 | 5.9 | 5 | 38 | 3-5.1 | 6-M6 | 10 | 3-M6 | |
| 28・30 | 28・30 | 68 | 62.9 | 63 | 23.5 | 5.9 | 5 | 38 | 3-5.1 | 6-M6 | 10 | 3-M6 | |
| 32・35 | 32・35 | 68 | 62.9 | 68 | 23.5 | 5.9 | 5 | 38 | 3-5.1 | 6-M6 | 10 | 3-M6 | |
| SFF-080SS-□K-□K-150N | 22・24・25 | 22・24・25 | 78 | 69.3 | 58 | 25.5 | 8.3 | 5 | 37 | 4-5.1 | 4-M6 | 10 | 2-M6 |
| 28・30 | 28・30 | 78 | 69.3 | 63 | 25.5 | 8.3 | 5 | 37 | 4-5.1 | 4-M6 | 10 | 2-M6 | |
| 32・35 | 32・35 | 78 | 69.3 | 68 | 25.5 | 8.3 | 5 | 37 | 4-5.1 | 4-M6 | 10 | 2-M6 | |
| - | 38 | 78 | 69.3 | 73 | 25.5 | 8.3 | 5 | 37 | 4-5.1 | 4-M6 | 10 | 2-M6 | |
| SFF-080SS-□K-□K-200N | 22・24・25 | 22・24・25 | 78 | 68.7 | 58 | 25.5 | 7.7 | 5 | 42 | 3-5.1 | 6-M6 | 10 | 3-M6 |
| 28・30 | 28・30 | 78 | 68.7 | 63 | 25.5 | 7.7 | 5 | 42 | 3-5.1 | 6-M6 | 10 | 3-M6 | |
| 32・35 | 32・35 | 78 | 68.7 | 68 | 25.5 | 7.7 | 5 | 42 | 3-5.1 | 6-M6 | 10 | 3-M6 | |
| 38 | 38 | 78 | 68.7 | 73 | 25.5 | 7.7 | 5 | 42 | 3-5.1 | 6-M6 | 10 | 3-M6 | |
| SFF-090SS-□K-□K-300N | 28・30 | 28・30 | 88 | 69.3 | 63 | 25.5 | 8.3 | 5 | 50 | 3-6.8 | 6-M6 | 10 | 3-M6 |
| 32・35 | 32・35 | 88 | 69.3 | 68 | 25.5 | 8.3 | 5 | 50 | 3-6.8 | 6-M6 | 10 | 3-M6 | |
| 38・40・42 | 38・40・42 | 88 | 69.3 | 73 | 25.5 | 8.3 | 5 | 50 | 3-6.8 | 6-M6 | 10 | 3-M6 | |
| 45 | 45 | 88 | 69.3 | 78 | 25.5 | 8.3 | 5 | 50 | 3-6.8 | 6-M6 | 10 | 3-M6 | |
| 48 | 48 | 88 | 69.3 | 83 | 25.5 | 8.3 | 5 | 50 | 3-6.8 | 6-M6 | 10 | 3-M6 | |
| SFF-100SS-□K-□K-450N | 32・35 | 32・35 | 98 | 75.2 | 68 | 27.5 | 10.2 | 5 | 56 | 3-6.8 | 6-M6 | 10 | 3-M6 |
| 38・40・42 | 38・40・42 | 98 | 75.2 | 73 | 27.5 | 10.2 | 5 | 56 | 3-6.8 | 6-M6 | 10 | 3-M6 | |
| 45 | 45 | 98 | 75.2 | 78 | 27.5 | 10.2 | 5 | 56 | 3-6.8 | 6-M6 | 10 | 3-M6 | |
| 48・50 | 48・50 | 98 | 75.2 | 83 | 27.5 | 10.2 | 5 | 56 | 3-6.8 | 6-M6 | 10 | 3-M6 | |
| SFF-120SS-□K-□K-600N | 35 | 35 | 118 | 75.2 | 68 | 27.5 | 10.2 | 5 | 68 | 3-6.8 | 6-M6 | 10 | 3-M6 |
| 38・40・42 | 38・40・42 | 118 | 75.2 | 73 | 27.5 | 10.2 | 5 | 68 | 3-6.8 | 6-M6 | 10 | 3-M6 | |
| 45 | 45 | 118 | 75.2 | 78 | 27.5 | 10.2 | 5 | 68 | 3-6.8 | 6-M6 | 10 | 3-M6 | |
| 48・50・52 | 48・50・52 | 118 | 75.2 | 83 | 27.5 | 10.2 | 5 | 68 | 3-6.8 | 6-M6 | 10 | 3-M6 | |
| 55 | 55 | 118 | 75.2 | 88 | 27.5 | 10.2 | 5 | 68 | 3-6.8 | 6-M6 | 10 | 3-M6 | |
| 60・62・65 | 60・62・65 | 118 | 75.2 | 98 | 27.5 | 10.2 | 5 | 68 | 3-6.8 | 6-M6 | 10 | 3-M6 | |
| - | 70 | 118 | 75.2 | 108 | 27.5 | 10.2 | 5 | 68 | 3-6.8 | 6-M6 | 10 | 3-M6 | |
| SFF-140SS-□K-□K-800N | 35・38 | 35・38 | 138 | 94.6 | 83 | 36.5 | 10.6 | 5.5 | 78 | 3-8.6 | 6-M8 | 24 | 3-M8 |
| 40・42・45 | 40・42・45 | 138 | 94.6 | 88 | 36.5 | 10.6 | 5.5 | 78 | 3-8.6 | 6-M8 | 24 | 3-M8 | |
| - | 48・50・52 | 138 | 94.6 | 98 | 36.5 | 10.6 | 5.5 | 78 | 3-8.6 | 6-M8 | 24 | 3-M8 | |
| - | 55・60 | 138 | 94.6 | 108 | 36.5 | 10.6 | 5.5 | 78 | 3-8.6 | 6-M8 | 24 | 3-M8 | |
| - | 62・65・70 | 138 | 94.6 | 118 | 36.5 | 10.6 | 5.5 | 78 | 3-8.6 | 6-M8 | 24 | 3-M8 | |
| - | 75・80 | 138 | 94.6 | 128 | 36.5 | 10.6 | 5.5 | 78 | 3-8.6 | 6-M8 | 24 | 3-M8 | |
| SFF-140SS-□K-□K-1000N | 48・50・52 | 48・50・52 | 138 | 94.6 | 98 | 36.5 | 10.6 | 5.5 | 78 | 3-8.6 | 6-M8 | 24 | 3-M8 |
| 55・60 | 55・60 | 138 | 94.6 | 108 | 36.5 | 10.6 | 5.5 | 78 | 3-8.6 | 6-M8 | 24 | 3-M8 | |
| 62・65・70 | 62・65・70 | 138 | 94.6 | 118 | 36.5 | 10.6 | 5.5 | 78 | 3-8.6 | 6-M8 | 24 | 3-M8 | |
| 75 | 75・80 | 138 | 94.6 | 128 | 36.5 | 10.6 | 5.5 | 78 | 3-8.6 | 6-M8 | 24 | 3-M8 |
* The nominal diameters of the pressure bolt M1 and detachment screw hole M2 are equal to the quantity minus the nominal diameter of the screw threads. The quantities of H, M1 and M2 are the same as the quantity for a hub on one side.
[Standard bore diameter]
| Model | Standard bore diameter d1・d2[mm] | ||||||||||||||||||||||||
|---|---|---|---|---|---|---|---|---|---|---|---|---|---|---|---|---|---|---|---|---|---|---|---|---|---|
| Nominal diameter | 18 | 19 | 20 | 22 | 24 | 25 | 28 | 30 | 32 | 35 | 38 | 40 | 42 | 45 | 48 | 50 | 52 | 55 | 60 | 62 | 65 | 70 | 75 | 80 | |
| SFF-070SS-□K-□K-100N | d1 | ● | ● | ● | ● | ● | ● | ● | ● | ● | ● | ||||||||||||||
| d2 | ● | ● | ● | ● | ● | ● | ● | ● | ● | ● | |||||||||||||||
| SFF-080SS-□K-□K-150N | d1 | ● | ● | ● | ● | ● | ● | ● | |||||||||||||||||
| d2 | ● | ● | ● | ● | ● | ● | ● | ● | |||||||||||||||||
| SFF-080SS-□K-□K-200N | d1 | ● | ● | ● | ● | ● | ● | ● | ● | ||||||||||||||||
| d2 | ● | ● | ● | ● | ● | ● | ● | ● | |||||||||||||||||
| SFF-090SS-□K-□K-300N | d1 | ● | ● | ● | ● | ● | ● | ● | ● | ● | |||||||||||||||
| d2 | ● | ● | ● | ● | ● | ● | ● | ● | ● | ||||||||||||||||
| SFF-100SS-□K-□K-450N | d1 | ● | ● | ● | ● | ● | ● | ● | ● | ||||||||||||||||
| d2 | ● | ● | ● | ● | ● | ● | ● | ● | |||||||||||||||||
| SFF-120SS-□K-□K-600N | d1 | ● | ● | ● | ● | ● | ● | ● | ● | ● | ● | ● | ● | ||||||||||||
| d2 | ● | ● | ● | ● | ● | ● | ● | ● | ● | ● | ● | ● | ● | ||||||||||||
| SFF-140SS-□K-□K-800N | d1 | ● | ● | ● | ● | ● | |||||||||||||||||||
| d2 | ● | ● | ● | ● | ● | ● | ● | ● | ● | ● | ● | ● | ● | ● | ● | ||||||||||
| SFF-140SS-□K-□K-1000N | d1 | ● | ● | ● | ● | ● | ● | ● | ● | ● | |||||||||||||||
| d2 | ● | ● | ● | ● | ● | ● | ● | ● | ● | ● | |||||||||||||||
* The bore diameters marked with ● are supported as standard bore diameter.

SFF-□DS (Clamping)
[Specifications]
| Model | Rated torque [N・m] | Misalignment | Max. rotation speed [min-1] | Torsional stiffness [N・m/rad] | Axial stiffness [N/mm] | Moment of inertia [kg・m2] | Mass [kg] | ||
|---|---|---|---|---|---|---|---|---|---|
| Parallel [mm] | Angular [°] | Axial [mm] | |||||||
| SFF-040DS-□B-□B-8N | 8 | 0.10 | 1 (On one side) | ±0.4 | 14000 | 7500 | 87 | 0.04×10-3 | 0.22 |
| SFF-040DS-□B-□B-12N | 12 | 0.10 | 1 (On one side) | ±0.4 | 14000 | 7500 | 87 | 0.04×10-3 | 0.22 |
| SFF-050DS-□B-□B-25N | 25 | 0.20 | 1 (On one side) | ±0.6 | 14000 | 16000 | 72.5 | 0.13×10-3 | 0.46 |
| SFF-060DS-□B-□B-60N | 60 | 0.20 | 1 (On one side) | ±0.6 | 14000 | 52000 | 199.5 | 0.28×10-3 | 0.64 |
| SFF-060DS-□B-□B-80N | 80 | 0.20 | 1 (On one side) | ±0.6 | 14000 | 52000 | 199.5 | 0.29×10-3 | 0.61 |
| SFF-070DS-□B-□B-90N | 90 | 0.25 | 1 (On one side) | ±1.0 | 14000 | 120000 | 242 | 0.53×10-3 | 0.90 |
| SFF-070DS-□B-□B-100N | 100 | 0.25 | 1 (On one side) | ±1.0 | 14000 | 120000 | 242 | 0.55×10-3 | 0.85 |
| SFF-080DS-□B-□B-150N | 150 | 0.32 | 1 (On one side) | ±1.0 | 13000 | 60000 | 48 | 1.10×10-3 | 1.37 |
| SFF-080DS-□B-□B-200N | 200 | 0.31 | 1 (On one side) | ±1.0 | 13000 | 155000 | 273 | 1.50×10-3 | 1.72 |
| SFF-090DS-□B-□B-250N | 250 | 0.32 | 1 (On one side) | ±1.2 | 12000 | 260000 | 160.5 | 2.03×10-3 | 2.02 |
| SFF-090DS-□B-□B-300N | 300 | 0.32 | 1 (On one side) | ±1.2 | 12000 | 260000 | 160.5 | 2.10×10-3 | 1.92 |
| SFF-100DS-□B-□B-450N | 450 | 0.38 | 1 (On one side) | ±1.3 | 10000 | 370000 | 270 | 4.18×10-3 | 3.12 |
| SFF-120DS-□B-□B-600N | 600 | 0.38 | 1 (On one side) | ±1.6 | 9000 | 485000 | 180 | 8.87×10-3 | 4.60 |
* Max. rotation speed does not take into account dynamic balance.
* Torsional stiffness values given are measured values for the element alone.
* The moment of inertia and mass are measured for the maximum bore diameter.
[Dimensions]

| Model | d1 [mm] | d2 [mm] | D [mm] | L [mm] | N1・N2 [mm] | LF [mm] | LP [mm] | S [mm] | d3 [mm] | K [mm] | M1・M2 Qty - Nominal dia. | M1・M2 Tightening torque [N・m] |
|---|---|---|---|---|---|---|---|---|---|---|---|---|
| SFF-040DS-□B-□B-8N | 8・9・9.525 | 8・9・9.525・10・11・12・14・15・16 | 38 | 48.8 | 33 | 17.5 | 6 | 3.9 | 17 | 17 | 2-M4 | 3.4 |
| SFF-040DS-□B-□B-12N | 10・11・12・14・15・16 | 10・11・12・14・15・16 | 38 | 48.8 | 33 | 17.5 | 6 | 3.9 | 17 | 17 | 2-M4 | 3.4 |
| SFF-050DS-□B-□B-25N | 10・11・12・14・15・16・17・18・19 | 10・11・12・14・15・16・17・18・19 | 48 | 60.8 | 42 | 21.5 | 7 | 5.4 | 20 | 20 | 2-M5 | 7 |
| SFF-060DS-□B-□B-60N | 12・14・15・16・17・18・19 | 12・14・15・16・17・18・19・20・22 | 58 | 65.8 | 44 | 24 | 7 | 5.4 | 31 | 32 | 2-M6 | 14 |
| - | 24・25・28 | 58 | 65.8 | 48 | 24 | 7 | 5.4 | 31 | 32 | 2-M5 | 7 | |
| - | 30 | 58 | 65.8 | 52 | 24 | 7 | 5.4 | 31 | 32 | 2-M5 | 7 | |
| SFF-060DS-□B-□B-80N | 20・22 | 20・22 | 58 | 65.8 | 44 | 24 | 7 | 5.4 | 31 | 32 | 2-M6 | 14 |
| 24・25・28 | 24・25・28 | 58 | 65.8 | 48 | 24 | 7 | 5.4 | 31 | 32 | 2-M5 | 7 | |
| 30 | 30 | 58 | 65.8 | 52 | 24 | 7 | 5.4 | 31 | 32 | 2-M5 | 7 | |
| SFF-070DS-□B-□B-90N | 18・19 | 18・19・20・22・24・25 | 68 | 69.8 | 47 | 25 | 8 | 5.9 | 37 | 38 | 2-M6 | 14 |
| - | 28・30・32・35 | 68 | 69.8 | 56 | 25 | 8 | 5.9 | 37 | 38 | 2-M6 | 14 | |
| SFF-070DS-□B-□B-100N | 20・22・24・25 | 20・22・24・25 | 68 | 69.8 | 47 | 25 | 8 | 5.9 | 37 | 38 | 2-M6 | 14 |
| 28・30・32・35 | 28・30・32・35 | 68 | 69.8 | 56 | 25 | 8 | 5.9 | 37 | 38 | 2-M6 | 14 | |
| SFF-080DS-□B-□B-150N | 22・24・25 | 22・24・25 | 78 | 86.6 | 53 | 30 | 10 | 8.3 | 40 | 37 | 2-M8 | 34 |
| 28・30・32・35 | 28・30・32・35 | 78 | 86.6 | 56 | 30 | 10 | 8.3 | 40 | 37 | 2-M6 | 14 | |
| SFF-080DS-□B-□B-200N | 22・24・25 | 22・24・25 | 78 | 85.4 | 53 | 30 | 10 | 7.7 | 40 | 42 | 2-M8 | 34 |
| 28・30・32・35 | 28・30・32・35 | 78 | 85.4 | 70 | 30 | 10 | 7.7 | 40 | 42 | 2-M8 | 34 | |
| 38 | 38 | 78 | 85.4 | 74 | 30 | 10 | 7.7 | 40 | 42 | 2-M8 | 34 | |
| SFF-090DS-□B-□B-250N | 25・28 | 25・28・30・32 | 88 | 86.6 | 66 | 30 | 10 | 8.3 | 50 | 50 | 2-M8 | 34 |
| - | 35・38・40・42 | 88 | 86.6 | 74 | 30 | 10 | 8.3 | 50 | 50 | 2-M8 | 34 | |
| SFF-090DS-□B-□B-300N | 30・32 | 30・32 | 88 | 86.6 | 66 | 30 | 10 | 8.3 | 50 | 50 | 2-M8 | 34 |
| 35・38・40・42 | 35・38・40・42 | 88 | 86.6 | 74 | 30 | 10 | 8.3 | 50 | 50 | 2-M8 | 34 | |
| SFF-100DS-□B-□B-450N | 32・35・38・40・42・45・48 | 32・35・38・40・42・45・48 | 98 | 112.4 | 84 | 40 | 12 | 10.2 | 52 | 56 | 2-M10 | 68 |
| SFF-120DS-□B-□B-600N | 32・35・38・40・42・45 | 32・35・38・40・42・45 | 118 | 112.4 | 84 | 40 | 12 | 10.2 | 72 | 68 | 2-M10 | 68 |
| 48・50・55 | 48・50・55 | 118 | 112.4 | 100 | 40 | 12 | 10.2 | 72 | 68 | 2-M10 | 68 |
* Nominal diameter of clamping bolt M1/M2 is given as number of bolts - nominal diameter, and the number is the number for one hub.
[Standard bore diameter]
| Model | Standard bore diameter d1・d2[mm] | |||||||||||||||||||||||||||
|---|---|---|---|---|---|---|---|---|---|---|---|---|---|---|---|---|---|---|---|---|---|---|---|---|---|---|---|---|
| Nominal diameter | 8 | 9 | 9.525 | 10 | 11 | 12 | 14 | 15 | 16 | 17 | 18 | 19 | 20 | 22 | 24 | 25 | 28 | 30 | 32 | 35 | 38 | 40 | 42 | 45 | 48 | 50 | 55 | |
| SFF-040DS-□B-□B-8N | d1 | ● | ● | ● | ||||||||||||||||||||||||
| d2 | ● | ● | ● | ● | ● | ● | ● | ● | ● | |||||||||||||||||||
| SFF-040DS-□B-□B-12N | d1 | ● | ● | ● | ● | ● | ● | |||||||||||||||||||||
| d2 | ● | ● | ● | ● | ● | ● | ||||||||||||||||||||||
| SFF-050DS-□B-□B-25N | d1 | ● | ● | ● | ● | ● | ● | ● | ● | ● | ||||||||||||||||||
| d2 | ● | ● | ● | ● | ● | ● | ● | ● | ● | |||||||||||||||||||
| SFF-060DS-□B-□B-60N | d1 | ● | ● | ● | ● | ● | ● | ● | ||||||||||||||||||||
| d2 | ● | ● | ● | ● | ● | ● | ● | ● | ● | ● | ● | ● | ● | |||||||||||||||
| SFF-060DS-□B-□B-80N | d1 | ● | ● | ● | ● | ● | ● | |||||||||||||||||||||
| d2 | ● | ● | ● | ● | ● | ● | ||||||||||||||||||||||
| SFF-070DS-□B-□B-90N | d1 | ● | ● | |||||||||||||||||||||||||
| d2 | ● | ● | ● | ● | ● | ● | ● | ● | ● | ● | ||||||||||||||||||
| SFF-070DS-□B-□B-100N | d1 | ● | ● | ● | ● | ● | ● | ● | ● | |||||||||||||||||||
| d2 | ● | ● | ● | ● | ● | ● | ● | ● | ||||||||||||||||||||
| SFF-080DS-□B-□B-150N | d1 | ● | ● | ● | ● | ● | ● | ● | ||||||||||||||||||||
| d2 | ● | ● | ● | ● | ● | ● | ● | |||||||||||||||||||||
| SFF-080DS-□B-□B-200N | d1 | ● | ● | ● | ● | ● | ● | ● | ● | |||||||||||||||||||
| d2 | ● | ● | ● | ● | ● | ● | ● | ● | ||||||||||||||||||||
| SFF-090DS-□B-□B-250N | d1 | ● | ● | |||||||||||||||||||||||||
| d2 | ● | ● | ● | ● | ● | ● | ● | ● | ||||||||||||||||||||
| SFF-090DS-□B-□B-300N | d1 | ● | ● | ● | ● | ● | ● | |||||||||||||||||||||
| d2 | ● | ● | ● | ● | ● | ● | ||||||||||||||||||||||
| SFF-100DS-□B-□B-450N | d1 | ● | ● | ● | ● | ● | ● | ● | ||||||||||||||||||||
| d2 | ● | ● | ● | ● | ● | ● | ● | |||||||||||||||||||||
| SFF-120DS-□B-□B-600N | d1 | ● | ● | ● | ● | ● | ● | ● | ● | ● | ||||||||||||||||||
| d2 | ● | ● | ● | ● | ● | ● | ● | ● | ● | |||||||||||||||||||
* The bore diameters marked with ● are supported as standard bore diameter.

SFF-□DS (Wedge Coupling)
[Specifications]
| Model | Rated torque [N・m] | Misalignment | Max. rotation speed [min-1] | Torsional stiffness [N・m/rad] | Axial stiffness [N/mm] | Moment of inertia [kg・m2] | Mass [kg] | ||
|---|---|---|---|---|---|---|---|---|---|
| Parallel [mm] | Angular [°] | Axial [mm] | |||||||
| SFF-070DS-□K-□K-100N | 100 | 0.25 | 1 (On one side) | ±1.0 | 14000 | 120000 | 242 | 0.80×10-3 | 1.10 |
| SFF-080DS-□K-□K-150N | 150 | 0.32 | 1 (On one side) | ±1.0 | 13000 | 60000 | 48 | 1.36×10-3 | 1.56 |
| SFF-080DS-□K-□K-200N | 200 | 0.31 | 1 (On one side) | ±1.0 | 13000 | 155000 | 273 | 1.42×10-3 | 1.60 |
| SFF-090DS-□K-□K-300N | 300 | 0.32 | 1 (On one side) | ±1.2 | 12000 | 260000 | 160.5 | 2.24×10-3 | 1.87 |
| SFF-100DS-□K-□K-450N | 450 | 0.38 | 1 (On one side) | ±1.3 | 10000 | 370000 | 270 | 3.51×10-3 | 2.49 |
| SFF-120DS-□K-□K-600N | 600 | 0.38 | 1 (On one side) | ±1.6 | 9000 | 485000 | 180 | 7.17×10-3 | 3.29 |
| SFF-140DS-□K-□K-800N | 800 | 0.44 | 1 (On one side) | ±2.0 | 8000 | 700000 | 180 | 14.68×10-3 | 6.05 |
| SFF-140DS-□K-□K-1000N | 1000 | 0.44 | 1 (On one side) | ±2.0 | 8000 | 700000 | 180 | 19.11×10-3 | 6.39 |
* Max. rotation speed does not take into account dynamic balance.
* Torsional stiffness values given are measured values for the element alone.
* The moment of inertia and mass are measured for the maximum bore diameter.
[Dimensions]

| Model | d1 [mm] | d2 [mm] | D [mm] | L [mm] | N1・N2 [mm] | LF [mm] | LP [mm] | S [mm] | C [mm] | d3 [mm] | K [mm] | H [mm] | M1 Qty - Nomina dia. | M1 Tightening torque [N・m] | M2 Qty - Nominal dia. |
|---|---|---|---|---|---|---|---|---|---|---|---|---|---|---|---|
| SFF-070DS-□K-□K-100N | 18・19 | 18・19 | 68 | 76.8 | 53 | 23.5 | 8 | 5.9 | 5 | 37 | 38 | 3-5.1 | 6-M6 | 10 | 3-M6 |
| 20・22・24・25 | 20・22・24・25 | 68 | 76.8 | 58 | 23.5 | 8 | 5.9 | 5 | 37 | 38 | 3-5.1 | 6-M6 | 10 | 3-M6 | |
| 28・30 | 28・30 | 68 | 76.8 | 63 | 23.5 | 8 | 5.9 | 5 | 37 | 38 | 3-5.1 | 6-M6 | 10 | 3-M6 | |
| 32・35 | 32・35 | 68 | 76.8 | 68 | 23.5 | 8 | 5.9 | 5 | 37 | 38 | 3-5.1 | 6-M6 | 10 | 3-M6 | |
| SFF-080DS-□K-□K-150N | 22・24・25 | 22・24・25 | 78 | 87.6 | 58 | 25.5 | 10 | 8.3 | 5 | 40 | 37 | 4-5.1 | 4-M6 | 10 | 2-M6 |
| 28・30 | 28・30 | 78 | 87.6 | 63 | 25.5 | 10 | 8.3 | 5 | 40 | 37 | 4-5.1 | 4-M6 | 10 | 2-M6 | |
| 32・35 | 32・35 | 78 | 87.6 | 68 | 25.5 | 10 | 8.3 | 5 | 40 | 37 | 4-5.1 | 4-M6 | 10 | 2-M6 | |
| - | 38 | 78 | 87.6 | 73 | 25.5 | 10 | 8.3 | 5 | 40 | 37 | 4-5.1 | 4-M6 | 10 | 2-M6 | |
| SFF-080DS-□K-□K-200N | 22・24・25 | 22・24・25 | 78 | 86.4 | 58 | 25.5 | 10 | 7.7 | 5 | 40 | 42 | 3-5.1 | 6-M6 | 10 | 3-M6 |
| 28・30 | 28・30 | 78 | 86.4 | 63 | 25.5 | 10 | 7.7 | 5 | 40 | 42 | 3-5.1 | 6-M6 | 10 | 3-M6 | |
| 32・35 | 32・35 | 78 | 86.4 | 68 | 25.5 | 10 | 7.7 | 5 | 40 | 42 | 3-5.1 | 6-M6 | 10 | 3-M6 | |
| 38 | 38 | 78 | 86.4 | 73 | 25.5 | 10 | 7.7 | 5 | 40 | 42 | 3-5.1 | 6-M6 | 10 | 3-M6 | |
| SFF-090DS-□K-□K-300N | 28・30 | 28・30 | 88 | 87.6 | 63 | 25.5 | 10 | 8.3 | 5 | 50 | 50 | 3-6.8 | 6-M6 | 10 | 3-M6 |
| 32・35 | 32・35 | 88 | 87.6 | 68 | 25.5 | 10 | 8.3 | 5 | 50 | 50 | 3-6.8 | 6-M6 | 10 | 3-M6 | |
| 38・40・42 | 38・40・42 | 88 | 87.6 | 73 | 25.5 | 10 | 8.3 | 5 | 50 | 50 | 3-6.8 | 6-M6 | 10 | 3-M6 | |
| 45 | 45 | 88 | 87.6 | 78 | 25.5 | 10 | 8.3 | 5 | 50 | 50 | 3-6.8 | 6-M6 | 10 | 3-M6 | |
| 48 | 48 | 88 | 87.6 | 83 | 25.5 | 10 | 8.3 | 5 | 50 | 50 | 3-6.8 | 6-M6 | 10 | 3-M6 | |
| SFF-100DS-□K-□K-450N | 32・35 | 32・35 | 98 | 97.4 | 68 | 27.5 | 12 | 10.2 | 5 | 52 | 56 | 3-6.8 | 6-M6 | 10 | 3-M6 |
| 38・40・42 | 38・40・42 | 98 | 97.4 | 73 | 27.5 | 12 | 10.2 | 5 | 52 | 56 | 3-6.8 | 6-M6 | 10 | 3-M6 | |
| 45 | 45 | 98 | 97.4 | 78 | 27.5 | 12 | 10.2 | 5 | 52 | 56 | 3-6.8 | 6-M6 | 10 | 3-M6 | |
| 48・50 | 48・50 | 98 | 97.4 | 83 | 27.5 | 12 | 10.2 | 5 | 52 | 56 | 3-6.8 | 6-M6 | 10 | 3-M6 | |
| SFF-120DS-□K-□K-600N | 35 | 35 | 118 | 97.4 | 68 | 27.5 | 12 | 10.2 | 5 | 72 | 68 | 3-6.8 | 6-M6 | 10 | 3-M6 |
| 38・40・42 | 38・40・42 | 118 | 97.4 | 73 | 27.5 | 12 | 10.2 | 5 | 72 | 68 | 3-6.8 | 6-M6 | 10 | 3-M6 | |
| 45 | 45 | 118 | 97.4 | 78 | 27.5 | 12 | 10.2 | 5 | 72 | 68 | 3-6.8 | 6-M6 | 10 | 3-M6 | |
| 48・50・52 | 48・50・52 | 118 | 97.4 | 83 | 27.5 | 12 | 10.2 | 5 | 72 | 68 | 3-6.8 | 6-M6 | 10 | 3-M6 | |
| 55 | 55 | 118 | 97.4 | 88 | 27.5 | 12 | 10.2 | 5 | 72 | 68 | 3-6.8 | 6-M6 | 10 | 3-M6 | |
| 60・62・65 | 60・62・65 | 118 | 97.4 | 98 | 27.5 | 12 | 10.2 | 5 | 72 | 68 | 3-6.8 | 6-M6 | 10 | 3-M6 | |
| - | 70 | 118 | 97.4 | 108 | 27.5 | 12 | 10.2 | 5 | 72 | 68 | 3-6.8 | 6-M6 | 10 | 3-M6 | |
| SFF-140DS-□K-□K-800N | 35・38 | 35・38 | 138 | 120 | 83 | 36.5 | 15 | 10.6 | 5.5 | 80 | 78 | 3-8.6 | 6-M8 | 24 | 3-M8 |
| 40・42・45 | 40・42・45 | 138 | 120 | 88 | 36.5 | 15 | 10.6 | 5.5 | 80 | 78 | 3-8.6 | 6-M8 | 24 | 3-M8 | |
| - | 48・50・52 | 138 | 120 | 98 | 36.5 | 15 | 10.6 | 5.5 | 80 | 78 | 3-8.6 | 6-M8 | 24 | 3-M8 | |
| - | 55・60 | 138 | 120 | 108 | 36.5 | 15 | 10.6 | 5.5 | 80 | 78 | 3-8.6 | 6-M8 | 24 | 3-M8 | |
| - | 62・65・70 | 138 | 120 | 118 | 36.5 | 15 | 10.6 | 5.5 | 80 | 78 | 3-8.6 | 6-M8 | 24 | 3-M8 | |
| - | 75・80 | 138 | 120 | 128 | 36.5 | 15 | 10.6 | 5.5 | 80 | 78 | 3-8.6 | 6-M8 | 24 | 3-M8 | |
| SFF-140DS-□K-□K-1000N | 48・50・52 | 48・50・52 | 138 | 120 | 98 | 36.5 | 15 | 10.6 | 5.5 | 80 | 78 | 3-8.6 | 6-M8 | 24 | 3-M8 |
| 55・60 | 55・60 | 138 | 120 | 108 | 36.5 | 15 | 10.6 | 5.5 | 80 | 78 | 3-8.6 | 6-M8 | 24 | 3-M8 | |
| 62・65・70 | 62・65・70 | 138 | 120 | 118 | 36.5 | 15 | 10.6 | 5.5 | 80 | 78 | 3-8.6 | 6-M8 | 24 | 3-M8 | |
| 75 | 75・80 | 138 | 120 | 128 | 36.5 | 15 | 10.6 | 5.5 | 80 | 78 | 3-8.6 | 6-M8 | 24 | 3-M8 |
* The nominal diameters of the pressure bolt M1 and detachment screw hole M2 are equal to the quantity minus the nominal diameter of the screw threads. The quantities of H, M1 and M2 are the same as the quantity for a hub on one side.
[Standard bore diameter]
| Model | Standard bore diameter d1・d2[mm] | ||||||||||||||||||||||||
|---|---|---|---|---|---|---|---|---|---|---|---|---|---|---|---|---|---|---|---|---|---|---|---|---|---|
| Nominal diameter | 18 | 19 | 20 | 22 | 24 | 25 | 28 | 30 | 32 | 35 | 38 | 40 | 42 | 45 | 48 | 50 | 52 | 55 | 60 | 62 | 65 | 70 | 75 | 80 | |
| SFF-070DS-□K-□K-100N | d1 | ● | ● | ● | ● | ● | ● | ● | ● | ● | ● | ||||||||||||||
| d2 | ● | ● | ● | ● | ● | ● | ● | ● | ● | ● | |||||||||||||||
| SFF-080DS-□K-□K-150N | d1 | ● | ● | ● | ● | ● | ● | ● | |||||||||||||||||
| d2 | ● | ● | ● | ● | ● | ● | ● | ● | |||||||||||||||||
| SFF-080DS-□K-□K-200N | d1 | ● | ● | ● | ● | ● | ● | ● | ● | ||||||||||||||||
| d2 | ● | ● | ● | ● | ● | ● | ● | ● | |||||||||||||||||
| SFF-090DS-□K-□K-300N | d1 | ● | ● | ● | ● | ● | ● | ● | ● | ● | |||||||||||||||
| d2 | ● | ● | ● | ● | ● | ● | ● | ● | ● | ||||||||||||||||
| SFF-100DS-□K-□K-450N | d1 | ● | ● | ● | ● | ● | ● | ● | ● | ||||||||||||||||
| d2 | ● | ● | ● | ● | ● | ● | ● | ● | |||||||||||||||||
| SFF-120DS-□K-□K-600N | d1 | ● | ● | ● | ● | ● | ● | ● | ● | ● | ● | ● | ● | ||||||||||||
| d2 | ● | ● | ● | ● | ● | ● | ● | ● | ● | ● | ● | ● | ● | ||||||||||||
| SFF-140DS-□K-□K-800N | d1 | ● | ● | ● | ● | ● | |||||||||||||||||||
| d2 | ● | ● | ● | ● | ● | ● | ● | ● | ● | ● | ● | ● | ● | ● | ● | ||||||||||
| SFF-140DS-□K-□K-1000N | d1 | ● | ● | ● | ● | ● | ● | ● | ● | ● | |||||||||||||||
| d2 | ● | ● | ● | ● | ● | ● | ● | ● | ● | ● | |||||||||||||||
* The bore diameters marked with ● are supported as standard bore diameter.
