180モデル(密閉形クラッチ・ブレーキ)

![]()
180モデル
【仕様】
| 型式 | サイズ | クラッチブレーキ | 動摩擦トルクTd[N・m] | コイル(at20℃) | 耐熱クラス | 最高回転速度[min-1] | 回転部慣性モーメントJ | 許容仕事Eeaℓ[J](Ebaℓ)[J] | 空隙再調整までの総仕事ET[J] | 質量[kg] | |||||
|---|---|---|---|---|---|---|---|---|---|---|---|---|---|---|---|
| 電圧[V] | 容量[W] | 電流[A] | 抵抗[Ω] | ロータ[kg・m2] | アーマチュア[kg・m2] | 出力軸[kg・m2] | |||||||||
| 180-06-011 | 06 | クラッチ | 7.5 | DC24 | 15 | 0.63 | 38 | B | 1800 | 1.25×10-4 | 5.00×10-5 | 7.50×10-6 | 36×102 | 24×106 | 2.5 |
| ブレーキ | 11.5 | 0.48 | 50 | ||||||||||||
| 180-08-011 | 08 | クラッチ | 15 | DC24 | 20 | 0.83 | 29 | B | 1800 | 2.75×10-4 | 1.50×10-4 | 2.50×10-5 | 60×102 | 40×106 | 4.5 |
| ブレーキ | 16 | 0.67 | 36 | ||||||||||||
| 180-10-011 | 10 | クラッチ | 30 | DC24 | 28 | 1.17 | 21 | B | 1800 | 7.75×10-4 | 4.25×10-4 | 7.50×10-5 | 100×102 | 62×106 | 8.0 |
| ブレーキ | 21 | 0.88 | 27 | ||||||||||||
| 180-12-011 | 12 | クラッチ | 60 | DC24 | 35 | 1.46 | 16 | B | 1800 | 2.25×10-3 | 1.20×10-3 | 1.50×10-4 | 160×102 | 154×106 | 12.5 |
| ブレーキ | 28 | 1.17 | 21 | ||||||||||||
| 180-16-011 | 16 | クラッチ | 120 | DC24 | 50 | 2.08 | 12 | B | 1800 | 6.30×10-3 | 3.78×10-3 | 6.50×10-4 | 250×102 | 250×106 | 23.5 |
| ブレーキ | 38 | 1.58 | 15 | ||||||||||||
※動摩擦トルクTd は、相対速度100min-1 時の値です。また、初期トルク特性により、ならし運転が必要となる場合があります。
※許容仕事Eeaℓ(Ebaℓ)は、1 回の連結(制動)で許容される最大仕事を示します。
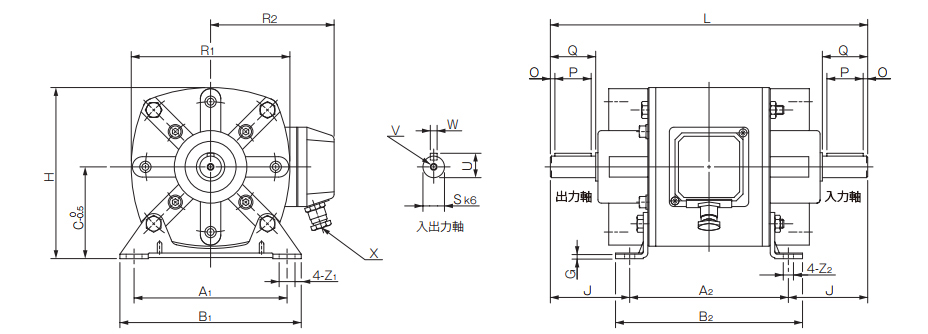
【寸法】

| サイズ | 本体寸法 | 軸寸法 | |||||||||||||||||||
|---|---|---|---|---|---|---|---|---|---|---|---|---|---|---|---|---|---|---|---|---|---|
| A1 | A2 | B1 | B2 | C | G | H | J | L | O | P | Q | R1 | R2 | X | Z1 | Z2 | S | U | V | W | |
| 06 | 82.5 | 100 | 100 | 115 | 63 | 3 | 108 | 41.5 | 183 | 2.5 | 18 | 23 | 90 | 89 | M16 | 9.5 | 7 | 11 | 12.5 | M4×0.7深さ10 | 4 |
| *71 | *116 | ||||||||||||||||||||
| 08 | 107.5 | 120 | 130 | 140 | 71 | 3 | 127 | 55 | 230 | 2.5 | 25 | 30 | 112 | 95 | M16 | 11.5 | 9 | 14 | 16 | M5×0.8深さ12 | 5 |
| *80 | *136 | ||||||||||||||||||||
| 10 | 135 | 140 | 160 | 165 | 80 | 4 | 150 | 70 | 280 | 4 | 32 | 40 | 140 | 110 | M16 | 14 | 9 | 19 | 21.5 | M6×1深さ16 | 6 |
| *90 | *160 | ||||||||||||||||||||
| 12 | 155 | 160 | 180 | 184 | 100 | 5 | 183.5 | 82 | 324 | 5 | 40 | 50 | 167 | 136 | M16 | 16 | 11 | 24 | 27 | M8×1.25深さ19 | 8 |
| *112 | *195.5 | ||||||||||||||||||||
| 16 | 190 | 185 | 223 | 215 | 112 | 6 | 217 | 97.5 | 380 | 5 | 50 | 60 | 210 | 158 | M16 | 18 | 13 | 28 | 31 | M10×1.5深さ22 | 8 |
| *132 | *237 | ||||||||||||||||||||
※*印部は、取り付け足位置変更時の寸法となり、オプション対応となります。お問い合わせください。
※入出力軸にプーリなど挿入時には、付属の挿入セットをご使用ください。
※ケーブルコネクタの適応ケーブルサイズはφ 6 〜φ 8 となります(全サイズ共通)。

三木プーリの電磁クラッチ・電磁ブレーキユニット 180モデル(密閉形クラッチ・ブレーキ)の製品詳細ページです。
180モデル(密閉形クラッチ・ブレーキ)の型式ごとの詳細な仕様、寸法がご覧頂けます他、
カタログ・2DCAD・取扱説明書などのダウンロードが可能です。